 |
Matronics Email Lists Web Forum Interface to the Matronics Email Lists
|
| View previous topic :: View next topic |
| Author |
Message |
nuckolls.bob(at)aeroelect Guest
|
Posted: Tue Feb 26, 2019 12:08 pm Post subject: History of the E-Bus |
|
|
One dark and quiet night, a long time ago, I got
a call from one of my California seminar attendees
wrestling with a Load Analysis/FMEA for his
Long-Ez project.
He cited a seminar discussion about the value
of Plan-B protocols for dealing with single
failure of a really important component
of the electrical system. A plan that would
prevent a failure from becoming the source
of his personal 'dark-n-stormy-night' story
. . . or worse yet . . . root cause of events
that produced an NTSB accident report on
his demise.
His airplane was fitted with an SD-8. 8+
Amps in cruise rpm. He was interested in long
endurance flights over unfriendly terrain limited
to daytime only. No lights on the aircraft.
After some discussion we settled on a design
goal for powering a minimally useful list of
electro-whizzies, battery only for duration
of fuel aboard.
I forget the exact numbers but one of the
sticking points of our study was the battery
contactor . . . 0.8A of constant draw while
energized . . . enough energy to operate two
solid state radios . . . just sitting there
using that energy to do nothing more than
get warm.
During that discussion, we concocted the idea
of an ENDURANCE bus to (1) power a
minimally useful equipment list, (2) power
additional items easily turned off to shed
load and (3) have a battery energy path
around a de-energized battery contactor.
I think it was Figure Z-1 back in those days
but the outcome of the conversation added a
bus structure diode fed from the main bus
and switched feed from the battery bus. As
I recall, we crafted a plan-B for his
project that would offer 5+ hours of
battery only operations with a battery
offering only 80% of nameplate capacity.
I made a mistake in calling it the ESSENTIAL
bus. Others wanted to call it the EMERGENCY
bus. Later I reasoned that the sole purpose
for installing the E-Bus was to prevent loss
of alternator or battery contactor from
becoming an emergency.
Easily switched gizmos of lesser utility
might also be driven from this bus;
easily managed by performing a check-list
driven transition to Plan-B.
Over the years, some builders have opted
to add switches to 'protect' avionics.
Some persist in the EMERGENCY/ESSENTIAL
nomenclature . . . which is fine. But
understand that the E-Bus has roots in
a design goal to maximize the utility of
a very limited electrical system while
reducing risk.
The E-bus is still practical for architectures
like Z13/8 where the second engine driven
power source is small (cheap and light too!).
Z13/8 offers an unlimited duration for en route
energy supplied by the SD8 and practically
unlimited energy for descent and approach
to landing by taping battery reserves
to augment the alternator.
As larger, pad-driven alternators became
available, the TC aircraft world readily
embraced the notion of simply adding the
second, smaller alternator in tandem
with the main alternator but with no
significant changes to original architecture
(See Z12). The larger pad-driven machine reduced
concerns for parasitic loads like battery
contactors. It also simplified crafting
plan-B requirements for load-shedding.
The value of an E-bus goes down.
This narrative is intended to encourage
well considered decisions for 'enhancing'
a Z-figure. We have an opportunity here on
the List to advance the state of our art
and science with tools the TC aircraft
world has largely abandoned.
In no way do I suggest that enhancements are
not useful . . . to be sure, Z-figs have
evolved considerably over 31 years of
collective consideration by what must now
include several thousand observers/
contributors.
Let us continue to refine old or advance
new ideas . . . but let's do it by the
numbers and with diligent respect for
lessons learned.
Bob . . .
| | - The Matronics AeroElectric-List Email Forum - | | | Use the List Feature Navigator to browse the many List utilities available such as the Email Subscriptions page, Archive Search & Download, 7-Day Browse, Chat, FAQ, Photoshare, and much more:
http://www.matronics.com/Navigator?AeroElectric-List |
|
|
|
| Back to top |
|
 |
user9253
Joined: 28 Mar 2008 Posts: 1972 Location: Riley TWP Michigan
|
Posted: Wed Feb 27, 2019 7:33 am Post subject: Re: History of the E-Bus |
|
|
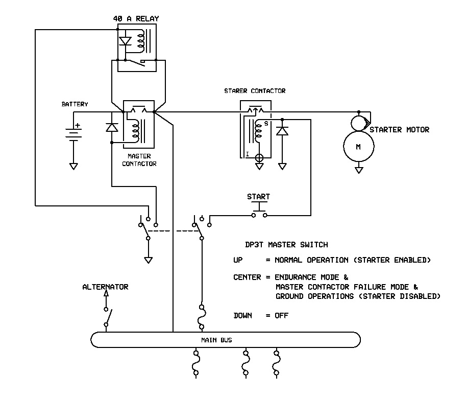
Each builder has their own ideas on how to wire their airplane. It would be nice to offer more “Z” figures to give builders more electrical diagrams to choose from.. Modern EFISs have a built-in low voltage warning. So the new “Z” figure will not need low voltage warning. Many EFISs come with their own internal backup battery that will last for an hour or more. Some builders might not want or need an E-Bus. Below is a circuit without a separate E-Bus. But it does have a relay in parallel with the battery contactor. That relay provides a parallel current path similar to an E-Bus relay.
For normal operations, the master switch will be in up position. If the pilot wishes to conserve electrical energy for any reason or if the battery contactor fails, the pilot can move the master switch to the center position (endurance mode). The power hungry battery contactor will be disabled and the relay will turn on. Symptoms of battery contactor failure may be abnormal fluctuations of system voltage.
The center position of the master switch is also useful for ground operations such as electrical troubleshooting or just sitting in the aircraft learning how to use the avionics. The relay uses a fraction of the power that a contactor does. The starter is disabled with the master switch in the center position, making it safer while working on the plane.
| | - The Matronics AeroElectric-List Email Forum - | | | Use the List Feature Navigator to browse the many List utilities available such as the Email Subscriptions page, Archive Search & Download, 7-Day Browse, Chat, FAQ, Photoshare, and much more:
http://www.matronics.com/Navigator?AeroElectric-List |
|
| Description: |
|
| Filesize: |
88.23 KB |
| Viewed: |
3750 Time(s) |

|
_________________ Joe Gores |
|
| Back to top |
|
 |
Av8rrob
Joined: 24 Mar 2017 Posts: 7
|
Posted: Wed Feb 27, 2019 7:37 am Post subject: Re: History of the E-Bus |
|
|
Bob, I appreciate the back story. As a newbie builder I also appreciate the knowledge and dedication that you have given the aviation community for so long. My challenge has been to find a balance between too simple and too robust/complicated in my layout. As I look at information put you by suppliers (garmin etc.) other builders and wise pros like yourself its tough to sort though all the opinions. Switched avionics bus ..... or not. E- bus ... or not. IBBS backup battery.... or not. Brownout.....
In my previous posts you’ve challenged me to justify my modifications from your tried and true and I guess the ideas Ive had come from wanting the simplicity of the z-12 with the other opinions thrown into the mix. I will follow this thread closely.
Thanks again
| | - The Matronics AeroElectric-List Email Forum - | | | Use the List Feature Navigator to browse the many List utilities available such as the Email Subscriptions page, Archive Search & Download, 7-Day Browse, Chat, FAQ, Photoshare, and much more:
http://www.matronics.com/Navigator?AeroElectric-List |
|
|
|
| Back to top |
|
 |
|
|
You cannot post new topics in this forum You cannot reply to topics in this forum You cannot edit your posts in this forum You cannot delete your posts in this forum You cannot vote in polls in this forum You cannot attach files in this forum You can download files in this forum
|
Powered by phpBB © 2001, 2005 phpBB Group
|