 |
Matronics Email Lists Web Forum Interface to the Matronics Email Lists
|
| View previous topic :: View next topic |
| Author |
Message |
nuckolls.bob(at)aeroelect Guest
|
Posted: Mon Feb 15, 2016 9:14 pm Post subject: S702-1 Intermittent Duty Starter Contactor |
|
|
At 01:32 PM 2/15/2016, you wrote:
| Quote: | I'd call back & ask for the next person up the food chain until you get to the boss, if necessary. That's nonsense, coming from a specialty vendor like B&C.
-------- Original message --------
From: Bill Settle
Date:02/15/2016 1:16 PM (GMT-06:00)
To: aeroelectric-list(at)matronics.com
Subject: Re: Re: S702-1 Intermittent Duty Starter Contactor...pedigree unknown
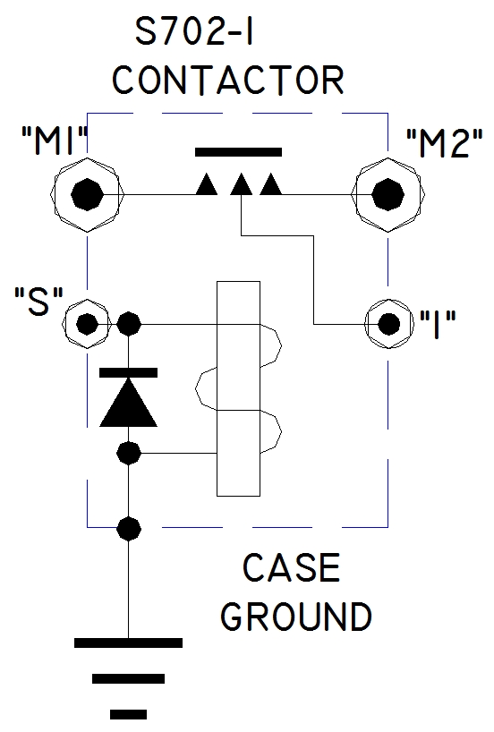
Yes, I have seen the PDF. And yes, you would think you could ohm out the terminals. And yes again, I agree, it does not look like a very complicated device. However, there is no continuity between the "I" terminal and any other terminal. Hence my inquiry to them. I am still wiring so I have not energized the contactor and checked it in real world operation yet. My questioning to them was whether the "I" terminal is suppose to go positive (+12vdc) on contact closure and have continuity with the "M" terminal or, have continuity through the mounting base and thus go negative (-12vdc) on closure. It would make a difference on the annunciator wiring. My assumption tells me it would go positive but I didn't want to assume anything. I called and talked to both of them and neither could tell me how it worked nor could they provide a schematic.
|
Here is the schematic for that part . . .
[img]cid:7.1.0.9.0.20160215230451.060d5330(at)aeroelectric.com.0[/img]
This is the wiring data
[img]cid:7.1.0.9.0.20160215230451.060d5330(at)aeroelectric.com.1[/img]
| Quote: | | Quote: | --> AeroElectric-List message posted by: "Greenbacks, UnLtd." <N4ZQ(at)verizon.net (N4ZQ(at)verizon.net)>
I purchased this starter contractor recently and I was surprised to
see that there was no identifiable manufacturer and country of origin markings on this part.
B&C declined (refused) to give me this information and suggested that if I were dissatisfied,
I should return the item. |
|
I can't ever recall having seen country of origin
on any of the commercial off-the-shelf contactors
we've sold over the years . . . Doesn't mean it
has NEVER been there . . . but I'm aware of no
instances where purchasers of this part have found
them to be of poor value.
Bob . . .
| | - The Matronics AeroElectric-List Email Forum - | | | Use the List Feature Navigator to browse the many List utilities available such as the Email Subscriptions page, Archive Search & Download, 7-Day Browse, Chat, FAQ, Photoshare, and much more:
http://www.matronics.com/Navigator?AeroElectric-List |
|
| Description: |
|
| Filesize: |
103.5 KB |
| Viewed: |
2457 Time(s) |

|
| Description: |
|
| Filesize: |
305.83 KB |
| Viewed: |
2457 Time(s) |

|
|
|
| Back to top |
|
 |
N38CW
Joined: 16 Apr 2008 Posts: 57 Location: Winston-Salem, NC
|
Posted: Tue Feb 16, 2016 4:01 am Post subject: S702-1 Intermittent Duty Starter Contactor |
|
|
Bob,
Thank you for the schematic, I had not seen that before. It did not occur to me to search your site. I just expected that B&C would have had the relevant schematic for an item they sold or would have been able to tell me how it worked. They were not able to do either.
Thanks again.
From: "Robert L. Nuckolls, III" <nuckolls.bob(at)aeroelectric.com>
To: aeroelectric-list(at)matronics.com
Sent: Tuesday, February 16, 2016 12:12 AM
Subject: S702-1 Intermittent Duty Starter Contactor
At 01:32 PM 2/15/2016, you wrote:
| Quote: | I'd call back & ask for the next person up the food chain until you get to the boss, if necessary. That's nonsense, coming from a specialty vendor like B&C.
-------- Original message --------
From: Bill Settle
Date:02/15/2016 1:16 PM (GMT-06:00)
To: aeroelectric-list(at)matronics.com
Subject: Re: Re: S702-1 Intermittent Duty Starter Contactor...pedigree unknown
Yes, I have seen the PDF. And yes, you would think you could ohm out the terminals. And yes again, I agree, it does not look like a very complicated device. However, there is no continuity between the "I" terminal and any other terminal. Hence my inquiry to them. I am still wiring so I have not energized the contactor and checked it in real world operation yet. My questioning to them was whether the "I" terminal is suppose to go positive (+12vdc) on contact closure and have continuity with the "M" terminal or, have continuity through the mounting base and thus go negative (-12vdc) on closure. It would make a difference on the annunciator wiring. My assumption tells me it would go positive but I didn't want to assume anything. I called and talked to both of them and neither could tell me how it worked nor could they provide a schematic.
|
Here is the schematic for that part . . .
[img]cid:7.1.0.9.0.20160215230451.060d5330(at)aeroelectric.com.0[/img]
This is the wiring data
[img]cid:7.1.0.9.0.20160215230451.060d5330(at)aeroelectric.com.1[/img]
| Quote: | | Quote: | --> AeroElectric-List message posted by: "Greenbacks, UnLtd." <N4ZQ(at)verizon.net (N4ZQ(at)verizon.net)>
I purchased this starter contractor recently and I was surprised to
see that there was no identifiable manufacturer and country of origin markings on this part.
B&C declined (refused) to give me this information and suggested that if I were dissatisfied,
I should return the item. |
|
I can't ever recall having seen country of origin
on any of the commercial off-the-shelf contactors
we've sold over the years . . . Doesn't mean it
has NEVER been there . . . but I'm aware of no
instances where purchasers of this part have found
them to be of poor value.
Bob . . .
| | - The Matronics AeroElectric-List Email Forum - | | | Use the List Feature Navigator to browse the many List utilities available such as the Email Subscriptions page, Archive Search & Download, 7-Day Browse, Chat, FAQ, Photoshare, and much more:
http://www.matronics.com/Navigator?AeroElectric-List |
|
| Description: |
|
| Filesize: |
103.5 KB |
| Viewed: |
2449 Time(s) |

|
| Description: |
|
| Filesize: |
305.83 KB |
| Viewed: |
2449 Time(s) |

|
_________________ Bill Settle
RV-8 Fuselage |
|
| Back to top |
|
 |
N4ZQ(at)verizon.net Guest
|
Posted: Wed Feb 17, 2016 6:03 am Post subject: S702-1 Intermittent Duty Starter Contactor |
|
|
Bob,
You have missed my point entirely.
It’s one thing for the supplier to tell a customer that they do not have the requested information and/or are unable to obtain it.
It’s quite a bit different and somewhat arrogant when the supplier refuses to provide the information.
Almost as though they could not be bothered….
Angier Ames
| | - The Matronics AeroElectric-List Email Forum - | | | Use the List Feature Navigator to browse the many List utilities available such as the Email Subscriptions page, Archive Search & Download, 7-Day Browse, Chat, FAQ, Photoshare, and much more:
http://www.matronics.com/Navigator?AeroElectric-List |
|
|
|
| Back to top |
|
 |
|
|
You cannot post new topics in this forum You cannot reply to topics in this forum You cannot edit your posts in this forum You cannot delete your posts in this forum You cannot vote in polls in this forum You cannot attach files in this forum You can download files in this forum
|
Powered by phpBB © 2001, 2005 phpBB Group
|