 |
Matronics Email Lists Web Forum Interface to the Matronics Email Lists
|
| View previous topic :: View next topic |
| Author |
Message |
altman51
Joined: 17 Sep 2012 Posts: 14 Location: Savannah, GA
|
Posted: Sun Dec 13, 2015 1:08 pm Post subject: Nose ear hard retract/fail to retract |
|
|
The last couple of flights in my CJ the nose gear has "hard retracted - slaming into the gear well. Yesterday when I took off it would not retract. Air pressure was 40ATM. Post was up lights indicated it was down. Both mains retracted normally. Recycled gear down, then up the mains went down normally and when retracted the nose retracted "hard". re-extended, all gear extended and landed with no problems. Any experience/suggestions?
Wayne Altman
Savannah, GA
| | - The Matronics Yak-List Email Forum - | | | Use the List Feature Navigator to browse the many List utilities available such as the Email Subscriptions page, Archive Search & Download, 7-Day Browse, Chat, FAQ, Photoshare, and much more:
http://www.matronics.com/Navigator?Yak-List |
|
|
|
| Back to top |
|
 |
dsavarese0812(at)bellsout Guest
|
Posted: Mon Dec 14, 2015 3:44 am Post subject: Nose ear hard retract/fail to retract |
|
|
Sounds like a nose gear actuator may need rebuilding or replacing. You may want to put the airplane on jacks and do a few gear extention/retractions. Listen carefully around the bottom of the nose gear actuator for what will sound like air leaking. Also, with it being in the hangar and on jacks, you may also be able to hear air leaking out of the front gear selector with it in the down or up position. This is an indication that the air pressure in the actuator is going by the seals.
Dennis
From: altman51 <waltman51(at)comcast.net>
To: yak-list(at)matronics.com
Sent: Sunday, December 13, 2015 4:08 PM
Subject: Nose ear hard retract/fail to retract
--> Yak-List message posted by: "altman51" <waltman51(at)comcast.net (waltman51(at)comcast.net)>
The last couple of flights in my CJ the nose gear has "hard retracted - slaming into the gear well. Yesterday when I took off it would not retract. Air pressure was 40ATM. Post was up lights indicated it was down. Both mains retracted normally. Recycled gear down, then up the mains went down normally and when retracted the nose retracted "hard". re-extended, all gear extended and landed with no problems. Any experience/suggestions?
Wayne Altman
Savannah, GA
Read this topic online here:
http://forums.matronics.com/viewtopic.p://www.matronics.com/contribution" target="_blank">http://www.matronics.cbsp; -Matt Dralle, List Adp; --> http://forums.matronics.comhttp://www.matronics.com/contribution</a=============
| | - The Matronics Yak-List Email Forum - | | | Use the List Feature Navigator to browse the many List utilities available such as the Email Subscriptions page, Archive Search & Download, 7-Day Browse, Chat, FAQ, Photoshare, and much more:
http://www.matronics.com/Navigator?Yak-List |
|
|
|
| Back to top |
|
 |
av8ter
Joined: 25 Apr 2015 Posts: 27
|
Posted: Tue Dec 22, 2015 11:16 am Post subject: Re: Nose ear hard retract/fail to retract |
|
|
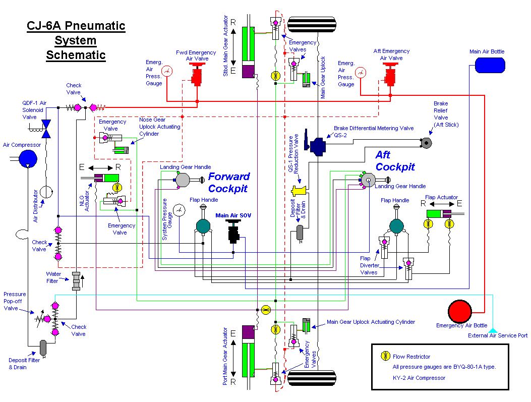
possibly consider the restrictor plate on the retract side. It be should located in the rear cockpit, left side of the plane not too far from the gear handle on a blue white blue line at a 4 way connector. A popular schematic (attached) shows this restrictor in a position to affect all 3 gear. My interpretation of the Chinese schematic (also attached) shows it on the nose gear side only. Don't know which is correct or where yours is.
| | - The Matronics Yak-List Email Forum - | | | Use the List Feature Navigator to browse the many List utilities available such as the Email Subscriptions page, Archive Search & Download, 7-Day Browse, Chat, FAQ, Photoshare, and much more:
http://www.matronics.com/Navigator?Yak-List |
|
| Description: |
|
| Filesize: |
411.07 KB |
| Viewed: |
17322 Time(s) |

|
| Description: |
|
 Download |
| Filename: |
pneumatic_Chinese.pdf |
| Filesize: |
113.02 KB |
| Downloaded: |
630 Time(s) |
|
|
| Back to top |
|
 |
altman51
Joined: 17 Sep 2012 Posts: 14 Location: Savannah, GA
|
Posted: Tue Dec 22, 2015 1:19 pm Post subject: Re: Nose ear hard retract/fail to retract |
|
|
Av8ter...thanks for the info - will check it out
| | - The Matronics Yak-List Email Forum - | | | Use the List Feature Navigator to browse the many List utilities available such as the Email Subscriptions page, Archive Search & Download, 7-Day Browse, Chat, FAQ, Photoshare, and much more:
http://www.matronics.com/Navigator?Yak-List |
|
|
|
| Back to top |
|
 |
av8ter
Joined: 25 Apr 2015 Posts: 27
|
Posted: Wed Dec 23, 2015 11:12 am Post subject: Re: Nose ear hard retract/fail to retract |
|
|
For what it's worth. These restrictor plates are about the size and shape as a contact lens and have a very small hole in the center. It is real easy to undo a gear line and have it fall out and never notice it. Many times they stay tucked inside the b-nut so you have to tap it to get it loose or take a look in to see if it's there (and maybe gunked up.)
I know the parts book references it a shock absorber or something similar , but I don't believe there is a picture. Doug sells blank plates and will provide you with a nominal hole size to drill. The hole size can be changed to increase or decrease speed of retraction/extention
| | - The Matronics Yak-List Email Forum - | | | Use the List Feature Navigator to browse the many List utilities available such as the Email Subscriptions page, Archive Search & Download, 7-Day Browse, Chat, FAQ, Photoshare, and much more:
http://www.matronics.com/Navigator?Yak-List |
|
|
|
| Back to top |
|
 |
altman51
Joined: 17 Sep 2012 Posts: 14 Location: Savannah, GA
|
Posted: Wed Dec 23, 2015 12:18 pm Post subject: Re: Nose ear hard retract/fail to retract |
|
|
I have some restrictors from Doug...will look to see if II need a new one there...thanks for the reply!
| | - The Matronics Yak-List Email Forum - | | | Use the List Feature Navigator to browse the many List utilities available such as the Email Subscriptions page, Archive Search & Download, 7-Day Browse, Chat, FAQ, Photoshare, and much more:
http://www.matronics.com/Navigator?Yak-List |
|
|
|
| Back to top |
|
 |
wlannon(at)shaw.ca Guest
|
Posted: Wed Dec 23, 2015 8:44 pm Post subject: Nose ear hard retract/fail to retract |
|
|
Wayne;
Meant to respond earlier. Did you get it on jacks as Dennis suggested?
It appears you are experiencing two different problems, likely from the same
source. First: "nose gear would not retract". Second: "nose gear retracted
hard".
The first (gear wont retract) is usually due to internal failure of the
(firewall) check valve allowing main air pressure to leak into the emergency
side pressurizing the down side of the actuators. But since your problem
is nose gear only this likely does not apply.
The second (nose gear retracted hard) is totally opposite and indicates zero
back pressure in the actuator.
All I can think of that could possibly malfunction to both situations is the
nose gear emergency valves. Both should be tested and probably disassembled
for corrosion inspection. If you find something nasty here you should
consider the rest of the gear system. The air line restrictors are not the
problem.
Walt
--
| | - The Matronics Yak-List Email Forum - | | | Use the List Feature Navigator to browse the many List utilities available such as the Email Subscriptions page, Archive Search & Download, 7-Day Browse, Chat, FAQ, Photoshare, and much more:
http://www.matronics.com/Navigator?Yak-List |
|
|
|
| Back to top |
|
 |
altman51
Joined: 17 Sep 2012 Posts: 14 Location: Savannah, GA
|
Posted: Thu Dec 24, 2015 2:45 am Post subject: Re: Nose ear hard retract/fail to retract |
|
|
Will put it on jacks after Christmas and check it out ... thanks for the input will post results here
| | - The Matronics Yak-List Email Forum - | | | Use the List Feature Navigator to browse the many List utilities available such as the Email Subscriptions page, Archive Search & Download, 7-Day Browse, Chat, FAQ, Photoshare, and much more:
http://www.matronics.com/Navigator?Yak-List |
|
|
|
| Back to top |
|
 |
av8ter
Joined: 25 Apr 2015 Posts: 27
|
Posted: Sat Jan 09, 2016 10:57 am Post subject: Re: Nose ear hard retract/fail to retract |
|
|
Hi Walt, that's good info. I misread that his gear "hard retracted" thinking it was slamming up.....
| | - The Matronics Yak-List Email Forum - | | | Use the List Feature Navigator to browse the many List utilities available such as the Email Subscriptions page, Archive Search & Download, 7-Day Browse, Chat, FAQ, Photoshare, and much more:
http://www.matronics.com/Navigator?Yak-List |
|
|
|
| Back to top |
|
 |
altman51
Joined: 17 Sep 2012 Posts: 14 Location: Savannah, GA
|
Posted: Sun Jan 17, 2016 2:12 pm Post subject: Re: Nose ear hard retract/fail to retract |
|
|
Did much trouble shooting - checked pneumatics to see if air was going to all the proper places. It was. Eliminated everything that we could and concluded that Dennis, Doug and some others we right in concluding that the nose gear actuator was bad. R and R the actuator, jacked it up and retraction was perfect. The removed actuator was locked, could not get it to move. Back in Business!!!
| | - The Matronics Yak-List Email Forum - | | | Use the List Feature Navigator to browse the many List utilities available such as the Email Subscriptions page, Archive Search & Download, 7-Day Browse, Chat, FAQ, Photoshare, and much more:
http://www.matronics.com/Navigator?Yak-List |
|
|
|
| Back to top |
|
 |
jbsoar(at)gmail.com Guest
|
Posted: Sun Jan 17, 2016 3:02 pm Post subject: Nose ear hard retract/fail to retract |
|
|
Where are the potential leak points in just the compression/starting system? Â
On Sunday, January 17, 2016, altman51 <waltman51(at)comcast.net (waltman51(at)comcast.net)> wrote:
| Quote: | --> Yak-List message posted by: "altman51" <[url=javascript:;]waltman51(at)comcast.net[/url]>
Did much trouble shooting - checked pneumatics to see if air was going to all the proper places. It was. Eliminated everything that we could and concluded that Dennis, Doug and some others we right in concluding that the nose gear actuator was bad. R and R the actuator, jacked it up and retraction was perfect. The removed actuator was locked, could not get it to move. Back in Business!!!
Read this topic online here:
http://forums.matronics.com/viewtopic.php?p=452068#452068
===========
br> fts!)
r> > w.buildersbooks.com" target="_blank">www.buildersbooks.com
target="_blank">http://www.matronics.com/contribution
     -Matt Dralle, List Admin.
===========
List" target="_blank">http://www.matronics.com/Navigator?Yak-List
===========
FORUMS -
_blank">http://forums.matronics.com
===========
b Site -
     -Matt Dralle, List Admin.
target="_blank">http://www.matronics.com/contribution
===========
|
| | - The Matronics Yak-List Email Forum - | | | Use the List Feature Navigator to browse the many List utilities available such as the Email Subscriptions page, Archive Search & Download, 7-Day Browse, Chat, FAQ, Photoshare, and much more:
http://www.matronics.com/Navigator?Yak-List |
|
|
|
| Back to top |
|
 |
jblake207(at)comcast.net Guest
|
Posted: Sun Jan 17, 2016 3:06 pm Post subject: Nose ear hard retract/fail to retract |
|
|
That's great news. We need to get with Matt Lazar and do some serious flying next month. I'm open to hosting you guys or meet somewhere with the intent of knocking off the winter rust. What say you guys? JB
Sent from my Verizon Wireless 4G LTE DROID
altman51 <waltman51(at)comcast.net> wrote:
--> Yak-List message posted by: "altman51" <waltman51(at)comcast.net>
Did much trouble shooting - checked pneumatics to see if air was going to all the proper places. It was. Eliminated everything that we could and concluded that Dennis, Doug and some others we right in concluding that the nose gear actuator was bad. R and R the actuator, jacked it up and retraction was perfect. The removed actuator was locked, could not get it to move. Back in Business!!!
Read this topic online here:
http://forums.matronics.com/viewtopic.php?p=452068#452068
_-============================================================
_-=
_-= -- Please Support Your Lists This Month --
_-= (And Get Some AWESOME FREE Gifts!)
_-=
_-= November is the Annual List Fund Raiser. Click on
_-= the Contribution link below to find out more about
_-= this year's Terrific Free Incentive Gifts provided
_-= by:
_-=
_-= * The Builder's Bookstore www.buildersbooks.com
_-=
_-= List Contribution Web Site:
_-=
_-= --> http://www.matronics.com/contribution
_-=
_-= Thank you for your generous support!
_-=
_-= -Matt Dralle, List Admin.
_-=
_-============================================================
_-= - The Yak-List Email Forum -
_-= Use the Matronics List Features Navigator to browse
_-= the many List utilities such as List Un/Subscription,
_-= Archive Search & Download, 7-Day Browse, Chat, FAQ,
_-= Photoshare, and much much more:
_-=
_-= --> http://www.matronics.com/Navigator?Yak-List
_-=
_-============================================================
_-= - MATRONICS WEB FORUMS -
_-= Same great content also available via the Web Forums!
_-=
_-= --> http://forums.matronics.com
_-=
_-============================================================
_-= - List Contribution Web Site -
_-= Thank you for your generous support!
_-= -Matt Dralle, List Admin.
_-= --> http://www.matronics.com/contribution
_-============================================================
| | - The Matronics Yak-List Email Forum - | | | Use the List Feature Navigator to browse the many List utilities available such as the Email Subscriptions page, Archive Search & Download, 7-Day Browse, Chat, FAQ, Photoshare, and much more:
http://www.matronics.com/Navigator?Yak-List |
|
|
|
| Back to top |
|
 |
hess737(at)aol.com Guest
|
Posted: Sun Jan 17, 2016 3:31 pm Post subject: Nose ear hard retract/fail to retract |
|
|
I might actually have time off. Let me know when
Richard HessC 404-964-4885
On Jan 17, 2016, at 5:58 PM, Jon Blake <jblake207(at)comcast.net (jblake207(at)comcast.net)> wrote:
| Quote: | That's great news. We need to get with Matt Lazar and do some serious flying next month. I'm open to hosting you guys or meet somewhere with the intent of knocking off the winter rust. What say you guys? JB
Sent from my Verizon Wireless 4G LTE DROID
altman51 <waltman51(at)comcast.net (waltman51(at)comcast.net)> wrote:
--> Yak-List message posted by: "altman51" <waltman51(at)comcast.net (waltman51(at)comcast.net)>
Did much trouble shooting - checked pneumatics to see if air was going to all the proper places. It was. Eliminated everything that we could and concluded that Dennis, Doug and some others we right in concluding that the nose gear actuator was bad. R and R the actuator, jacked it up and retraction was perfect. The removed actuator was locked, could not get it to move. Back in Business!!!
Read this topic online here:
http://forums.matronics.com/viewtopi====================================================r's Bookstore www.buildersbooks.com-= --> ht; -Matt D==========================p; - The Yak-List Email Forum -http://forums.matron==========================p; - List Contributionp; ref="http://www.matronics.com/contribution">http://www.matronics.com/contr========================================
|
| | - The Matronics Yak-List Email Forum - | | | Use the List Feature Navigator to browse the many List utilities available such as the Email Subscriptions page, Archive Search & Download, 7-Day Browse, Chat, FAQ, Photoshare, and much more:
http://www.matronics.com/Navigator?Yak-List |
|
|
|
| Back to top |
|
 |
draftsjust417(at)gmail.co Guest
|
Posted: Sun Jan 17, 2016 4:58 pm Post subject: Nose ear hard retract/fail to retract |
|
|
Great info, thanks!
Glad to hear all is back to normal.
Justin Drafts
N280NC On Jan 17, 2016 1:33 PM, "altman51" <waltman51(at)comcast.net (waltman51(at)comcast.net)> wrote: | Quote: | --> Yak-List message posted by: "altman51" <waltman51(at)comcast.net (waltman51(at)comcast.net)>
Did much trouble shooting - checked pneumatics to see if air was going to all the proper places. It was. Eliminated everything that we could and concluded that Dennis, Doug and some others we right in concluding that the nose gear actuator was bad. R and R the actuator, jacked it up and retraction was perfect. The removed actuator was locked, could not get it to move. Back in Business!!!
Read this topic online here:
http://forums.matronics.com/viewtopic.php?p=452068#452068
===========
br> fts!)
r> > w.buildersbooks.com" rel="noreferrer" target="_blank">www.buildersbooks.com
rel="noreferrer" target="_blank">http://www.matronics.com/contribution
     -Matt Dralle, List Admin.
===========
List" rel="noreferrer" target="_blank">http://www.matronics.com/Navigator?Yak-List
===========
FORUMS -
eferrer" target="_blank">http://forums.matronics.com
===========
b Site -
     -Matt Dralle, List Admin.
rel="noreferrer" target="_blank">http://www.matronics.com/contribution
===========
|
| | - The Matronics Yak-List Email Forum - | | | Use the List Feature Navigator to browse the many List utilities available such as the Email Subscriptions page, Archive Search & Download, 7-Day Browse, Chat, FAQ, Photoshare, and much more:
http://www.matronics.com/Navigator?Yak-List |
|
|
|
| Back to top |
|
 |
Viperdoc
Joined: 19 Apr 2014 Posts: 484 Location: 08A
|
Posted: Sun Jan 17, 2016 5:18 pm Post subject: Nose ear hard retract/fail to retract |
|
|
Where do you want to meet. Not AUO. My YAK brakes do not like long down hill form taxis.
Doc
Sent from my iPad
On Jan 17, 2016, at 5:20 PM, Richard Hess <hess737(at)aol.com (hess737(at)aol.com)> wrote:
| Quote: | I might actually have time off. Let me know when
Richard HessC 404-964-4885
On Jan 17, 2016, at 5:58 PM, Jon Blake <jblake207(at)comcast.net (jblake207(at)comcast.net)> wrote:
| Quote: | That's great news. We need to get with Matt Lazar and do some serious flying next month. I'm open to hosting you guys or meet somewhere with the intent of knocking off the winter rust. What say you guys? JB
Sent from my Verizon Wireless 4G LTE DROID
altman51 <waltman51(at)comcast.net (waltman51(at)comcast.net)> wrote:
--> Yak-List message posted by: "altman51" <waltman51(at)comcast.net (waltman51(at)comcast.net)>
Did much trouble shooting - checked pneumatics to see if air was going to all the proper places. It was. Eliminated everything that we could and concluded that Dennis, Doug and some others we right in concluding that the nose gear actuator was bad. R and R the actuator, jacked it up and retraction was perfect. The removed actuator was locked, could not get it to move. Back in Business!!!
Read this topic online here:
http://forums.matronics.com/viewtopi====================================================r's Bookstore www.buildersbooks.com-= --> ht; -Matt D==========================p; - The Yak-List Email Forum -http://forums.matron==========================p; - List Contributionp; ref="http://www.matronics.com/contribution">http://www.matronics.com/contr========================================
|
|
| | - The Matronics Yak-List Email Forum - | | | Use the List Feature Navigator to browse the many List utilities available such as the Email Subscriptions page, Archive Search & Download, 7-Day Browse, Chat, FAQ, Photoshare, and much more:
http://www.matronics.com/Navigator?Yak-List |
|
_________________ Viperdoc |
|
| Back to top |
|
 |
|
|
You cannot post new topics in this forum You cannot reply to topics in this forum You cannot edit your posts in this forum You cannot delete your posts in this forum You cannot vote in polls in this forum You cannot attach files in this forum You can download files in this forum
|
Powered by phpBB © 2001, 2005 phpBB Group
|