 |
Matronics Email Lists Web Forum Interface to the Matronics Email Lists
|
| View previous topic :: View next topic |
| Author |
Message |
Valin
Joined: 13 Apr 2010 Posts: 31 Location: Colorado
|
Posted: Sat Dec 28, 2013 12:58 pm Post subject: Source for Relay – DPDT (On) Off (On) ? |
|
|
Hey gang,
Can anyone help me find a source for this type relay – DPDT (On) Off (On), 28 VDC, Max 15 Amps? Online I can find plenty of DPDT relays but not with the (On) Off (On) throw…
I’m trying to make the VPX’s flap controls circuit/logic work with the Lancair Legacy’s flap circuitry that provides motor braking at the limits by grounding both sides of the motor.
Thanks,
Valin Thorn
Lancair Legacy Project
Boulder, Colorado
| | - The Matronics AeroElectric-List Email Forum - | | | Use the List Feature Navigator to browse the many List utilities available such as the Email Subscriptions page, Archive Search & Download, 7-Day Browse, Chat, FAQ, Photoshare, and much more:
http://www.matronics.com/Navigator?AeroElectric-List |
|
|
|
| Back to top |
|
 |
Valin
Joined: 13 Apr 2010 Posts: 31 Location: Colorado
|
Posted: Sat Dec 28, 2013 9:35 pm Post subject: Re: Source for Relay – DPDT (On) Off (On) ? |
|
|
Here's more detail in what I'm trying to accomplish in trying to use the VPX and its flap control features with the motor breaking circuitry of the Lancair Legacy flap control mechanism.
The good things the VPX does for flap control is not allow deployment above the maximum flap extended speed, incremental deployment/retraction with flap momentary switch activation, and read/display its position.
The VPX controls the flap motor by changing the polarity of the outputs driving the flap motor.
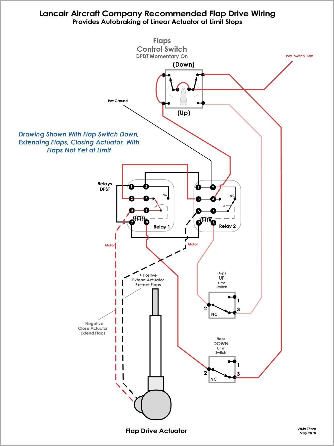
The Legacy's flap control circuitry, with motor braking (grounding both sides) when not driving the motor or at its deploy and retraction limits, drives the motor in different direction at the flap switch (DPDT (Retract) Off (Deploy)) with the positive electrical connection to both the retract and deploy circuits. See attachment. This is much the way Bob N. showed how to do it where he was switching the ground.
So it seems that with the VPS sending out motor commands just directly changing the polarity that it could be hooked up to a Relay replacing the manual flap switch function DPDT (On) Off (On). But as some have pointed out, there's apparently no such animal.
I'm not sure how to take the changing flap control polarity coming out of the VPX and set up two relays to achieve the same result in the Lancair wiring of the DPDT flap control switch. I'm at novice at this but will think about it some more tomorrow. If anyone can suggest a specific solution to this interesting challenge I’d sure appreciate it.
Thanks,
Valin
| | - The Matronics AeroElectric-List Email Forum - | | | Use the List Feature Navigator to browse the many List utilities available such as the Email Subscriptions page, Archive Search & Download, 7-Day Browse, Chat, FAQ, Photoshare, and much more:
http://www.matronics.com/Navigator?AeroElectric-List |
|
| Description: |
| Lancair Legacy Flap Control Circuit Design with Motor Braking |
|
| Filesize: |
177.74 KB |
| Viewed: |
3173 Time(s) |

|
|
|
| Back to top |
|
 |
|
|
You cannot post new topics in this forum You cannot reply to topics in this forum You cannot edit your posts in this forum You cannot delete your posts in this forum You cannot vote in polls in this forum You cannot attach files in this forum You can download files in this forum
|
Powered by phpBB © 2001, 2005 phpBB Group
|