 |
Matronics Email Lists Web Forum Interface to the Matronics Email Lists
|
| View previous topic :: View next topic |
| Author |
Message |
idleup
Joined: 06 Aug 2011 Posts: 19
|
Posted: Tue Apr 30, 2013 9:17 am Post subject: Feedback Request on Push-to-talk circuit... |
|
|
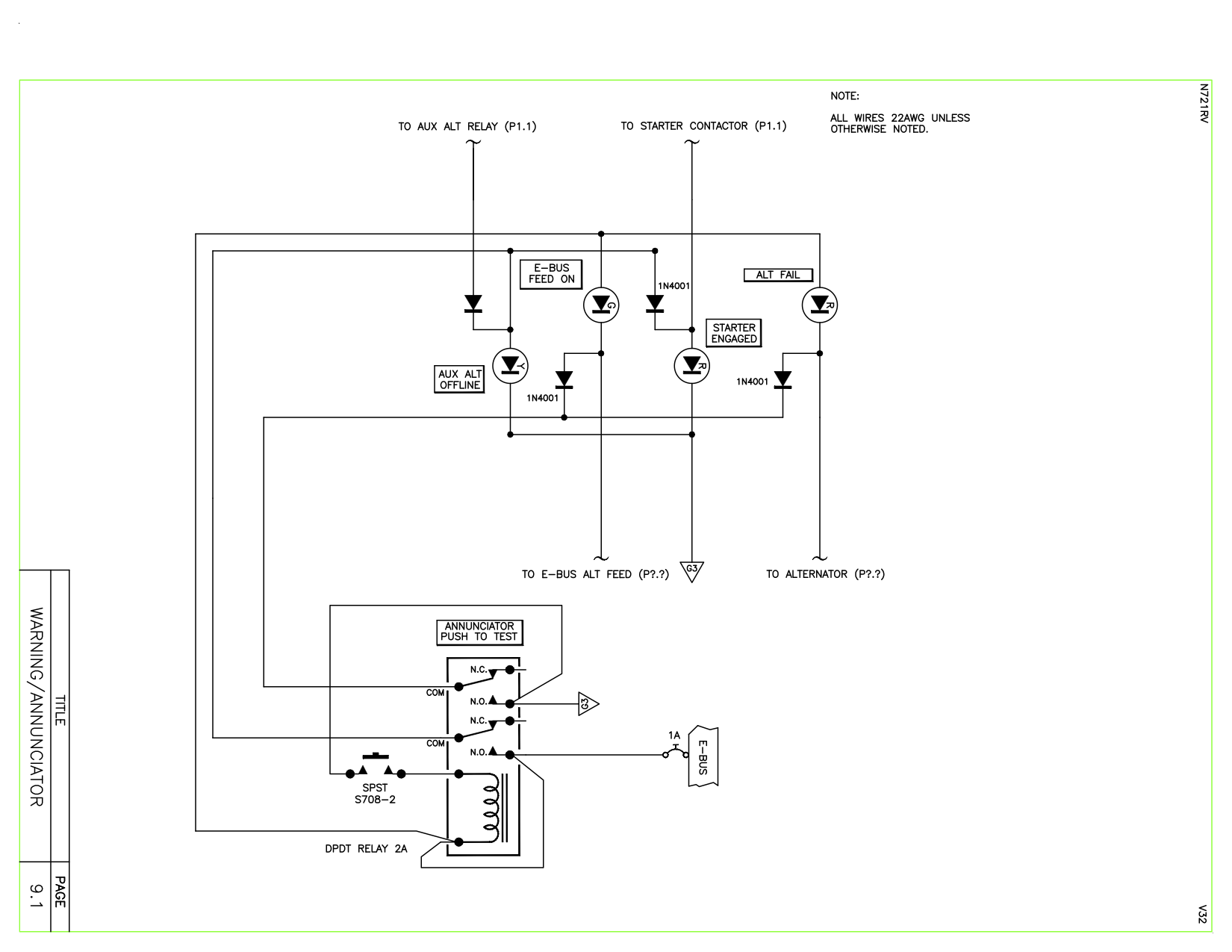
Would you guys be so kind as to tell me if the attach wiring diagram looks like it will work? I just need a simple push to test circuit for a few LED's I have. Thanks.
- Matt
| | - The Matronics AeroElectric-List Email Forum - | | | Use the List Feature Navigator to browse the many List utilities available such as the Email Subscriptions page, Archive Search & Download, 7-Day Browse, Chat, FAQ, Photoshare, and much more:
http://www.matronics.com/Navigator?AeroElectric-List |
|
| Description: |
|
| Filesize: |
128.56 KB |
| Viewed: |
4691 Time(s) |

|
|
|
| Back to top |
|
 |
sprocket(at)vx-aviation.c Guest
|
Posted: Tue Apr 30, 2013 11:45 am Post subject: Feedback Request on Push-to-talk circuit... |
|
|
Hi Matt, I'm happy to help with this.
First, I think that you need a few more isolating diodes. I don't know the
characteristics of some of the inputs, so there is a possibility that they
may provide a current path to ground (or power) when the push to test
function is active. If you want more details, I could draw it up, but I
think you can figure it out.
However, and this is a big issue, you have a push to test function that
checks whether reliable LEDs are functioning with an unreliable mechanical
device... the relay. It is 10 to 100 times more likely to fail than the
circuits you are testing. You are better off not having the push to test
function at all.
A better and more reliable solution if you want the test function is to get
one of these:
http://store.makerplane.org/annunciator-controller-il-4a/
It solves all of your problems.
Vern
--
| | - The Matronics AeroElectric-List Email Forum - | | | Use the List Feature Navigator to browse the many List utilities available such as the Email Subscriptions page, Archive Search & Download, 7-Day Browse, Chat, FAQ, Photoshare, and much more:
http://www.matronics.com/Navigator?AeroElectric-List |
|
|
|
| Back to top |
|
 |
idleup
Joined: 06 Aug 2011 Posts: 19
|
Posted: Tue Apr 30, 2013 12:23 pm Post subject: Re: Feedback Request on Push-to-talk circuit... |
|
|
Thank you Vern, I appreciate your responding. I did not know the relay was such an unreliable device. I really do not want to spend $150 to test some LED lights (I am going to have more than 4). None of them are attached to sensors, they are all either power or ground switched 12v LEDs. I was going to look at the schematics for the device you linked too but the link to the open source files is broken, do you know a link that works?
Also, do you think that a transistor based solution is more reliable than a relay? A while back Bob posted a drawing he did that used two transistors and four resistors to achieve the same one button design I did with a relay (see attached).
Also, would the isolating diodes you referred to go on the other input line? I saw a design with those in there but did not understand why they were necessary...
Let me know what you think...
- Matt
| sprocket(at)vx-aviation.c wrote: | Hi Matt, I'm happy to help with this.
First, I think that you need a few more isolating diodes. I don't know the
characteristics of some of the inputs, so there is a possibility that they
may provide a current path to ground (or power) when the push to test
function is active. If you want more details, I could draw it up, but I
think you can figure it out.
However, and this is a big issue, you have a push to test function that
checks whether reliable LEDs are functioning with an unreliable mechanical
device... the relay. It is 10 to 100 times more likely to fail than the
circuits you are testing. You are better off not having the push to test
function at all.
A better and more reliable solution if you want the test function is to get
one of these:
http://store.makerplane.org/annunciator-controller-il-4a/
It solves all of your problems.
Vern
-- |
| | - The Matronics AeroElectric-List Email Forum - | | | Use the List Feature Navigator to browse the many List utilities available such as the Email Subscriptions page, Archive Search & Download, 7-Day Browse, Chat, FAQ, Photoshare, and much more:
http://www.matronics.com/Navigator?AeroElectric-List |
|
| Description: |
|
 Download |
| Filename: |
One-Button_PTT_for_PU-PD_Annunciation_Cluster.pdf |
| Filesize: |
113.88 KB |
| Downloaded: |
430 Time(s) |
|
|
| Back to top |
|
 |
|
|
You cannot post new topics in this forum You cannot reply to topics in this forum You cannot edit your posts in this forum You cannot delete your posts in this forum You cannot vote in polls in this forum You cannot attach files in this forum You can download files in this forum
|
Powered by phpBB © 2001, 2005 phpBB Group
|