 |
Matronics Email Lists Web Forum Interface to the Matronics Email Lists
|
| View previous topic :: View next topic |
| Author |
Message |
djwild2(at)hotmail.com Guest
|
Posted: Tue Sep 02, 2008 6:00 pm Post subject: Fuel line routing |
|
|
I have a Model 1 (532) with two 6 gal wing tanks and 1 one gallon aluminum header tank mounted on the firewall. The fuel lines run out of the wing tanks thru an on/off valve across to the other side behind the seats down under the door and up to the top of the header tank on the firewall. At times I notice air in the line as it comes out of the fuel tanks. It also doesn't use fuel out of both tanks evenly even when both valves are on. I just read an old service bulletin on this subject and appears to me to be a problem. Also the header tank has a vent tub that runs thru the firewall should this be open at all times or closed?? Any help here would be appreciated
Thanks Dan Wild
[quote][b]
| | - The Matronics Kitfox-List Email Forum - | | | Use the List Feature Navigator to browse the many List utilities available such as the Email Subscriptions page, Archive Search & Download, 7-Day Browse, Chat, FAQ, Photoshare, and much more:
http://www.matronics.com/Navigator?Kitfox-List |
|
|
|
| Back to top |
|
 |
msm_9949(at)yahoo.com Guest
|
Posted: Wed Sep 03, 2008 5:38 am Post subject: Fuel line routing |
|
|
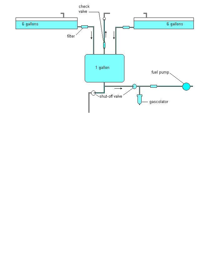
Hi Dan. I have two 6 gal wing tanks and a header behind the seat. Each wing tank flows into the header and the header feeds the engine. Everything runs downhill. The wing tank levels equalize nicely in this configuration.
The header tank is vented to the outside of the cabin. There is an in-line valve in this vent that is open for fueling (to bleed air from header during pre-flight) and closed for flight. (I tried an Andair check valve here first but it did not stop fuel from being sucked out into the slipstream). So far all this has all worked very well. I've attached an illustration. The gascolator is really superfluous but harmless and easier to leave in than to remove.
Marco Menezes N99KX
Model 2 582-90 C-Box
--- On Tue, 9/2/08, Daniel Wild <djwild2(at)hotmail.com> wrote:
| Quote: | From: Daniel Wild <djwild2(at)hotmail.com>
Subject: Fuel line routing
To: "kitfox list matronics" <kitfox-list(at)matronics.com>
Date: Tuesday, September 2, 2008, 9:59 PM
I have a Model 1 (532) with two 6 gal wing tanks and 1 one gallon aluminum header tank mounted on the firewall. The fuel lines run out of the wing tanks thru an on/off valve across to the other side behind the seats down under the door and up to the top of the header tank on the firewall. At times I notice air in the line as it comes out of the fuel tanks. It also doesn't use fuel out of both tanks evenly even when both valves are on. I just read an old service bulletin on this subject and appears to me to be a problem. Also the header tank has a vent tub that runs thru the firewall should this be open at all times or closed?? Any help here would be appreciated
Thanks Dan Wild
|
| | - The Matronics Kitfox-List Email Forum - | | | Use the List Feature Navigator to browse the many List utilities available such as the Email Subscriptions page, Archive Search & Download, 7-Day Browse, Chat, FAQ, Photoshare, and much more:
http://www.matronics.com/Navigator?Kitfox-List |
|
| Description: |
|
| Filesize: |
24.41 KB |
| Viewed: |
250 Time(s) |

|
|
|
| Back to top |
|
 |
mikeperkins

Joined: 22 May 2007 Posts: 123
|
Posted: Wed Sep 03, 2008 6:41 am Post subject: Fuel line routing |
|
|
Hi Dan,
I build a Model I with this arrangement. There has always been a little confusion about it. The bleed valve atop the firewall header tank is used to purge the air out of the tank during preflight. It’s kind of a messy operation. But if the valve were left open, the air would all leave and fuel would pour out continuously because the tanks feeding it are higher. In later designs, Denny Aerocraft routed this vent, without a valve, to a line that returned to one of the wing tanks. However, your arrangement will work fine, but you have to remember to purge the tank. One Model II friend of mine had a forced landing because he wasn’t regularly purging it.
It’s true that fuel does not drain evenly from the tanks in early Kitfoxes – tiny pressure differences between the tanks and small differences in fuel line resistance causes this unevenness of flow. It turns out that one tank will nearly empty before the other one starts catching up, but doesn’t cause any problems - the engine feeds off the header tank just fine.
Two other things blocked fuel in early Kitfoxes that caused engine stoppages. One was the “uphill” hose routing at the wing root, forwards above the door. The other was locating the tank shutoff valves before any vertical drop of the fuel line. Not only does fuel not like to be sucked uphill, but air gets trapped in unsmooth places like a valve where head pressure isn’t great enough to overcome it. Both these issues, the uphill travel and the shutoff valve placement, were identified by Denny Aerocraft as problems that needed to be fixed.
In later designs, the header tank was moved behind the seat and vented with a line to an upper fitting on one of the fuel tanks, no bleed valve needed. This arrangement allowed for some head pressure before going through any shutoff valve. It also ensured there was no uphill run before reaching the header tank. I’ve flown this improved arrangement for 350 hours without any problems.
However, I believe your arrangement can work fine if you do three things:
<![if !supportLists]>1) <![endif]>Purge the air every day before flight.
<![if !supportLists]>2) <![endif]>Move any shutoff valves located at the wing root to a lower location to get some head pressure going into the valves.
<![if !supportLists]>3) <![endif]>Route any over-the-door fuel lines to run more or less straight down behind the seat to get some head pressure before going uphill along the floorboard and then to the header tank. Although this route is more circuitous, the fuel will appreciate the extra head pressure before it tries going uphill.
Because gravity-fed fuel pressures are so small, literally hundredths of a pound, it doesn’t behave like house plumbing. It’s more like rain water running down a sidewalk – it’s easily diverted or stopped. Another thing I recommend against is the use of T fittings in gravity-fed fuel systems. Fuel easily gets trapped at junction by an air bubble - it’s much better to use a Y fitting.
Mike Perkins
217-725-0628
[quote][b]
| | - The Matronics Kitfox-List Email Forum - | | | Use the List Feature Navigator to browse the many List utilities available such as the Email Subscriptions page, Archive Search & Download, 7-Day Browse, Chat, FAQ, Photoshare, and much more:
http://www.matronics.com/Navigator?Kitfox-List |
|
|
|
| Back to top |
|
 |
Tom Jones

Joined: 12 Mar 2006 Posts: 752 Location: Ellensburg, WA
|
Posted: Wed Sep 03, 2008 5:56 pm Post subject: Re: Fuel line routing |
|
|
Mike, that is the best explanation of what affects fuel flow from the wing tanks I have read in the 14 years I have been a kitfox owner.
I have a wing tank plumbed into a clear panel tank. I have tried every fuel line route possible from the wing to the panel and have come to the conclusion that there is no good way to route it above the door and down to the panel tank. I end up in almost knife flight to drain the last two gallons out of the wing.
I think I will go back to the down under the seat and back up route.
| | - The Matronics Kitfox-List Email Forum - | | | Use the List Feature Navigator to browse the many List utilities available such as the Email Subscriptions page, Archive Search & Download, 7-Day Browse, Chat, FAQ, Photoshare, and much more:
http://www.matronics.com/Navigator?Kitfox-List |
|
_________________ Tom Jones
Classic IV
503 Rotax, 72 inch Two blade Warp
Ellensburg, WA |
|
| Back to top |
|
 |
dave

Joined: 22 Sep 2006 Posts: 1382
|
Posted: Thu Sep 04, 2008 2:30 am Post subject: Re: Fuel line routing |
|
|
| Quote: | I have a wing tank plumbed into a clear panel tank. I have tried every fuel line route possible from the wing to the panel and have come to the conclusion that there is no good way to route it above the door and down to the panel tank. I end up in almost knife flight to drain the last two gallons out of the wing.
I think I will go back to the down under the seat and back up route. |
Tom, I agree. I have a shut off on each wing tank then they meet at a "T". Right after that is a facet fuel pump. I have a switch to turn that on and it quickly pumps the wing tank into the dash tank. ABout 2 litres or 5 US gal. The pump is to quicken the flow rate only , the pitot pressure will transfer the fuel from the wingtank to the dash tank at a rate higher that the burn rate.
Works well for me and with independat tank controls , I can dump one tank at a time. My fuel flow meter ( NAVMAN 2100 is very accurate) and just another accessory that helps fuel management.
One thing I do not do is transfer fuel during take off in the event that air some how got forced into the fuel line to the gascolator.
Dave
| | - The Matronics Kitfox-List Email Forum - | | | Use the List Feature Navigator to browse the many List utilities available such as the Email Subscriptions page, Archive Search & Download, 7-Day Browse, Chat, FAQ, Photoshare, and much more:
http://www.matronics.com/Navigator?Kitfox-List |
|
_________________ Realtime Kitfox movies to separate the internet chatter from the truth
http://www.youtube.com/user/kitfoxflyer
Hundreds of Kitfox Movies
Most viewed Kitfox on youtube
Most popular on youtube
Highest rated on youtube |
|
| Back to top |
|
 |
|
|
You cannot post new topics in this forum You cannot reply to topics in this forum You cannot edit your posts in this forum You cannot delete your posts in this forum You cannot vote in polls in this forum You cannot attach files in this forum You can download files in this forum
|
Powered by phpBB © 2001, 2005 phpBB Group
|