 |
Matronics Email Lists Web Forum Interface to the Matronics Email Lists
|
| View previous topic :: View next topic |
| Author |
Message |
rowlandcarson(at)gmail.co Guest
|
Posted: Mon Dec 03, 2012 2:53 am Post subject: what wire/cable to use for rotax magneto p-leads |
|
|
My Rotax 912S did not come with leads for killing the mags (what are normally called p-leads in standard aircraft practice). I almost bought some screened cable that was on special offer at the LAA Rally, but couldn't get any assurance from the vendor that it would be suitable for leads to the mag switches - ie sufficiently high voltage rating.
Is there any recommendation for a type of cable to use for the leads to the Rotax mag switches? Or can anyone tell me what the voltage rating for mag leads ought to be?
in friendship
Rowland
| Rowland Carson ... that's Rowland with a 'w' ...
| <rowlandcarson(at)gmail.com> http://www.rowlandcarson.org.uk
| Skype, Twitter: rowland_carson Facebook: Rowland Carson
| pictures: http://picasaweb.google.com/rowlandcarson
| | - The Matronics Europa-List Email Forum - | | | Use the List Feature Navigator to browse the many List utilities available such as the Email Subscriptions page, Archive Search & Download, 7-Day Browse, Chat, FAQ, Photoshare, and much more:
http://www.matronics.com/Navigator?Europa-List |
|
|
|
| Back to top |
|
 |
christoph.both(at)acadiau Guest
|
Posted: Mon Dec 03, 2012 3:58 am Post subject: what wire/cable to use for rotax magneto p-leads |
|
|
Rowland:
Best to call your Rotax Dealer to see if they have the two small pins you
need to insert into the Molex Type ignition module connector box. In
Canada it was recommended to use a minimum of 18AWG shielded aircraft type
wire. My Rotax came with two pins you need to insert into the not yet
filled and marked "br" brown section of the Molex Type fastener mounted to
each of the ignition modules. You need a good crimping tool to make the
connection to the wire and I would use shrink wrap to lessen vibration
problems between wire and fastener. Make sure the wire is routed without
too much tension and well supported. Rotax specifies that both ends of the
shielded wire be grounded and that the wire be routed as much as possible
away from other wires, antennas, etc. to minimize interference. I am using
a separate through the firewall conduit to allow this.
Christoph Both
#223 Classic 912S,finalizing CLASSIC engine installation
Wolfville, Nova Scotia, Canada
On 12-12-03 6:52 AM, "Rowland Carson" <rowlandcarson(at)gmail.com> wrote:
| Quote: |
<rowlandcarson(at)gmail.com>
My Rotax 912S did not come with leads for killing the mags (what are
normally called p-leads in standard aircraft practice). I almost bought
some screened cable that was on special offer at the LAA Rally, but
couldn't get any assurance from the vendor that it would be suitable for
leads to the mag switches - ie sufficiently high voltage rating.
Is there any recommendation for a type of cable to use for the leads to
the Rotax mag switches? Or can anyone tell me what the voltage rating for
mag leads ought to be?
in friendship
Rowland
| Rowland Carson ... that's Rowland with a 'w' ...
| <rowlandcarson(at)gmail.com> http://www.rowlandcarson.org.uk
| Skype, Twitter: rowland_carson Facebook: Rowland Carson
| pictures: http://picasaweb.google.com/rowlandcarson
|
| | - The Matronics Europa-List Email Forum - | | | Use the List Feature Navigator to browse the many List utilities available such as the Email Subscriptions page, Archive Search & Download, 7-Day Browse, Chat, FAQ, Photoshare, and much more:
http://www.matronics.com/Navigator?Europa-List |
|
|
|
| Back to top |
|
 |
rowlandcarson(at)gmail.co Guest
|
Posted: Mon Dec 03, 2012 5:18 am Post subject: what wire/cable to use for rotax magneto p-leads |
|
|
On 3 Dec 2012, at 11:57, Christoph Both wrote:
| Quote: | Best to call your Rotax Dealer to see if they have the two small pins you
need to insert into the Molex Type ignition module connector box
|
Christoph - thanks for your message. I've got the blank pins that came with the engine, and an assortment of crimping tools, one of which I'm sure will be equal to the task.
I'm concerned about whether "ordinary" screened aircraft cable will be OK for the high voltages (thousands of volts) that appear in ignition circuits. In my youth I was involved in the development of colour TV for UK transmission and so did some poking around in boxes that had 30kV lurking inside. I was impressed by the way such voltages could walk across things that I have previously regarded as insulators. Similarly, (before I switched to driving a diesel car) I've been amused by the capability of car ignition voltages to find a route to earth that did NOT involve the appropriate spark plug. So, I am approaching this question with some respect for the physics involved.
in friendship
Rowland
| Rowland Carson ... that's Rowland with a 'w' ...
| <rowlandcarson(at)gmail.com> http://www.rowlandcarson.org.uk
| Skype, Twitter: rowland_carson Facebook: Rowland Carson
| pictures: http://picasaweb.google.com/rowlandcarson
| | - The Matronics Europa-List Email Forum - | | | Use the List Feature Navigator to browse the many List utilities available such as the Email Subscriptions page, Archive Search & Download, 7-Day Browse, Chat, FAQ, Photoshare, and much more:
http://www.matronics.com/Navigator?Europa-List |
|
|
|
| Back to top |
|
 |
christoph.both(at)acadiau Guest
|
Posted: Mon Dec 03, 2012 5:37 am Post subject: what wire/cable to use for rotax magneto p-leads |
|
|
I am planning to use a small diameter grounding strap conduit to run the
shielded 18AWG wires in, similar to the Rotax shielded AC power coming
from the engine. This should contain any problems.
C
On 12-12-03 9:18 AM, "Rowland Carson" <rowlandcarson(at)gmail.com> wrote:
| Quote: |
<rowlandcarson(at)gmail.com>
On 3 Dec 2012, at 11:57, Christoph Both wrote:
> Best to call your Rotax Dealer to see if they have the two small pins
>you
> need to insert into the Molex Type ignition module connector box
Christoph - thanks for your message. I've got the blank pins that came
with the engine, and an assortment of crimping tools, one of which I'm
sure will be equal to the task.
I'm concerned about whether "ordinary" screened aircraft cable will be OK
for the high voltages (thousands of volts) that appear in ignition
circuits. In my youth I was involved in the development of colour TV for
UK transmission and so did some poking around in boxes that had 30kV
lurking inside. I was impressed by the way such voltages could walk
across things that I have previously regarded as insulators. Similarly,
(before I switched to driving a diesel car) I've been amused by the
capability of car ignition voltages to find a route to earth that did NOT
involve the appropriate spark plug. So, I am approaching this question
with some respect for the physics involved.
in friendship
Rowland
| Rowland Carson ... that's Rowland with a 'w' ...
| <rowlandcarson(at)gmail.com> http://www.rowlandcarson.org.uk
| Skype, Twitter: rowland_carson Facebook: Rowland Carson
| pictures: http://picasaweb.google.com/rowlandcarson
|
| | - The Matronics Europa-List Email Forum - | | | Use the List Feature Navigator to browse the many List utilities available such as the Email Subscriptions page, Archive Search & Download, 7-Day Browse, Chat, FAQ, Photoshare, and much more:
http://www.matronics.com/Navigator?Europa-List |
|
|
|
| Back to top |
|
 |
frans(at)privatepilots.nl Guest
|
Posted: Mon Dec 03, 2012 7:34 am Post subject: what wire/cable to use for rotax magneto p-leads |
|
|
On 12/03/2012 11:52 AM, Rowland Carson wrote:
| Quote: | My Rotax 912S did not come with leads for killing the mags (what are
normally called p-leads in standard aircraft practice). I almost
bought some screened cable that was on special offer at the LAA
Rally, but couldn't get any assurance from the vendor that it would
be suitable for leads to the mag switches - ie sufficiently high
voltage rating.
|
I recently wrote a private message to someone else about this subject.
You may be interested in it:
I have not earthed it at all, I even didn't use shielded cable. I think
the diagram only shows it that way because it makes a less confusing
drawing. The whole point of the diagram is that you need to connect the
ignition wire to ground in order to kill the ignition. If you have a
ground bus in the cockpit anyway (I'm sure you have), you should use
that to connect to the switch, and just run a standard non shielded
cable from the ignition to the switch.
(Shielding is necessary for cables which carry radio signals or are
sensitive for picking up noise, your ignition wire doesn't fit into
either category).
If your starter switch is already connected somehow to ground, you
should NOT connect both ends of the shield! Otherwise the shield of the
ignition wire will act as a shortcut for the other ground connection.
This might route heavy currents through the shield, it may get hot and
melt the insulation between the two layers, stopping the engine! In
other words, from the starter switch there may only be ONE path to ground.
So, it is either that you connect the starter switch to ground via the
ignition shield, or that you connect the starter switch via another path
to ground, but not both at the same time. Explaining this goes a long
way, trust me on this.
I would recommend option 2, to connect the starter switch to some ground
bus bar somewhere in the cockpit, and forget the whole shield, or
connect only one end of the shield in case you really insist to have the
shield.
Use plastic ty wraps or some other
"soft" way to keep the cable in place. Preferably use some sleeve at the
places where you clamp it with the ty wraps, to avoid any stress points,
chafing, etc. This is a very important wire, if it connects somehow to
ground your engine will stop. Securing it with a metal screw is
dangerous, the metal screw may work its way through the cable connecting
the shield to the core, and this effectively stops the engine.
Just give the starter switch its own ground connection, and run a normal
teflon wire in one piece from the engine terminal to the switch,
securing that cable at strategic places with ty wraps, making sure it
can never chafe even if the engine starts vibrating madly. Remember,
earthing it kills the ignition, so if the insulation chafes through and
the metal wire inside touches any metal object connected to ground, your
engine will stop.
If you feel unsure about soldering or routing the cable, or lack the
correct tools, seek professional help. This is not a cable to fool with.
Frans
| | - The Matronics Europa-List Email Forum - | | | Use the List Feature Navigator to browse the many List utilities available such as the Email Subscriptions page, Archive Search & Download, 7-Day Browse, Chat, FAQ, Photoshare, and much more:
http://www.matronics.com/Navigator?Europa-List |
|
|
|
| Back to top |
|
 |
frans(at)privatepilots.nl Guest
|
Posted: Mon Dec 03, 2012 7:40 am Post subject: what wire/cable to use for rotax magneto p-leads |
|
|
On 12/03/2012 02:18 PM, Rowland Carson wrote:
| Quote: | I'm concerned about whether "ordinary" screened aircraft cable will
be OK for the high voltages (thousands of volts) that appear in
ignition circuits.
|
We are not talking here about the HT-leads to the spark plugs, but about
the ignition kill wire.
| Quote: | In my youth I was involved in the development of
colour TV for UK transmission and so did some poking around in boxes
that had 30kV lurking inside. I was impressed by the way such
voltages could walk across things that I have previously regarded as
insulators.
|
I'm sure you must have been impressed , but the Rotax ignition kill
circuit is far from comparable to the 30kV of your colour TV's. It is
just low voltage.
Frans
| | - The Matronics Europa-List Email Forum - | | | Use the List Feature Navigator to browse the many List utilities available such as the Email Subscriptions page, Archive Search & Download, 7-Day Browse, Chat, FAQ, Photoshare, and much more:
http://www.matronics.com/Navigator?Europa-List |
|
|
|
| Back to top |
|
 |
brian.davies(at)clara.co. Guest
|
Posted: Mon Dec 03, 2012 8:39 am Post subject: what wire/cable to use for rotax magneto p-leads |
|
|
Hi Rowland,
I used standard aircraft grade screened cable and have not had any problems.
As the ignition modules are not really magnetos I suspect we are simply
controlling a transistor.
Regards
Brian
--
| | - The Matronics Europa-List Email Forum - | | | Use the List Feature Navigator to browse the many List utilities available such as the Email Subscriptions page, Archive Search & Download, 7-Day Browse, Chat, FAQ, Photoshare, and much more:
http://www.matronics.com/Navigator?Europa-List |
|
|
|
| Back to top |
|
 |
rowlandcarson(at)gmail.co Guest
|
Posted: Mon Dec 03, 2012 10:53 am Post subject: what wire/cable to use for rotax magneto p-leads |
|
|
On 3 Dec 2012, at 15:34, Frans Veldman wrote:
| Quote: | I have not earthed it at all, I even didn't use shielded cable. I think
the diagram only shows it that way because it makes a less confusing
drawing. The whole point of the diagram is that you need to connect the
ignition wire to ground in order to kill the ignition
|
Frans - thanks for your message.
Yes, I appreciate that the purpose of the "P-lead" is to allow the ignition to be short-circuited to earth and so prevent sparks at the plugs - much the same as that bit of bent metal you sometimes see on lawnmower engines (which also tend to have magneto ignition) that shorts the top of the spark plug to the case. Of course that is working on the HT side of the circuit and I understand now that "P-leads" are usually connected to the LT side.
I understand that a screened wire is used to prevent radiation of electromagnetic interference from the ignition circuit; as the LT circuit is opened and closed each time a spark is required at a plug, the resulting transients can cause radiation even though the voltage may not be as high as on the HT (spark plug) side.
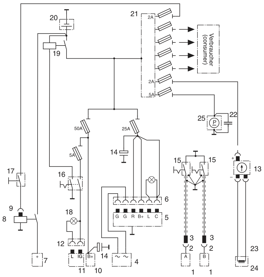
Brian Davies' reply to my posting, and other offline communications, indicate that the voltages appearing on the inner of the Rotax "P-lead" are quite low and so may not have much potential (pun intended) to generate interference as a traditional magneto installation. But the official Rotax electrical installation diagram (see attached) calls for screened wires (and even for the switch cases to be screened) so I see no reason to invite possible interference by ignoring that advice!
Thanks for all the responses on this topic - I'm now happy to use standard aircraft-grade screened cable for the ignition kill switch connexions as there is no EHT voltage involved.
in friendship
Rowland
| Rowland Carson ... that's Rowland with a 'w' ...
| <rowlandcarson(at)gmail.com> http://www.rowlandcarson.org.uk
| Skype, Twitter: rowland_carson Facebook: Rowland Carson
| pictures: http://picasaweb.google.com/rowlandcarson
| | - The Matronics Europa-List Email Forum - | | | Use the List Feature Navigator to browse the many List utilities available such as the Email Subscriptions page, Archive Search & Download, 7-Day Browse, Chat, FAQ, Photoshare, and much more:
http://www.matronics.com/Navigator?Europa-List |
|
| Description: |
|
| Filesize: |
79.77 KB |
| Viewed: |
12002 Time(s) |

|
|
|
| Back to top |
|
 |
frans(at)privatepilots.nl Guest
|
Posted: Mon Dec 03, 2012 12:34 pm Post subject: what wire/cable to use for rotax magneto p-leads |
|
|
On 12/03/2012 07:53 PM, Rowland Carson wrote:
| Quote: | installation. But the official Rotax electrical installation diagram
(see attached) calls for screened wires (and even for the switch
cases to be screened) so I see no reason to invite possible
interference by ignoring that advice!
|
The official Rotax electrical installation diagram assumes that you
don't have a ground connection at the switch end of your setup.
Make sure you meet that assumption, or very unpleasant things can
happen. This means that you have to double check that no ground wire,
metal bracket, or whatever is attached to the ignition switch in any way.
Also, I still feel that the risk of accidentially shorting the ignition
wire to ground (with engine stoppage as a result) is higher in a
screened wire than in an unscreened wire. Sometimes aircraft
manufacturers follow a standard approach without considering other
options, options that might be better in that specific situation.
The screened ignition wire really is a Lycosaurus thing.
Anyway, a sensible compromise might be to use the screened wire, but to
keep one of the ends of the screen disconnected, and to run a separate
ground cable to the ignition switch. This to avoid any possibility of
running ground currents through the screen, which might melt the core
and screen together, leading to engine stoppage.
If I would ever get corrosion on my battery or alternator ground
connection, I would prefer a failure of my electrical system but with
the engine still running, than the ignition screen taking over the
ground connection for a short while before melting everything together,
and giving me an electrical failure PLUS an engine stoppage.
Frans
| | - The Matronics Europa-List Email Forum - | | | Use the List Feature Navigator to browse the many List utilities available such as the Email Subscriptions page, Archive Search & Download, 7-Day Browse, Chat, FAQ, Photoshare, and much more:
http://www.matronics.com/Navigator?Europa-List |
|
|
|
| Back to top |
|
 |
rowlandcarson(at)gmail.co Guest
|
Posted: Mon Dec 03, 2012 2:07 pm Post subject: what wire/cable to use for rotax magneto p-leads |
|
|
On 3 Dec 2012, at 20:33, Frans Veldman wrote:
| Quote: | The official Rotax electrical installation diagram assumes that you
don't have a ground connection at the switch end of your setup.
Make sure you meet that assumption, or very unpleasant things can
happen. This means that you have to double check that no ground wire,
metal bracket, or whatever is attached to the ignition switch in any way.
|
Frans - thanks for your reply.
I don't want to keep flogging a dead horse as I think I have a satisfactory answer to my original question.
But it seems the diagram I attached to my earlier posting did not make it to the list (for some unknown reason I didn't get an echo of the message myself so can't be sure), and it clearly showed earth connexions to the 2 wire screens and the 2 switch cases as well as to the 2 normally-open poles of the A & B switches. So, I have some difficulty understanding why you say that Rotax assumes no earth at the switch end of the "p-leads".
The basic electrical circuit diagram in chapter 25 of the Europa builder manual, although slightly different in detail from the one in the Rotax manual, also calls for the screens on the magneto wires to be earthed at both ends.
In Bob Nuckolls' widely-respected AeroElectric Connexion, his wiring diagrams show the leads to the mags shielded and grounded at the switch end.
| Quote: | If I would ever get corrosion on my battery or alternator ground
connection, I would prefer a failure of my electrical system but with
the engine still running, than the ignition screen taking over the
ground connection for a short while before melting everything together,
and giving me an electrical failure PLUS an engine stoppage.
|
I understand your concern - IF the normal earth should fail. I plan to use a B&C common earth system which has on each side of the firewall a forest of male blade connectors soldered to a brass plate. A brass bolt about 8mm diameter passes through the firewall to connect the 2 plates, and provide an anchorage for a ring termination on a 10AWG wire from the battery. I consider the physical integrity of that arrangement, and my planned maintenance schedule for it, good enough not to cause me any sleepless nights.
in friendship
Rowland
| Rowland Carson ... that's Rowland with a 'w' ...
| <rowlandcarson(at)gmail.com> http://www.rowlandcarson.org.uk
| Skype, Twitter: rowland_carson Facebook: Rowland Carson
| pictures: http://picasaweb.google.com/rowlandcarson
| | - The Matronics Europa-List Email Forum - | | | Use the List Feature Navigator to browse the many List utilities available such as the Email Subscriptions page, Archive Search & Download, 7-Day Browse, Chat, FAQ, Photoshare, and much more:
http://www.matronics.com/Navigator?Europa-List |
|
|
|
| Back to top |
|
 |
frans(at)privatepilots.nl Guest
|
Posted: Mon Dec 03, 2012 3:03 pm Post subject: what wire/cable to use for rotax magneto p-leads |
|
|
On 12/03/2012 11:06 PM, Rowland Carson wrote:
| Quote: | But it seems the diagram I attached to my earlier posting did not
make it to the list (for some unknown reason I didn't get an echo of
the message myself so can't be sure), and it clearly showed earth
connexions to the 2 wire screens and the 2 switch cases as well as to
the 2 normally-open poles of the A & B switches.
|
Yes, but it is separate from any other ground connection in the
instrument panel... That means, if you have a ground bus bar in your
instrument panel, you should take care that it doesn't somehow connect
to the screen as well.
This would for instance happen when you have a metal facias on your
panel. Your ignition-switch touches it, and some other switch from,
let's say your landing light, touches it as well. This other switch has
a ground connection to your ground bus. Without realizing it you have
just created a ground loop.
Now suppose something happens to your landing light ground connection.
The electrons now find a path via the switch case to the metal facias,
to your ignition switch, and then via the ignition screen, to ground.
Your landing light will still work, so you won't notice that something
isn't as it should be. Maybe you will only detect a funny smell, when
the 3 amps of your landing light travel via the facias and screen of
your ignition cable, a cable not designed to run the 3 amps via the screen.
Ok, you make good connections you say, your ground cables won't fail. I
take that for granted. But here is another problem, and that is
electrical resistance. Your perfect ground cable has still resistance.
And when your starter cranks it will pull a few hundred amps through the
cable, and due to the resistance some electrons find an easier route via
the screen of your ignition cable. Repeat this a dozen times, and for
some "unknown reason" suddenly your ignition cable fails.
Some day you have a short cut somewhere in your electrical system. No
worries, you have a circuit breaker. But just at the instant between the
short cut occurence and the opening of the circuit breaker, you have an
amp spike on your system, possibly a few hundred amps. It doesn't cause
a fire because it only lasts a microsecond, but at the moment your
ground bus is overloaded some electrons will choose the screen as an
easier route. The amp spike on the screen causes an induction in the
core wire, and that core wire is attached to your precious ignition
coil... Just cross your fingers and hope it doesn't do anything bad.
I can give you many more examples. The bottomline is: Ground Loops Are
Bad (Pun intended). Always make sure there is only ONE way to ground.
This screen of the ignition wire makes your system vulnerable to ground
loops, hard to trouble shoot because you think "ground is ground" and
undetectable for simple measurements because you can't measure which
path the electrons have taken.
A much safer way is to connect the ignition switch to your ground bus in
the instrument panel, and not connect it to the screen. The result is
exactly the same, but the dangerous ground loop can never develop.
| Quote: | I understand your concern - IF the normal earth should fail.
|
Not only when it fails, but also when it has resistance... and it has.
Of course it is your airplane, but think about it for a moment, why you
should prefer an error-prone solution over a safer solution without
sacrificing anything in the process.
| Quote: | I plan
to use a B&C common earth system which has on each side of the
firewall a forest of male blade connectors soldered to a brass plate.
A brass bolt about 8mm diameter passes through the firewall to
connect the 2 plates, and provide an anchorage for a ring termination
on a 10AWG wire from the battery.
|
When you are done installing this, switch on all appliances in your
airplane, and take a multi-meter and measure the voltage drop from your
battery to the ground bus in the cockpit. You will be surprised!
Frans
| | - The Matronics Europa-List Email Forum - | | | Use the List Feature Navigator to browse the many List utilities available such as the Email Subscriptions page, Archive Search & Download, 7-Day Browse, Chat, FAQ, Photoshare, and much more:
http://www.matronics.com/Navigator?Europa-List |
|
|
|
| Back to top |
|
 |
|
|
You cannot post new topics in this forum You cannot reply to topics in this forum You cannot edit your posts in this forum You cannot delete your posts in this forum You cannot vote in polls in this forum You cannot attach files in this forum You can download files in this forum
|
Powered by phpBB © 2001, 2005 phpBB Group
|