 |
Matronics Email Lists Web Forum Interface to the Matronics Email Lists
|
| View previous topic :: View next topic |
| Author |
Message |
Bill Long
Joined: 06 Apr 2010 Posts: 19
|
Posted: Wed Nov 07, 2012 4:42 pm Post subject: Idle problem? |
|
|
I have a 447 on a firefly with 220 hours my idle has gotten so bad that I won't fly it now?
It will run past 3000 RPM fine. I checked the idle jet and rebuilt the pump.
It will run good if i keep pushing in the primer so its a fuel problems?
HELP
Bill Long
2000 FireFly
Holt MI
[quote][b]
| | - The Matronics Kolb-List Email Forum - | | | Use the List Feature Navigator to browse the many List utilities available such as the Email Subscriptions page, Archive Search & Download, 7-Day Browse, Chat, FAQ, Photoshare, and much more:
http://www.matronics.com/Navigator?Kolb-List |
|
|
|
| Back to top |
|
 |
byoungplumbing(at)gmail.c Guest
|
Posted: Wed Nov 07, 2012 5:17 pm Post subject: Idle problem? |
|
|
if the fuel through the idle jet is ok... next thing I would check is for a vacuum leak through a seal, gasket, carb adapter, pulse line. etc. any changes in the air cleaners? are the plugs the same color they use to be after a hard run? if they are a lighter color, it may be telling you it is running a bit leaner. what happens when you pull the enrichener?
boyd young
most of this is the easy stuff to check..
>>>>>>>>>>>>>>>>>>>>>>>>>>>>>>
From: William Long (blong6826(at)sbcglobal.net)
Sent: Wednesday, November 07, 2012 5:42 PM
To: kolb-list(at)matronics.com (kolb-list(at)matronics.com)
Subject: Idle problem?
I have a 447 on a firefly with 220 hours my idle has gotten so bad that I won't fly it now?
It will run past 3000 RPM fine. I checked the idle jet and rebuilt the pump.
It will run good if i keep pushing in the primer so its a fuel problems?
HELP
Bill Long
2000 FireFly
Holt MI
[quote]
href="http://www.aeroelectric.com">www.aeroelectric.com
href="http://www.buildersbooks.com">www.buildersbooks.com
href="http://www.homebuilthelp.com">www.homebuilthelp.com
href="http://www.matronics.com/contribution">http://www.matronics.com/chref="http://www.matronics.com/Navigator?Kolb-List">http://www.matronics.com/Navigator?Kolb-List
href="http://forums.matronics.com">http://forums.matronics.com
[b]
| | - The Matronics Kolb-List Email Forum - | | | Use the List Feature Navigator to browse the many List utilities available such as the Email Subscriptions page, Archive Search & Download, 7-Day Browse, Chat, FAQ, Photoshare, and much more:
http://www.matronics.com/Navigator?Kolb-List |
|
|
|
| Back to top |
|
 |
olendorf

Joined: 06 Jul 2006 Posts: 140 Location: Schenectady, NY USA
|
Posted: Thu Nov 08, 2012 12:18 pm Post subject: Re: Idle problem? |
|
|
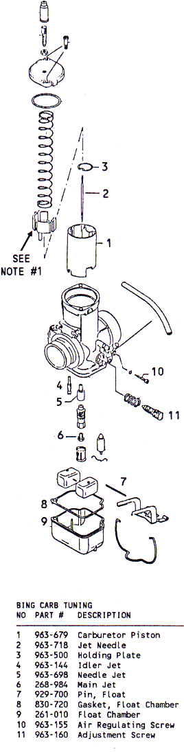
I think you are on the right track with the idle jet. I'm sure you know what you are doing but just to level set check the attached picture to make sure you are looking at the #4 idle jet. This jet has a tiny, tiny orifice and that is probably blocked. I'm surprised they don't get blocked all the time they are so small. Check that jet again and report back.
Scott Olendorf
| | - The Matronics Kolb-List Email Forum - | | | Use the List Feature Navigator to browse the many List utilities available such as the Email Subscriptions page, Archive Search & Download, 7-Day Browse, Chat, FAQ, Photoshare, and much more:
http://www.matronics.com/Navigator?Kolb-List |
|
| Description: |
|
| Filesize: |
42.7 KB |
| Viewed: |
6747 Time(s) |

|
_________________ Scott Olendorf
Original Firestar, Rotax 447, Powerfin prop
Schenectady, NY
http://sites.google.com/site/kolbfirestar/ |
|
| Back to top |
|
 |
WhiskeyVictor36(at)aol.co Guest
|
Posted: Thu Nov 08, 2012 6:11 pm Post subject: Idle problem? |
|
|
Bill Long & Others:
I have had trouble similar to what you are experiencing. After cleaning the carburetor several times with no improvement, I replaced the idle jet and that corrected the trouble. The reason I chose to replace the idle jet was because it had become discolored and I thought perhaps that was a build up of some contamination, thus causing a lack of fuel flow through it. I use regular grade auto fuel and it contains up to 10% ethanol. I also started using StarTron, an additive advertised to help eliminate problems with ethanol laced fuel. Stabil also makes a product to fight ethanol. Hope this is of some help to you.
Bill Varnes
Original Kolb FireStar
Audubon NJ
Do Not Archive
In a message dated 11/7/2012 7:42:39 P.M. Eastern Standard Time, blong6826(at)sbcglobal.net writes:
| Quote: | I have a 447 on a firefly with 220 hours my idle has gotten so bad that I won't fly it now?
It will run past 3000 RPM fine. I checked the idle jet and rebuilt the pump.
It will run good if i keep pushing in the primer so its a fuel problems?
HELP
Bill Long
2000 FireFly
Holt MI
| Quote: |
==============
ref="http://www.aeroelectric.com/">www.aeroelectric.com
buildersbooks.com/ href="http://www.buildersbooks.com/">www.buildersbooks.com
elp.com/ href="http://www.homebuilthelp.com/">www.homebuilthelp.com
ef="http://www.matronics.com/contribution">http://www.matronics.com/contribution
List href="http://www.matronics.com/Navigator?Kolb-List">http://www.matronics.com/Navigator?Kolb-List
p://forums.matronics.com/">http://forums.matronics.com
[/b] |
|
[quote][b]
| | - The Matronics Kolb-List Email Forum - | | | Use the List Feature Navigator to browse the many List utilities available such as the Email Subscriptions page, Archive Search & Download, 7-Day Browse, Chat, FAQ, Photoshare, and much more:
http://www.matronics.com/Navigator?Kolb-List |
|
|
|
| Back to top |
|
 |
aoldman(at)xtra.co.nz Guest
|
Posted: Thu Nov 08, 2012 11:00 pm Post subject: Idle problem? |
|
|
The other good thing to check is the O ring on the idle jet needle. If this
has perished and has cracks in it it will give you a lean condition in the
idle range .
Tony
Downunder
MK111c
going well. Just coming into spring . Great flying weather
--
| | - The Matronics Kolb-List Email Forum - | | | Use the List Feature Navigator to browse the many List utilities available such as the Email Subscriptions page, Archive Search & Download, 7-Day Browse, Chat, FAQ, Photoshare, and much more:
http://www.matronics.com/Navigator?Kolb-List |
|
|
|
| Back to top |
|
 |
roy.spangler(at)kirtland. Guest
|
Posted: Fri Nov 09, 2012 5:33 am Post subject: Idle problem? |
|
|
Bill,
Your idle problem may not be a carb issue. If you have a points
ignition, I would look there. I have a 377 that had the exact same
problem that you have described, ultimately I convereted to CDI
and the problem dissapeared. Just a suggestion. Points on a
Rotax are very sensitive. With the air cleaner off does it spit fuel
back ? For what it's worth.
roy
On Wed, Nov 7, 2012 at 7:42 PM, William Long <blong6826(at)sbcglobal.net (blong6826(at)sbcglobal.net)> wrote:
[quote]I have a 447 on a firefly with 220 hours my idle has gotten so bad that I won't fly it now?
It will run past 3000 RPM fine. I checked the idle jet and rebuilt the pump.
It will run good if i keep pushing in the primer so its a fuel problems?
HELP
Bill Long
2000 FireFly
Holt MI
| Quote: |
_blank">www.aeroelectric.com
.com" target="_blank">www.buildersbooks.com
="_blank">www.homebuilthelp.com
_blank">http://www.matronics.com/contribution
get="_blank">http://www.matronics.com/Navigator?Kolb-List
tp://forums.matronics.com
|
[b]
| | - The Matronics Kolb-List Email Forum - | | | Use the List Feature Navigator to browse the many List utilities available such as the Email Subscriptions page, Archive Search & Download, 7-Day Browse, Chat, FAQ, Photoshare, and much more:
http://www.matronics.com/Navigator?Kolb-List |
|
|
|
| Back to top |
|
 |
zeprep251(at)aol.com Guest
|
Posted: Fri Nov 09, 2012 9:08 am Post subject: Idle problem? |
|
|
You may also have an air leak, either at a gasket in the intake system or the rubber carb socket which does crack internally .If the exhaust gas temps are running higher than normal( for the ambient air temps ) at cruise rpm, it may be an indicator of an air leak.
G.Aman
--
| | - The Matronics Kolb-List Email Forum - | | | Use the List Feature Navigator to browse the many List utilities available such as the Email Subscriptions page, Archive Search & Download, 7-Day Browse, Chat, FAQ, Photoshare, and much more:
http://www.matronics.com/Navigator?Kolb-List |
|
|
|
| Back to top |
|
 |
williamtsullivan(at)att.n Guest
|
Posted: Fri Nov 09, 2012 12:04 pm Post subject: Idle Problem? |
|
|
I had a similar problem with my 447, and John H. suggested I check the seal on the bottom of the enrichener. Mine had totally disintegrated. Replacement was very cheap. The part does not come through in a carb kit- it has to be ordered separately. Easy to pull out and check visually.
Bill Sullivan
Windsor Locks, Ct.
Original FS, 447
[quote][b]
| | - The Matronics Kolb-List Email Forum - | | | Use the List Feature Navigator to browse the many List utilities available such as the Email Subscriptions page, Archive Search & Download, 7-Day Browse, Chat, FAQ, Photoshare, and much more:
http://www.matronics.com/Navigator?Kolb-List |
|
|
|
| Back to top |
|
 |
Bill Long
Joined: 06 Apr 2010 Posts: 19
|
Posted: Fri Nov 09, 2012 1:51 pm Post subject: Idle problem? |
|
|
Looks like it was the idle jet I took it out again and blew through it real hard and its better so im going to soak it in carb cleaner tonight.
Bill Long
From: Richard Girard <aslsa.rng(at)gmail.com>
To: kolb-list(at)matronics.com
Sent: Fri, November 9, 2012 10:51:19 AM
Subject: Re: Idle problem?
In addition to the idle jet be sure to clean the passages in the carb body. When my 582 was laid up for more than a year that was the problem area that prevented it from idling properly. Once they were cleared out the engine idled just fine.
Rick Girard
On Thu, Nov 8, 2012 at 8:10 PM, <WhiskeyVictor36(at)aol.com (WhiskeyVictor36(at)aol.com)> wrote:
| Quote: | Bill Long & Others:
I have had trouble similar to what you are experiencing. After cleaning the carburetor several times with no improvement, I replaced the idle jet and that corrected the trouble. The reason I chose to replace the idle jet was because it had become discolored and I thought perhaps that was a build up of some contamination, thus causing a lack of fuel flow through it. I use regular grade auto fuel and it contains up to 10% ethanol. I also started using StarTron, an additive advertised to help eliminate problems with ethanol laced fuel. Stabil also makes a product to fight ethanol. Hope this is of some help to you.
Bill Varnes
Original Kolb FireStar
Audubon NJ
Do Not Archive
In a message dated 11/7/2012 7:42:39 P.M. Eastern Standard Time, blong6826(at)sbcglobal.net (blong6826(at)sbcglobal.net) writes:
| Quote: | I have a 447 on a firefly with 220 hours my idle has gotten so bad that I won't fly it now?
It will run past 3000 RPM fine. I checked the idle jet and rebuilt the pump.
It will run good if i keep pushing in the primer so its a fuel problems?
HELP
Bill Long
2000 FireFly
Holt MI
|
|
--
Zulu Delta
Mk IIIC
Thanks, Homer GBYM
It isn't necessary to have relatives in Kansas City in order to be unhappy.
- Groucho Marx
[quote][b]
| | - The Matronics Kolb-List Email Forum - | | | Use the List Feature Navigator to browse the many List utilities available such as the Email Subscriptions page, Archive Search & Download, 7-Day Browse, Chat, FAQ, Photoshare, and much more:
http://www.matronics.com/Navigator?Kolb-List |
|
|
|
| Back to top |
|
 |
|
|
You cannot post new topics in this forum You cannot reply to topics in this forum You cannot edit your posts in this forum You cannot delete your posts in this forum You cannot vote in polls in this forum You cannot attach files in this forum You can download files in this forum
|
Powered by phpBB © 2001, 2005 phpBB Group
|