 |
Matronics Email Lists Web Forum Interface to the Matronics Email Lists
|
| View previous topic :: View next topic |
| Author |
Message |
nuckolls.bob(at)aeroelect Guest
|
Posted: Sat Jun 02, 2012 7:21 pm Post subject: OS Wig-Wag Project |
|
|
Had a little hitch in the assembly task. Found a layout
error on the board and some scrambled numbers in the
connector pin-outs. All has been fixed, a board stuffed
and static tested. The SOIC-8 mos-fets will sink 1.5 amps
with no more than 0.040 volts drop. Higher currents will
be proportionally higher but still quite satisfactory to our
needs.
The revised data package and pictures are posted at:
http://tinyurl.com/6w9vndk
I'll mail you a proof-of-concept board, test harness
and enclosure to work with on Monday.
Bob . . .
At 12:50 PM 5/4/2012, you wrote:
| Quote: |
Bob,
Send one out to me, please...
I will test the current software and if it checks out I will flash some
PIC12F683 chips and send them out to you. If there is anyone else
who is getting one of the initial boards and would like a flashed
micro let me know.
Greg McHugh
4201 N Willoway Estates Ct
Bloomfield Hills, MI 48302
Read this topic online here:
http://forums.matronics.com/viewtopic.php?p=372397#372397
-----
No virus found in this message.
Checked by AVG - www.avg.com
|
Bob . . .
| | - The Matronics AeroElectric-List Email Forum - | | | Use the List Feature Navigator to browse the many List utilities available such as the Email Subscriptions page, Archive Search & Download, 7-Day Browse, Chat, FAQ, Photoshare, and much more:
http://www.matronics.com/Navigator?AeroElectric-List |
|
|
|
| Back to top |
|
 |
tim2542(at)sbcglobal.net Guest
|
Posted: Sat Jun 02, 2012 8:16 pm Post subject: OS Wig-Wag Project |
|
|
Will this gadget replace the simple automotive 3 terminal flasher I'm using now for Wig/Wag? I assume it's going to have timing options or something that makes it better than a flasher.
Thanks, Tim
Sent from my iPad
On Jun 2, 2012, at 8:19 PM, "Robert L. Nuckolls, III" <nuckolls.bob(at)aeroelectric.com> wrote:
| Quote: |
Had a little hitch in the assembly task. Found a layout
error on the board and some scrambled numbers in the
connector pin-outs. All has been fixed, a board stuffed
and static tested. The SOIC-8 mos-fets will sink 1.5 amps
with no more than 0.040 volts drop. Higher currents will
be proportionally higher but still quite satisfactory to our
needs.
The revised data package and pictures are posted at:
http://tinyurl.com/6w9vndk
I'll mail you a proof-of-concept board, test harness
and enclosure to work with on Monday.
Bob . . .
At 12:50 PM 5/4/2012, you wrote:
>
>
> Bob,
>
> Send one out to me, please...
>
> I will test the current software and if it checks out I will flash some
> PIC12F683 chips and send them out to you. If there is anyone else
> who is getting one of the initial boards and would like a flashed
> micro let me know.
>
> Greg McHugh
> 4201 N Willoway Estates Ct
> Bloomfield Hills, MI 48302
>
>
>
>
> Read this topic online here:
>
> http://forums.matronics.com/viewtopic.php?p=372397#372397
>
>
>
>
>
>
>
>
>
>
>
> -----
> No virus found in this message.
> Checked by AVG - www.avg.com
Bob . . .
|
| | - The Matronics AeroElectric-List Email Forum - | | | Use the List Feature Navigator to browse the many List utilities available such as the Email Subscriptions page, Archive Search & Download, 7-Day Browse, Chat, FAQ, Photoshare, and much more:
http://www.matronics.com/Navigator?AeroElectric-List |
|
|
|
| Back to top |
|
 |
nuckolls.bob(at)aeroelect Guest
|
Posted: Sat Jun 02, 2012 8:56 pm Post subject: OS Wig-Wag Project |
|
|
At 11:15 PM 6/2/2012, you wrote:
| Quote: |
Will this gadget replace the simple automotive 3 terminal flasher
I'm using now for Wig/Wag? I assume it's going to have timing
options or something that makes it better than a flasher.
Thanks, Tim
|
This project was conceived as an alternative to
the automotive 3-terminal flashers that don't work
well on LED landing lights.
As you can see from the wiring diagram in the
data package that the control switch doesn't
carry lamp current . . . so it can be a minature,
low current device.
We hadn't talked about timing options. But there
are a couple of extra inputs to the board that
could be used to select flash rates.
Bob . . .
| | - The Matronics AeroElectric-List Email Forum - | | | Use the List Feature Navigator to browse the many List utilities available such as the Email Subscriptions page, Archive Search & Download, 7-Day Browse, Chat, FAQ, Photoshare, and much more:
http://www.matronics.com/Navigator?AeroElectric-List |
|
|
|
| Back to top |
|
 |
gregmchugh
Joined: 03 Apr 2012 Posts: 42
|
Posted: Sun Jun 03, 2012 8:03 am Post subject: Re: OS Wig-Wag Project |
|
|
Bob,
Very good, I will test the software with the hardware. I had
also considered using the last two inputs to control the wig-wag
interval. I have it set to 750 millisec at the moment which seems
to be a standard value for aircraft wig-wag (each light flashes
40 times per minute). The last two inputs could be used to allow
the interval to be controlled via jumpers or a switch.
In terms of using this as a replacement for the auto flasher, I
guess the only restriction would be the maximum lamp power
limit which you are planning to define after additional hardware
testing.
Also, there was at least one other person who was interested in
software development who requested a board to use for
testing. See below...
Greg McHugh
-------------------
Bob,
I'd like one of the boards. I'm not sure if I'll be herding bytes, or they will be herding me, but I'd like to try! Please let me know what I owe you for it.
Greg - as long as I've got your code, I'll try to flash my own chip... but I'll contact you if I can't get it to work!!
Thank you!!
Paul A. Fisher
8428 114th Avenue West
Taylor Ridge, Illinois 61284
--
| | - The Matronics AeroElectric-List Email Forum - | | | Use the List Feature Navigator to browse the many List utilities available such as the Email Subscriptions page, Archive Search & Download, 7-Day Browse, Chat, FAQ, Photoshare, and much more:
http://www.matronics.com/Navigator?AeroElectric-List |
|
|
|
| Back to top |
|
 |
nuckolls.bob(at)aeroelect Guest
|
Posted: Sun Jun 03, 2012 9:27 am Post subject: OS Wig-Wag Project |
|
|
At 11:03 AM 6/3/2012, you wrote:
| Quote: |
Bob,
Very good, I will test the software with the hardware. I had
also considered using the last two inputs to control the wig-wag
interval. I have it set to 750 millisec at the moment which seems
to be a standard value for aircraft wig-wag (each light flashes
40 times per minute). The last two inputs could be used to allow
the interval to be controlled via jumpers or a switch.
|
Yes. I think I've got the inputs configured wrong.
They'd need +5 pullup resistors and I've condifigured
them with voltage dividers . . . but we can work that
out.
| Quote: | In terms of using this as a replacement for the auto flasher, I
guess the only restriction would be the maximum lamp power
limit which you are planning to define after additional hardware
testing.
|
Correct. I'm not sure I'd recommend this set of
hardware for incandescent lamps. The 3-terminal
auto flasher is a really good value and well
suited to the task.
| Quote: | Also, there was at least one other person who was interested in
software development who requested a board to use for
testing. See below...
|
Yes. I'm packing up for a 3-day stint in Wichita
to finish some bunkbeds for may grandsons. Will
be back on Thursday. I'll get another board stuffed
for Paul.
Bob . . .
| | - The Matronics AeroElectric-List Email Forum - | | | Use the List Feature Navigator to browse the many List utilities available such as the Email Subscriptions page, Archive Search & Download, 7-Day Browse, Chat, FAQ, Photoshare, and much more:
http://www.matronics.com/Navigator?AeroElectric-List |
|
|
|
| Back to top |
|
 |
gregmchugh
Joined: 03 Apr 2012 Posts: 42
|
Posted: Wed Jun 06, 2012 2:10 pm Post subject: Re: OS Wig-Wag Project |
|
|
Bob,
Hardware arrived in the mail today. I should have some test
results by the end of the week.
Greg McHugh
| | - The Matronics AeroElectric-List Email Forum - | | | Use the List Feature Navigator to browse the many List utilities available such as the Email Subscriptions page, Archive Search & Download, 7-Day Browse, Chat, FAQ, Photoshare, and much more:
http://www.matronics.com/Navigator?AeroElectric-List |
|
|
|
| Back to top |
|
 |
gregmchugh
Joined: 03 Apr 2012 Posts: 42
|
Posted: Thu Jun 07, 2012 10:17 am Post subject: Re: OS Wig-Wag Project |
|
|
Bob,
Had a chance to power-up the proof of concept board you sent and
it seems to be working fine with my current software version which
I updated to reflect the final hardware I/O configuration for the
board. I will do some more testing tomorrow and then I will send out
some flashed PIC chips to you. I have the wig-wag logic set
to switch every 666 millisec (45 per minute flash rate) which seems
to be a typical rate for certified wig-wag flashers. If you want a
different value let me know. I will post the final software version I
used to flash the chips.
How many chips should I send to you?
Should I send them to the home address that was on the parcel
you sent or to the P.O. box for Aeroelectric?
Greg McHugh
| | - The Matronics AeroElectric-List Email Forum - | | | Use the List Feature Navigator to browse the many List utilities available such as the Email Subscriptions page, Archive Search & Download, 7-Day Browse, Chat, FAQ, Photoshare, and much more:
http://www.matronics.com/Navigator?AeroElectric-List |
|
|
|
| Back to top |
|
 |
nuckolls.bob(at)aeroelect Guest
|
Posted: Thu Jun 07, 2012 2:05 pm Post subject: OS Wig-Wag Project |
|
|
At 01:17 PM 6/7/2012, you wrote:
| Quote: |
Bob,
Had a chance to power-up the proof of concept board you sent and
it seems to be working fine with my current software version which
I updated to reflect the final hardware I/O configuration for the
board. I will do some more testing tomorrow and then I will send out
some flashed PIC chips to you. I have the wig-wag logic set
to switch every 666 millisec (45 per minute flash rate) which seems
to be a typical rate for certified wig-wag flashers. If you want a
different value let me know. I will post the final software version I
used to flash the chips.
How many chips should I send to you?
Should I send them to the home address that was on the parcel
you sent or to the P.O. box for Aeroelectric?
|
One chip will suffice. The P.O. box is the place to
go. I forget, were you planning to use this device
on your airplane . . . or just willing to thrash bytes
for grins?
We might talk about modifying the code (and the boards)
to use the extra two inputs as flash-rate selection pins.
I think I'd move the command lines over to the filtered
pins now 'rigged for analog' and use the two unfiltered
pins for flash rate selection.
Bob . . .
| | - The Matronics AeroElectric-List Email Forum - | | | Use the List Feature Navigator to browse the many List utilities available such as the Email Subscriptions page, Archive Search & Download, 7-Day Browse, Chat, FAQ, Photoshare, and much more:
http://www.matronics.com/Navigator?AeroElectric-List |
|
|
|
| Back to top |
|
 |
gregmchugh
Joined: 03 Apr 2012 Posts: 42
|
Posted: Thu Jun 07, 2012 3:03 pm Post subject: Re: OS Wig-Wag Project |
|
|
Bob,
I am planning to use it in the Xenos motor glider I am building but
I am probably a year away from the point where I will need it. I
think I will stick with the single flash rate on my installation but
variable rate seems to be a popular option on many of the
certified wig-wag systems.
If you want the initial software to support the variable flash rate
on the wig-wag I can handle that. Let me know how you want
to configure the changes to the inputs. Is the board you sent
me already set up to handle this with the way it is configured?
I can add the two other input lines to the test harness you
sent.
I would think that three rate settings would be enough, maybe
45 flashes per minute for the default rate, and then 90 and 120
flashes for higher rates. That would be the flash rate for
each of the lamps, alternating lamps to get the wig-wag. I
would think that 3 rate settings would be enough using the
same type of switch you have on the other set of inputs.
I can test a software version with the variable rate before I
send it to you if the board can handle it.
I think I mentioned before that the only other option I thought
of would be for aircraft that have both taxi and landing lights
and that want to have the option to run with just the taxi lights
on the ground but still use the taxi lights in the wig-wag mode
in the air. You could configure the two control inputs to handle
4 modes using the current switch for Off-Taxi Only-Both On and a
second switch for Wig-Wag (ground both the inputs). Not something
I need for my needs but I can imagine someone wanting this
option. Just a software change needed and adding the second
switch.
Greg McHugh
| | - The Matronics AeroElectric-List Email Forum - | | | Use the List Feature Navigator to browse the many List utilities available such as the Email Subscriptions page, Archive Search & Download, 7-Day Browse, Chat, FAQ, Photoshare, and much more:
http://www.matronics.com/Navigator?AeroElectric-List |
|
|
|
| Back to top |
|
 |
nuckolls.bob(at)aeroelect Guest
|
Posted: Sat Jun 09, 2012 5:51 am Post subject: OS Wig-Wag Project |
|
|
At 06:03 PM 6/7/2012, you wrote:
| Quote: | --> AeroElectric-List message posted by: "gregmchugh" <gregmchugh(at)aol.com>
Bob,
If you want the initial software to support the variable flash rate
on the wig-wag I can handle that. Let me know how you want
to configure the changes to the inputs. Is the board you sent
me already set up to handle this with the way it is configured?
I can add the two other input lines to the test harness you
sent. |
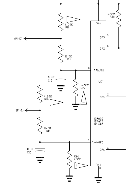
Are you in possession of the tools and skills to work with
1206 surface mount components? The board I sent you has
[img]cid:.0[/img]
R26 and R27 installed. Those need to be removed
and replaced by R11 and R14. I don't try to 'save'
a removed SMD component. So I'd wick the solder off
the two un-needed resistors and install two new ones.
Why don't I assemble the second board configured for
two sets of control inputs and you could put the finishing
touches on your code.
| Quote: | I would think that three rate settings would be enough, maybe
45 flashes per minute for the default rate, and then 90 and 120
flashes for higher rates. That would be the flash rate for
each of the lamps, alternating lamps to get the wig-wag. |
The LEDs are much more effective at the high rates than
incandescent lamps. 3 events per second is supposed to
be the 'magic' attention-getter. Those values sound good to me.
| Quote: | I would think that 3 rate settings would be enough using the
same type of switch you have on the other set of inputs. |
Let me pray over some controls topology for adding
independent control of the two lights.
Bob . . .
| | - The Matronics AeroElectric-List Email Forum - | | | Use the List Feature Navigator to browse the many List utilities available such as the Email Subscriptions page, Archive Search & Download, 7-Day Browse, Chat, FAQ, Photoshare, and much more:
http://www.matronics.com/Navigator?AeroElectric-List |
|
| Description: |
|
| Filesize: |
54.63 KB |
| Viewed: |
15273 Time(s) |

|
|
|
| Back to top |
|
 |
gregmchugh
Joined: 03 Apr 2012 Posts: 42
|
Posted: Sat Jun 09, 2012 7:41 am Post subject: Re: OS Wig-Wag Project |
|
|
Bob,
I won't attempt to make the changes to the board. I will send
out a flashed PIC today with the default code that I have
been using for testing. When you send me a board with
the inputs reconfigured we can decide on how to configure
the variable flash rate option.
Attached is the source code for the PIC I am sending you.
Greg McHugh
| | - The Matronics AeroElectric-List Email Forum - | | | Use the List Feature Navigator to browse the many List utilities available such as the Email Subscriptions page, Archive Search & Download, 7-Day Browse, Chat, FAQ, Photoshare, and much more:
http://www.matronics.com/Navigator?AeroElectric-List |
|
| Description: |
|
 Download |
| Filename: |
wigwag.c |
| Filesize: |
7.88 KB |
| Downloaded: |
872 Time(s) |
|
|
| Back to top |
|
 |
|
|
You cannot post new topics in this forum You cannot reply to topics in this forum You cannot edit your posts in this forum You cannot delete your posts in this forum You cannot vote in polls in this forum You cannot attach files in this forum You can download files in this forum
|
Powered by phpBB © 2001, 2005 phpBB Group
|