 |
Matronics Email Lists Web Forum Interface to the Matronics Email Lists
|
| View previous topic :: View next topic |
| Author |
Message |
zqqmin
Joined: 14 Nov 2011 Posts: 2 Location: Port Orange, FL
|
Posted: Tue Nov 15, 2011 3:13 pm Post subject: Jabiru 3300 Over Voltage |
|
|
Need some help. First please understand that electricity is NOT my bag! I have read Bob Knuckolls book, I just wish I understood it!
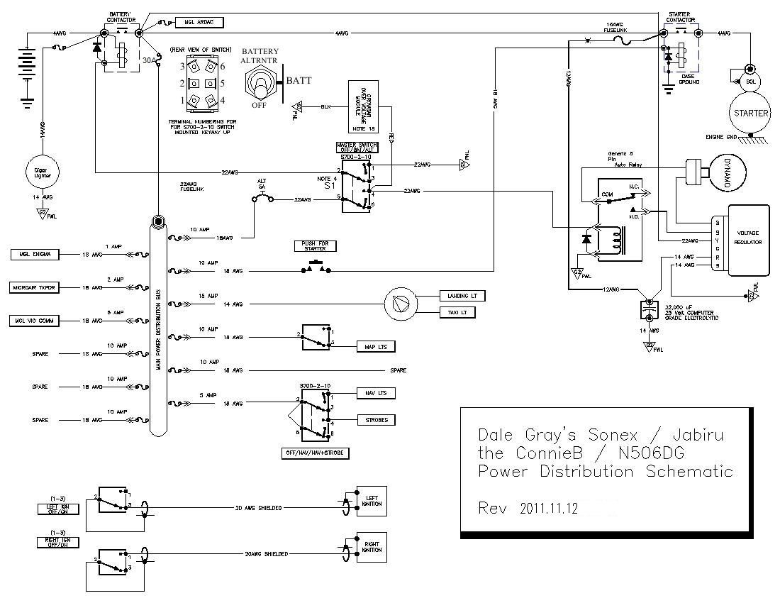
I have a Sonex with a Jabiru 3300 engine. I see voltages ranging from 12.3 at idle to over 16 volts at climb power! I talked with Jabiru and they suggested I change the yellow wire from the voltage regulator (control voltage) to the main bus from the + side of the capacitor (see attached schematic) to read "cleaner" voltage. I did this and I now get voltages of 16 volts at cruise power! I have installed Bob Knuckolls "crowbar over voltage" circuit from B&C. I have never tripped the over voltage circuit (5A C/B) BUT, I have blown the 10A fuse (twice) in the master switch circuit. I reads the voltage in 3 places, the MGL Enigma EFIS, the MGL V10 Comm radio and the MicroAir Transponder....they all read the same. I do NOT have an ammeter. BTW, I can control the voltage by turning on the landing lights. Then I get about 12.6v at climb power.
I read the Jabiru manual and it tells me the voltage regulator should output 14 + or - .8 volts at cruise power. Is my schematic correct or do I have an error??? I think I have a bad voltage regulator. I have 18.3 hours of time in the phase 1 testing.
Thanks in advance.
| | - The Matronics AeroElectric-List Email Forum - | | | Use the List Feature Navigator to browse the many List utilities available such as the Email Subscriptions page, Archive Search & Download, 7-Day Browse, Chat, FAQ, Photoshare, and much more:
http://www.matronics.com/Navigator?AeroElectric-List |
|
| Description: |
|
| Filesize: |
175.19 KB |
| Viewed: |
36935 Time(s) |

|
_________________ Dale A. Gray
Sonex N506DG |
|
| Back to top |
|
 |
nuckolls.bob(at)aeroelect Guest
|
Posted: Tue Nov 15, 2011 5:44 pm Post subject: Jabiru 3300 Over Voltage |
|
|
At 05:13 PM 11/15/2011, you wrote:
I have a Sonex with a Jabiru 3300 engine. I see voltages ranging
from 12.3 at idle to over 16 volts at climb power!
These small alternators produce no useable power
at idle. Hence your 12.3 reading is what the BATTERY
is supplying.
If you EVER have 16 volts, the regualtor is not doing
it's job either because it is bad . . . or wired wrong.
I talked with Jabiru and they suggested I change the yellow wire
from the voltage regulator (control voltage) to the main bus from the
+ side of the capacitor (see attached schematic) to read "cleaner"
voltage. I did this and I now get voltages of 16 volts at cruise power!
Okay, my best guess is that the rectifier/regulator is
bad.
I have installed Bob Knuckolls "crowbar over voltage" circuit from
B&C. I have never tripped the over voltage circuit (5A C/B) BUT, I
have blown the 10A fuse (twice) in the master switch circuit.
You need to look at the diagram in the 'Connection
again. That's NOT a 10A fuse upstream of the 5A breaker
but a fusible link. A 10A fuse will open faster than
a 5A breaker when the crowbar module trips. So, if
you've popped some fuses, the OVM is on confirming what
your voltmeter has already told you. The factory
adjusted trip point for the 14V OVM is 16.4 volts.
I reads the voltage in 3 places, the MGL Enigma EFIS, the MGL V10
Comm radio and the MicroAir Transponder....they all read the same.
They must be working.
I do NOT have an ammeter.
Don't need one.
BTW, I can control the voltage by turning on the landing
lights. Then I get about 12.6v at climb power.
That's probably because you've depressed the system
voltage by overloading the alternator.
I read the Jabiru manual and it tells me the voltage regulator should
output 14 + or - .8 volts at cruise power. Is my schematic correct
or do I have an error??? I think I have a bad voltage regulator.
I think so too. You perhaps understand more than
you think!
Bob . . .
| | - The Matronics AeroElectric-List Email Forum - | | | Use the List Feature Navigator to browse the many List utilities available such as the Email Subscriptions page, Archive Search & Download, 7-Day Browse, Chat, FAQ, Photoshare, and much more:
http://www.matronics.com/Navigator?AeroElectric-List |
|
|
|
| Back to top |
|
 |
ainut(at)knology.net Guest
|
Posted: Tue Nov 15, 2011 10:23 pm Post subject: Jabiru 3300 Over Voltage |
|
|
First, suspect the voltmeter. Get a (calibrated) second meter and check
it out. Easy to do that.
Ammeters are cheap. Please install one, at least temporarily until this
problem is solved.
It does sound as if the voltage regulator is not cooperating fully.
simple, but that is all I know is simple stuff.
David M.
zqqmin wrote:
| Quote: |
Need some help. First please understand that electricity is NOT my bag! I have read Bob Knuckolls book, I just wish I understood it!
I have a Sonex with a Jabiru 3300 engine. I see voltages ranging from 12.3 at idle to over 16 volts at climb power! I talked with Jabiru and they suggested I change the yellow wire from the voltage regulator (control voltage) to the main bus from the + side of the capacitor (see attached schematic) to read "cleaner" voltage. I did this and I now get voltages of 16 volts at cruise power! I have installed Bob Knuckolls "crowbar over voltage" circuit from B&C. I have never tripped the over voltage circuit (5A C/B) BUT, I have blown the 10A fuse (twice) in the master switch circuit. I reads the voltage in 3 places, the MGL Enigma EFIS, the MGL V10 Comm radio and the MicroAir Transponder....they all read the same. I do NOT have an ammeter. BTW, I can control the voltage by turning on the landing lights. Then I get about 12.6v at climb power.
I read the Jabiru manual and it tells me the voltage regulator should output 14 + or - .8 volts at cruise power. Is my schematic correct or do I have an error??? I think I have a bad voltage regulator. I have 18.3 hours of time in the phase 1 testing.
Thanks in advance.
--------
Dale A. Gray
Sonex N506DG
Read this topic online here:
http://forums.matronics.com/viewtopic.php?p=358062#358062
Attachments:
http://forums.matronics.com//files/dales_schematic_204.jpg
|
--
If you're an American, just say NO to the Obamanation, to socialism, and get rid of Soros.
..democracy and a republic can function only in a firm partnership with morality and religion. -- John Adams. Indeed. Same should be said for ANY type of gubmnt
| | - The Matronics AeroElectric-List Email Forum - | | | Use the List Feature Navigator to browse the many List utilities available such as the Email Subscriptions page, Archive Search & Download, 7-Day Browse, Chat, FAQ, Photoshare, and much more:
http://www.matronics.com/Navigator?AeroElectric-List |
|
|
|
| Back to top |
|
 |
user9253
Joined: 28 Mar 2008 Posts: 1967 Location: Riley TWP Michigan
|
Posted: Wed Nov 16, 2011 8:03 am Post subject: Re: Jabiru 3300 Over Voltage |
|
|
http://www.usjabiru.com/technical-tips.html
Quote from the above website:
| Quote: | | Make sure the regulator has a good ground and heavy gauge ground wire. Too small a ground wire causes erratically high voltage readings and spikes. |
Any voltage dropped across the regulator ground wire or its connections will be added to the system voltage. Make sure all connections are tight and that there is no paint on the connected parts.
If the regulator is working but set at too high of a voltage, it will help to connect the yellow sense wire to the red output wire.
If the above does not solve the high voltage, then replace the regulator.
Joe
| | - The Matronics AeroElectric-List Email Forum - | | | Use the List Feature Navigator to browse the many List utilities available such as the Email Subscriptions page, Archive Search & Download, 7-Day Browse, Chat, FAQ, Photoshare, and much more:
http://www.matronics.com/Navigator?AeroElectric-List |
|
_________________ Joe Gores |
|
| Back to top |
|
 |
zqqmin
Joined: 14 Nov 2011 Posts: 2 Location: Port Orange, FL
|
Posted: Wed Nov 16, 2011 10:36 am Post subject: Re: Jabiru 3300 Over Voltage |
|
|
Thanks to everyone. I have a new regulator order.
| | - The Matronics AeroElectric-List Email Forum - | | | Use the List Feature Navigator to browse the many List utilities available such as the Email Subscriptions page, Archive Search & Download, 7-Day Browse, Chat, FAQ, Photoshare, and much more:
http://www.matronics.com/Navigator?AeroElectric-List |
|
_________________ Dale A. Gray
Sonex N506DG |
|
| Back to top |
|
 |
Float Flyr

Joined: 19 Jul 2006 Posts: 2704 Location: Campbellton, Newfoundland
|
Posted: Fri Nov 18, 2011 8:13 am Post subject: Jabiru 3300 Over Voltage |
|
|
Most of the problems I've seen have all had to do with faulty grounding.
For some reason it is the ground wires that seem to get the most corrosion.
The voltage regulator of your engine references the voltage on the buss
against ground. If the ground is weak or open (completely corroded) the
regulator will just allow whatever voltage is produced to be fed to the
buss.
Several regulators/ rectifier regulators ground through the case to the fire
wall. Mounting on a rubber damper or using a silicon sealer will not give
you the reference ground you need. My advice is to remove the regulator
clean both the back of the regulator and the space it will be mounted to
until both are shiny and remount the regulator then test for operation
If it works properly good... If not check the grounds between the engine
block and the frame of the plane. There should be a good heavy braid
connecting the engine block to the frame. That braid jumps out the engine
mounts and allows proper voltage to be read from the frame of the plane.
Make sure all the ring connectors are clean and shiny and the bolt/nots are
also clean and the areas the connectors land on are shiny. I like to give
all those connections a coat of the thinnest heavy grease possible after
they are torque down to help prevent future corrosion.
There is a small chance your regulator has an internal fault. Any
automotive electric shop can check it for you.
Noel
--
| | - The Matronics AeroElectric-List Email Forum - | | | Use the List Feature Navigator to browse the many List utilities available such as the Email Subscriptions page, Archive Search & Download, 7-Day Browse, Chat, FAQ, Photoshare, and much more:
http://www.matronics.com/Navigator?AeroElectric-List |
|
_________________ Noel Loveys
Kitfox III-A
Aerocet 1100 Floats |
|
| Back to top |
|
 |
Wingrider
Joined: 22 Nov 2006 Posts: 34 Location: Tullahoma, TN
|
Posted: Sun Mar 11, 2012 4:25 am Post subject: Re: Jabiru 3300 Over Voltage |
|
|
Dale did the replacement voltage regulator solve your problem? I have the same condition with a Corvair engine and John Deere PM alternator. your description is identical to my issue.
Replacing the regulator didn't resolve my problem nor did moving the regulator sense wire to the battery and added a ground wire from the regulator case to the battery. I'm beginning to think it's an internal issue with the Odyssey PC625 battery.
Bob one other thing I've noticed is your diagrams call for a 22Kuf capacitor in the over voltage protection circuit but what I got from B&C when I bought the package was a 10KuF capacitor, would this have any bearing on this over voltage condition.
| | - The Matronics AeroElectric-List Email Forum - | | | Use the List Feature Navigator to browse the many List utilities available such as the Email Subscriptions page, Archive Search & Download, 7-Day Browse, Chat, FAQ, Photoshare, and much more:
http://www.matronics.com/Navigator?AeroElectric-List |
|
_________________ Rich Whittington
Tullahoma, TN
Zenith 601HDS
Corvair 3 Liter 120HP |
|
| Back to top |
|
 |
nuckolls.bob(at)aeroelect Guest
|
Posted: Sun Mar 11, 2012 9:59 am Post subject: Jabiru 3300 Over Voltage |
|
|
At 07:25 AM 3/11/2012, you wrote:
| Quote: |
Dale did the replacement voltage regulator solve your problem? I
have the same condition with a Corvair engine and John Deere PM
alternator. your description is identical to my issue.
Replacing the regulator didn't resolve my problem nor did moving the
regulator sense wire to the battery and added a ground wire from the
regulator case to the battery. I'm beginning to think it's an
internal issue with the Odyssey PC625 battery.
|
Refresh my memory. How do you know you're getting
an OV event . . . tripping of the B&C crowbar module?
| Quote: | Bob one other thing I've noticed is your diagrams call for a 22Kuf
capacitor in the over voltage protection circuit but what I got from
B&C when I bought the package was a 10KuF capacitor, would this have
any bearing on this over voltage condition.
|
No. Describe events leading up to a trip. Does it run
for a time and then trip when you DO something or does
it trip at random? What is your bus voltage for normal
operating conditions? Have you bench tested the OV module
to confirm it's calibration? We set them for 16.3 +/- 0.2
volts at room temperature.
It is doubtful that battery has anything to do with it.
Bob . . .
| | - The Matronics AeroElectric-List Email Forum - | | | Use the List Feature Navigator to browse the many List utilities available such as the Email Subscriptions page, Archive Search & Download, 7-Day Browse, Chat, FAQ, Photoshare, and much more:
http://www.matronics.com/Navigator?AeroElectric-List |
|
|
|
| Back to top |
|
 |
Wingrider
Joined: 22 Nov 2006 Posts: 34 Location: Tullahoma, TN
|
Posted: Sun Mar 11, 2012 4:01 pm Post subject: Re: Jabiru 3300 Over Voltage |
|
|
Thanks for the response Bob. I know I'm getting an over voltage event because is trips the 5 amp breaker in the over voltage circuit and it's hot to the touch, plus I can see the voltage increase on the EFIS most of the time, otherwise reviewing the recorded EFIS data (1 second increments)
This happened once early in phase 1 but has progressed to where it will happen multiple times per flight now. If I keep the landing lights on I can prevent the event.
One curious change, it used to take a few minutes for the breaker to cool off before it would reset. Since I moved the yellow IGN wire from the OV relay to the battery positive terminal when the voltage increases and trips the OMV I can toggle the alternator switch and immediately bring the alternator back online.
I have replaced the OVM14 and the voltage regulator and haven't eliminated the problem. Any help would be appreciated.
Thanks
| | - The Matronics AeroElectric-List Email Forum - | | | Use the List Feature Navigator to browse the many List utilities available such as the Email Subscriptions page, Archive Search & Download, 7-Day Browse, Chat, FAQ, Photoshare, and much more:
http://www.matronics.com/Navigator?AeroElectric-List |
|
| Description: |
|
 Download |
| Filename: |
Rich's 601HDS Wiring Diag.pdf |
| Filesize: |
60.19 KB |
| Downloaded: |
948 Time(s) |
_________________ Rich Whittington
Tullahoma, TN
Zenith 601HDS
Corvair 3 Liter 120HP |
|
| Back to top |
|
 |
user9253
Joined: 28 Mar 2008 Posts: 1967 Location: Riley TWP Michigan
|
Posted: Sun Mar 11, 2012 7:23 pm Post subject: Re: Jabiru 3300 Over Voltage |
|
|
Make sure all connections are clean and tight between the main bus and the voltage sense terminal of the voltage regulator. Make sure the regulator is well grounded.
I suggest monitoring the voltage between the voltage regulator metal case and the 18awg yellow voltage-sense wire where it connects to the regulator. If that voltage goes above 14.5 volts, then replace the voltage regulator, regardless if it is new or not.
Joe
| | - The Matronics AeroElectric-List Email Forum - | | | Use the List Feature Navigator to browse the many List utilities available such as the Email Subscriptions page, Archive Search & Download, 7-Day Browse, Chat, FAQ, Photoshare, and much more:
http://www.matronics.com/Navigator?AeroElectric-List |
|
_________________ Joe Gores |
|
| Back to top |
|
 |
nuckolls.bob(at)aeroelect Guest
|
Posted: Mon Mar 12, 2012 1:13 pm Post subject: Jabiru 3300 Over Voltage |
|
|
At 07:01 PM 3/11/2012, you wrote:
Thanks for the response Bob. I know I'm getting an over voltage event
because is trips the 5 amp breaker in the over voltage circuit and
it's hot to the touch, plus I can see the voltage increase on the
EFIS most of the time, otherwise reviewing the recorded EFIS data (1
second increments).
The breaker is hot to the touch? The EFIS display
shows a bus voltage on the same order as that which
the OV module is designed to stand off . . . i.e. 16 volts
or more?
What are your 'normal' voltage readings?
This happened once early in phase 1 but has progressed to where it
will happen multiple times per flight now. If I keep the landing
lights on I can prevent the event.
Do you have a wiring diagram of how things
are hooked up with wire sizes and all?
One curious change, it used to take a few minutes for the breaker to
cool off before it would reset. Since I moved the yellow IGN wire
from the OV relay to the battery positive terminal when the voltage
increases and trips the OMV I can toggle the alternator switch and
immediately bring the alternator back online.
Hmmmm . . . breaker that has been tripped by
a triggered OVM shouldn't warm up to the touch
at all. In other words, that breaker carries only
relay current . . . about 0.15 amps. The current
spikes to many tens of amps during a crowbar event
thus opening the alternator breaker in a heartbeat . . .
to fast for it to accumulate any perceivable temperature
rise. What kind of breaker is it?
I have replaced the OVM14 and the voltage regulator and haven't
eliminated the problem. Any help would be appreciated.
Need to see your wiring diagram along with a narrative
of voltages you're observing during 'normal' or 'trip
free' operations.
Bob . . .
| | - The Matronics AeroElectric-List Email Forum - | | | Use the List Feature Navigator to browse the many List utilities available such as the Email Subscriptions page, Archive Search & Download, 7-Day Browse, Chat, FAQ, Photoshare, and much more:
http://www.matronics.com/Navigator?AeroElectric-List |
|
|
|
| Back to top |
|
 |
Wingrider
Joined: 22 Nov 2006 Posts: 34 Location: Tullahoma, TN
|
Posted: Mon Mar 12, 2012 5:37 pm Post subject: Re: Jabiru 3300 Over Voltage |
|
|
Bob my wiring diagram is attached to my message about 3 above this one. I've attached a chart of of two flights, one about a year ago where you can see a pretty steady 14 volts and a more recent flight where you see the very fast spikes to 15 plus volts. Other charts/datasets show spikes up to 16 volts and a more drastic swings. Hope this helps.
| | - The Matronics AeroElectric-List Email Forum - | | | Use the List Feature Navigator to browse the many List utilities available such as the Email Subscriptions page, Archive Search & Download, 7-Day Browse, Chat, FAQ, Photoshare, and much more:
http://www.matronics.com/Navigator?AeroElectric-List |
|
| Description: |
|
 Download |
| Filename: |
Voltage Comparison.pdf |
| Filesize: |
161.25 KB |
| Downloaded: |
872 Time(s) |
_________________ Rich Whittington
Tullahoma, TN
Zenith 601HDS
Corvair 3 Liter 120HP |
|
| Back to top |
|
 |
nuckolls.bob(at)aeroelect Guest
|
Posted: Tue Mar 13, 2012 11:09 am Post subject: Jabiru 3300 Over Voltage |
|
|
At 08:37 PM 3/12/2012, you wrote:
| Quote: |
Bob my wiring diagram is attached to my message about 3 above this
one. I've attached a chart of of two flights, one about a year ago
where you can see a pretty steady 14 volts and a more recent flight
where you see the very fast spikes to 15 plus volts. Other
charts/datasets show spikes up to 16 volts and a more drastic
swings. Hope this helps.
|
It's hard to imagine a failure that produces
this sort of behavior from a regulator.
Did you say that you've tried a new rectifier/
regulator?
If so, we're down to wiring. What does your ground
system look like. What kind of airplane are we
talking about?
Bob . . .
| | - The Matronics AeroElectric-List Email Forum - | | | Use the List Feature Navigator to browse the many List utilities available such as the Email Subscriptions page, Archive Search & Download, 7-Day Browse, Chat, FAQ, Photoshare, and much more:
http://www.matronics.com/Navigator?AeroElectric-List |
|
|
|
| Back to top |
|
 |
Wingrider
Joined: 22 Nov 2006 Posts: 34 Location: Tullahoma, TN
|
Posted: Tue Mar 13, 2012 1:21 pm Post subject: Re: Jabiru 3300 Over Voltage |
|
|
Yes I have replaced the regulator with no discernible change. This is a Zenith 601HDS with a Corvair engine, John Deere alternator and John Deere voltage regulator.
All the grounds come to a common 24 position ground bus on the rear of the panel which is connected to the engine block and then from the same bolt on the engine to the negative side of the battery. This has not changed from day one. Nothing has that I can think of, same EFIS, lights, all electrical components, etc.
| | - The Matronics AeroElectric-List Email Forum - | | | Use the List Feature Navigator to browse the many List utilities available such as the Email Subscriptions page, Archive Search & Download, 7-Day Browse, Chat, FAQ, Photoshare, and much more:
http://www.matronics.com/Navigator?AeroElectric-List |
|
_________________ Rich Whittington
Tullahoma, TN
Zenith 601HDS
Corvair 3 Liter 120HP |
|
| Back to top |
|
 |
user9253
Joined: 28 Mar 2008 Posts: 1967 Location: Riley TWP Michigan
|
Posted: Tue Mar 13, 2012 3:42 pm Post subject: Re: Jabiru 3300 Over Voltage |
|
|
Rich,
Verify that the regulator is wired correctly. This website http://www.regulatorrectifier.com/catalog/John-Deere-Tractor-and-Mower-Voltage-Regulator-Rectifier
has the light and ignition terminals switched. If the regulator is wired incorrectly, that would explain the circuit breaker getting warm to the touch.
Having voltage measurements will help others troubleshoot, especially the voltage between the main bus and the regulator ignition (sense) terminal.
Joe
| | - The Matronics AeroElectric-List Email Forum - | | | Use the List Feature Navigator to browse the many List utilities available such as the Email Subscriptions page, Archive Search & Download, 7-Day Browse, Chat, FAQ, Photoshare, and much more:
http://www.matronics.com/Navigator?AeroElectric-List |
|
_________________ Joe Gores |
|
| Back to top |
|
 |
nuckolls.bob(at)aeroelect Guest
|
Posted: Tue Mar 13, 2012 4:15 pm Post subject: Jabiru 3300 Over Voltage |
|
|
At 06:42 PM 3/13/2012, you wrote:
| Quote: | --> AeroElectric-List message posted by: "user9253" <fran4sew(at)banyanol.com>
Rich,
Verify that the regulator is wired correctly. This website http://www.regulatorrectifier.com/catalog/John-Deere-Tractor-and-Mower-Voltage-Regulator-Rectifier
has the light and ignition terminals switched. If the regulator is wired incorrectly, that would explain the circuit breaker getting warm to the touch.
Having voltage measurements will help others troubleshoot, especially the voltage between the main bus and the regulator ignition (sense) terminal. |
Joe,
All the references I could find, including the link
cited above, gives this order and labeling for
the terminals on a John Deere A101406 rectifier/
regulator. The circuit breaker carries relay coil
current which is independent of any characteristics
of the alternator.
[img]cid:7.1.0.9.0.20120313184945.01df0700(at)aeroelectric.com.0[/img]
Have you seen any data source that argues with
what's shown above?
Bob . . .
| | - The Matronics AeroElectric-List Email Forum - | | | Use the List Feature Navigator to browse the many List utilities available such as the Email Subscriptions page, Archive Search & Download, 7-Day Browse, Chat, FAQ, Photoshare, and much more:
http://www.matronics.com/Navigator?AeroElectric-List |
|
| Description: |
|
| Filesize: |
21.56 KB |
| Viewed: |
36503 Time(s) |

|
|
|
| Back to top |
|
 |
Wingrider
Joined: 22 Nov 2006 Posts: 34 Location: Tullahoma, TN
|
Posted: Tue Mar 13, 2012 4:35 pm Post subject: Re: Jabiru 3300 Over Voltage |
|
|
Joe the original regulator was a MIA881279, the replacement I used is the older style AM101406 as shown in your link and yes they wire differently (see attachment). Also the drawing didn't represent the actual wire positions but was drawn for clarity.
The L terminal is going to the light which does illuminate when the relay opens. The Ign terminal is going straight to the battery + terminal right now to eliminate any potential issues in that circuit. Alternator is across the AC terminals with the relay in one leg.
| | - The Matronics AeroElectric-List Email Forum - | | | Use the List Feature Navigator to browse the many List utilities available such as the Email Subscriptions page, Archive Search & Download, 7-Day Browse, Chat, FAQ, Photoshare, and much more:
http://www.matronics.com/Navigator?AeroElectric-List |
|
| Description: |
|
| Filesize: |
227.63 KB |
| Viewed: |
36501 Time(s) |

|
_________________ Rich Whittington
Tullahoma, TN
Zenith 601HDS
Corvair 3 Liter 120HP |
|
| Back to top |
|
 |
user9253
Joined: 28 Mar 2008 Posts: 1967 Location: Riley TWP Michigan
|
Posted: Tue Mar 13, 2012 6:37 pm Post subject: Re: Jabiru 3300 Over Voltage |
|
|
| Quote: | | Have you seen any data source that argues with what's shown above? |
No, I was going by Rich's schematic that shows the lamp connected to the outside terminal of the voltage regulator. But now Rich has explained that his drawing is a schematic and not a wiring diagram. He is confident that the voltage regulator is wired correctly. I believe him.
I see 3 possible causes for the high voltage:
1. There is a wiring error.
2. There is an intermittent high resistance connection between the main bus and the ignition terminal of the regulator, or between regulator ground and aircraft ground.
3. The voltage regulator is bad.
_
Due to the fact that the 5amp circuit breaker gets warm, I suspect the voltage regulator is bad. It seems to me that the voltage between the regulator ground terminal and the regulator voltage-sense terminal should never go above the set point (14.2). If it does, then the regulator is not doing its job, regardless of any loose connections elsewhere.
The voltage is still too high, even with the voltage-sense wire connected directly to the battery. That eliminates the circuit breaker and the master switch as potential problems.
Bob, please correct me if my reasoning is faulty. Just do not tell my wife that I made a mistake.
Joe
| | - The Matronics AeroElectric-List Email Forum - | | | Use the List Feature Navigator to browse the many List utilities available such as the Email Subscriptions page, Archive Search & Download, 7-Day Browse, Chat, FAQ, Photoshare, and much more:
http://www.matronics.com/Navigator?AeroElectric-List |
|
_________________ Joe Gores |
|
| Back to top |
|
 |
Float Flyr

Joined: 19 Jul 2006 Posts: 2704 Location: Campbellton, Newfoundland
|
Posted: Tue Mar 13, 2012 7:19 pm Post subject: Jabiru 3300 Over Voltage |
|
|
Something in the order of 90% of problems with power in aircraft stem from
dirty grounds. (Personal experience) Many regulators/rectifiers use the back
of the regulator box for ground. If you get a little corrosion there,
emphasis on the word "little", it will trick the regulator into seeing less
voltage on the buss than is actually there. So the best place to start is
to take off all connections, one at a time, and clean them up to shiny.
(both the ring connectors and the posts, nuts and washers too) Don't forget
to dismount the regulator and clean both the back of the regulator and the
place where it is mounted.
Noel
--
| | - The Matronics AeroElectric-List Email Forum - | | | Use the List Feature Navigator to browse the many List utilities available such as the Email Subscriptions page, Archive Search & Download, 7-Day Browse, Chat, FAQ, Photoshare, and much more:
http://www.matronics.com/Navigator?AeroElectric-List |
|
_________________ Noel Loveys
Kitfox III-A
Aerocet 1100 Floats |
|
| Back to top |
|
 |
Float Flyr

Joined: 19 Jul 2006 Posts: 2704 Location: Campbellton, Newfoundland
|
Posted: Tue Mar 13, 2012 7:24 pm Post subject: Jabiru 3300 Over Voltage |
|
|
Generally when a voltage regulator blows it turns off the field coils
thereby turning off the alternator. Intermittent charging can be caused by
worn brushes in the alternator and high voltage is almost always caused by a
poor ground on the regulator. Since the wiring was working the best
possibility is a small bit of corrosion on the regulator case.
Noel
Noel
--
| | - The Matronics AeroElectric-List Email Forum - | | | Use the List Feature Navigator to browse the many List utilities available such as the Email Subscriptions page, Archive Search & Download, 7-Day Browse, Chat, FAQ, Photoshare, and much more:
http://www.matronics.com/Navigator?AeroElectric-List |
|
_________________ Noel Loveys
Kitfox III-A
Aerocet 1100 Floats |
|
| Back to top |
|
 |
|
|
You cannot post new topics in this forum You cannot reply to topics in this forum You cannot edit your posts in this forum You cannot delete your posts in this forum You cannot vote in polls in this forum You cannot attach files in this forum You can download files in this forum
|
Powered by phpBB © 2001, 2005 phpBB Group
|