 |
Matronics Email Lists Web Forum Interface to the Matronics Email Lists
|
| View previous topic :: View next topic |
| Author |
Message |
mskoehn(at)comcast.net Guest
|
Posted: Mon Jul 18, 2011 11:24 pm Post subject: Load Analysis Spread Sheet |
|
|
Kind of a beginner's question here. I am sure someone out there has a good example of a Load Analysis, or perhaps something in visual basic, accounting for varying power loads in their design? I am looking for a coherent graphic of an electrical architecture that might be modifiable towards the design I have in mind. Failing that does anyone have a laundry list of power consumptions of representative airframe equipment found in light aircraft I could use as a starting point? Just trying to save some re-invent the wheel time.
Thanks in advance,
[quote][b]
| | - The Matronics AeroElectric-List Email Forum - | | | Use the List Feature Navigator to browse the many List utilities available such as the Email Subscriptions page, Archive Search & Download, 7-Day Browse, Chat, FAQ, Photoshare, and much more:
http://www.matronics.com/Navigator?AeroElectric-List |
|
|
|
| Back to top |
|
 |
fvalarm(at)rapidnet.net Guest
|
Posted: Tue Jul 19, 2011 12:23 am Post subject: Load Analysis Spread Sheet |
|
|
Check this one out courtesy of Vertical Power.
http://www.verticalpower.com/docs/Device_Amps.pdf
Bevan
From: owner-aeroelectric-list-server(at)matronics.com [mailto:owner-aeroelectric-list-server(at)matronics.com] On Behalf Of mike
Sent: Tuesday, July 19, 2011 12:21 AM
To: aeroelectric-list(at)matronics.com
Subject: Load Analysis Spread Sheet
Kind of a beginner's question here. I am sure someone out there has a good example of a Load Analysis, or perhaps something in visual basic, accounting for varying power loads in their design? I am looking for a coherent graphic of an electrical architecture that might be modifiable towards the design I have in mind. Failing that does anyone have a laundry list of power consumptions of representative airframe equipment found in light aircraft I could use as a starting point? Just trying to save some re-invent the wheel time.
Thanks in advance,
[quote]
href="http://www.matronics.com/Navigator?AeroElectric-List">http://www.matronics.com/Navigator?AeroElectric-List
href="http://forums.matronics.com">http://forums.matronics.com
href="http://www.matronics.com/contribution">http://www.matronics.com/c
[b]
| | - The Matronics AeroElectric-List Email Forum - | | | Use the List Feature Navigator to browse the many List utilities available such as the Email Subscriptions page, Archive Search & Download, 7-Day Browse, Chat, FAQ, Photoshare, and much more:
http://www.matronics.com/Navigator?AeroElectric-List |
|
|
|
| Back to top |
|
 |
james(at)etravel.org Guest
|
Posted: Tue Jul 19, 2011 2:27 am Post subject: Load Analysis Spread Sheet |
|
|
Mike,
I found a useful exercise was to create a spreadsheet with columns for various stages of flight (e.g. startup, taxi, climbout, cruise, descent, etc.) and rows for the various items of equipment. Some basic formulas will give you a precise understanding of the loads at different points, along with a theoretical maximum.
You can further break this down so that the rows are grouped together in "busses", e.g. main bus, endurance bus, to then determine other answers, e.g. how long might your battery last if you're on your endurance bus without an alternator.
I've a spreadsheet with all this on if you want it.
HTH
James
On 19 July 2011 08:20, mike <mskoehn(at)comcast.net (mskoehn(at)comcast.net)> wrote:
[quote] Kind of a beginner's question here. I am sure someone out there has a good example of a Load Analysis, or perhaps something in visual basic, accounting for varying power loads in their design? I am looking for a coherent graphic of an electrical architecture that might be modifiable towards the design I have in mind. Failing that does anyone have a laundry list of power consumptions of representative airframe equipment found in light aircraft I could use as a starting point? Just trying to save some re-invent the wheel time.
Thanks in advance,
| Quote: |
ist" target="_blank">http://www.matronics.com/Navigator?AeroElectric-List
tp://forums.matronics.com
_blank">http://www.matronics.com/contribution
|
[b]
| | - The Matronics AeroElectric-List Email Forum - | | | Use the List Feature Navigator to browse the many List utilities available such as the Email Subscriptions page, Archive Search & Download, 7-Day Browse, Chat, FAQ, Photoshare, and much more:
http://www.matronics.com/Navigator?AeroElectric-List |
|
|
|
| Back to top |
|
 |
nuckolls.bob(at)aeroelect Guest
|
Posted: Tue Jul 19, 2011 8:16 am Post subject: Load Analysis Spread Sheet |
|
|
At 02:20 AM 7/19/2011, you wrote:
| Quote: | | Kind of a beginner's question here. I am sure someone out there has a good example of a Load Analysis, or perhaps something in visual basic, accounting for varying power loads in their design? I am looking for a coherent graphic of an electrical architecture that might be modifiable towards the design I have in mind. Failing that does anyone have a laundry list of power consumptions of representative airframe equipment found in light aircraft I could use as a starting point? Just trying to save some re-invent the wheel time. |
Check out the downloads at:
http://www.aeroelectric.com/PPS/Load_Analysis/
If you're handy with Excel and really want a
self-calculating spread sheet, there are
a couple of examples. Others here on the List
no doubt have others to share.
If you're doing a study on a Beechjet, then
a spread-sheet is the only way to go. I suspect
that a simple pencil/paper/calculator apporach
is the fastest path to understanging by filling
our a form like
http://www.aeroelectric.com/PPS/Load_Analysis/Blank_Form.pdf
This is an adaptation of the forms we were
using on TC aircraft 60 years ago.
Bob . . . [quote][b]
| | - The Matronics AeroElectric-List Email Forum - | | | Use the List Feature Navigator to browse the many List utilities available such as the Email Subscriptions page, Archive Search & Download, 7-Day Browse, Chat, FAQ, Photoshare, and much more:
http://www.matronics.com/Navigator?AeroElectric-List |
|
|
|
| Back to top |
|
 |
sprocket(at)vx-aviation.c Guest
|
Posted: Tue Jul 19, 2011 9:30 am Post subject: Load Analysis Spread Sheet |
|
|
Check www.verticalpower.com for their load planning spreadsheets.
-Vern
From: Robert L. Nuckolls, III (nuckolls.bob(at)aeroelectric.com)
Sent: Tuesday, July 19, 2011 9:14 AM
To: aeroelectric-list(at)matronics.com (aeroelectric-list(at)matronics.com)
Subject: Re: Load Analysis Spread Sheet
At 02:20 AM 7/19/2011, you wrote:
| Quote: | | Kind of a beginner's question here. I am sure someone out there has a good example of a Load Analysis, or perhaps something in visual basic, accounting for varying power loads in their design? I am looking for a coherent graphic of an electrical architecture that might be modifiable towards the design I have in mind. Failing that does anyone have a laundry list of power consumptions of representative airframe equipment found in light aircraft I could use as a starting point? Just trying to save some re-invent the wheel time. |
Check out the downloads at:
http://www.aeroelectric.com/PPS/Load_Analysis/
If you're handy with Excel and really want a
self-calculating spread sheet, there are
a couple of examples. Others here on the List
no doubt have others to share.
If you're doing a study on a Beechjet, then
a spread-sheet is the only way to go. I suspect
that a simple pencil/paper/calculator apporach
is the fastest path to understanging by filling
our a form like
http://www.aeroelectric.com/PPS/Load_Analysis/Blank_Form.pdf
This is an adaptation of the forms we were
using on TC aircraft 60 years ago.
Bob . . . | Quote: |
href="http://www.matronics.com/Navigator?AeroElectric-List">http://www.matronics.com/Navigator?AeroElectric-List
href="http://forums.matronics.com">http://forums.matronics.com
href="http://www.matronics.com/contribution">http://www.matronics.com/c
|
No virus found in this message.
Checked by AVG - www.avg.com
Version: 10.0.1390 / Virus Database: 1518/3774 - Release Date: 07/19/11
[quote][b]
| | - The Matronics AeroElectric-List Email Forum - | | | Use the List Feature Navigator to browse the many List utilities available such as the Email Subscriptions page, Archive Search & Download, 7-Day Browse, Chat, FAQ, Photoshare, and much more:
http://www.matronics.com/Navigator?AeroElectric-List |
|
|
|
| Back to top |
|
 |
Mauledriver(at)nc.rr.com Guest
|
Posted: Tue Jul 19, 2011 11:38 am Post subject: Load Analysis Spread Sheet |
|
|
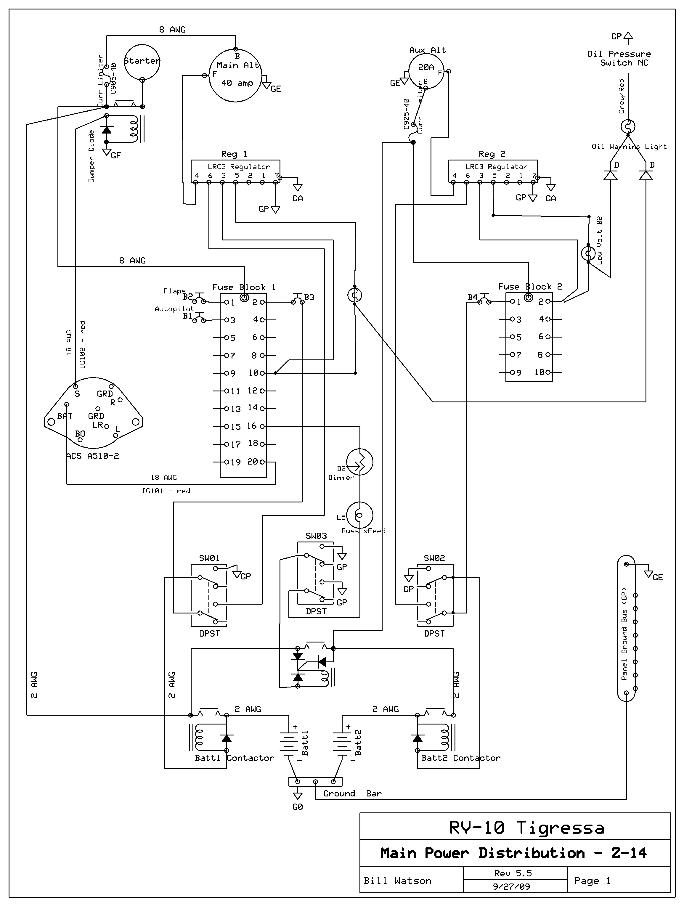
You are going thru the same process as all of us have. Look at everything you can find, steal as much as can and along the way you'll get you're head wrapped around it. My worksheet with load analysis is attached.
I assume you are already familiar with Bob's Z-designs (a collection of well vetted electrical architectures for our machines). Starting (and staying) there is the way to avoid re-inventing any wheels. My version of Bob's Z-14 is also attached.
On 7/19/2011 3:20 AM, mike wrote: | Quote: | Kind of a beginner's question here. I am sure someone out there has a good example of a Load Analysis, or perhaps something in visual basic, accounting for varying power loads in their design? I am looking for a coherent graphic of an electrical architecture that might be modifiable towards the design I have in mind. Failing that does anyone have a laundry list of power consumptions of representative airframe equipment found in light aircraft I could use as a starting point? Just trying to save some re-invent the wheel time.
Thanks in advance,
|
| | - The Matronics AeroElectric-List Email Forum - | | | Use the List Feature Navigator to browse the many List utilities available such as the Email Subscriptions page, Archive Search & Download, 7-Day Browse, Chat, FAQ, Photoshare, and much more:
http://www.matronics.com/Navigator?AeroElectric-List |
|
| Description: |
|
| Filesize: |
872.64 KB |
| Viewed: |
8088 Time(s) |

|
| Description: |
|
 Download |
| Filename: |
Tigressa_Wire_Book_and_Load_Analysis_GRT_-_fuse-centric_V2.8.xls |
| Filesize: |
425.5 KB |
| Downloaded: |
478 Time(s) |
|
|
| Back to top |
|
 |
nuckolls.bob(at)aeroelect Guest
|
Posted: Tue Jul 19, 2011 3:19 pm Post subject: Load Analysis Spread Sheet |
|
|
At 02:32 PM 7/19/2011, you wrote:
| Quote: | You are going thru the same process as all of us have. Look at
everything you can find, steal as much as can and along the way
you'll get you're head wrapped around it.
|
Agreed. Many builders start with a strong urge to "keep
everything running" in spite of inevitable failures of all kinds.
By inevitable failure I mean no piece of hardware on your
airplane has an infinite service life, nor are any components
immune to the effects of error in craftsmanship or degraded
performance due to misunderstanding or neglect. The short
version of this idea is "Things Break".
Suggest you review the article on Failure Modes Effects
analysis at:
http://www.aeroelectric.com/articles/Failure%20Modes%20Effects%20Analysis.pdf
also chapter 17 in the 'Connection
Then figure out what you plan to do personally to
deal with the failure of any device or system in the
airplane. It's easy to spend hours, pounds and dollars
designing an electrical system that will keep every
device in the airplane POWERED while ignoring the
non-zero probability that that coveted system is not
immune from FAILURE.
I've mentioned many times here on this List that
my personal approach to flying airplanes (always
rental machines) is to be prepared to aviate and navigate
and navigate to airport of intended destination
in what I call "The J-3 Mode". Toward that end my
flight bag has always included . . .
http://aeroelectric.com/Pictures/Misc/Vacination_for_Dark_Panel_Syndrom.pdf
My goals for having confidence to operate my airplane-
of-the-day is predicated on the idea that at best I'll get
there as long as the engine runs and the flight
controls stay hooked up. At worst, I'll get an
adventure on some airport I never before intended
to visit.
For anyone setting out to configure their electrical
system, the first question is, "Can I operate this
airplane in the vast majority of anticipated missions
with the master switches OFF?"
If the answer to that is "yes", then I'll suggest
that your extra-ordinary needs for electrical energy
are small to zero. If "no", then what's the practical
solution to making sure the MINIMAL compliment of
additional hardware is powered up for longer than
you have fuel to keep the engine running?
Start with solving that problem first. What is your
MINIMALIST plan and skill set for comfortable
termination of flight and figure the energy budget
for delivering to that plan?
If any of those equipment items are necessary for
keeping the engine running they should be powered from
a battery bus. In other words, if you've got
smoke in the cockpit, you should be able to
turn the master switch OFF and STILL continue
to airport of intended destination.
After conducting this exercise, then figure out
how many more electro-whizzies you'd like to
have running, not for necessity but for convenience.
Any airplane can be successfully operated to a
comfortable arrival with ZERO engine instrumentation
. . . if you want to take the time to learn how
to do it. An airplane can be successfully navigated
with ZERO panel mounted nav-aids. Communication is
a driving consideration only during the approach to
landing phase and this can be done with a hand-held.
After figuring out how you will achieve this level
of confidence and competence with the manner in which
you intend to use your airplane, then decide what
your dollar, weight and volume budget is for adding
more "stuff".
This exercise goes to two important points. Only
a tiny fraction of unhappy days in the cockpit have
roots in electrical system failures. The vast majority
of unhappy days in the cockpit have roots in poor
piloting skills usually combined with poor decision
making processes in dealing with what should be
a no-big deal failure.
If things didn't break on airplanes, FBO's would be
out of business. Only YOU can make sure the majority
if not all of your failures are a maintenance event
as opposed to an emergency arising from lack of
skill/planning.
After this thought exercise you are now properly informed
to carry out a load analysis that will drive architecture,
weight, system complexity, and cost of ownership.
The short review for all the above is, "Please disabuse
yourself of the notion that backups to backups is
any sort of replacement for understanding your machine,
it's limitations and your own limitations. Tony Levier
in a '60 model C-172 is a lot less likely to suffer
a bad day in the cockpit than most of today's pilots
buying a Malibu or A-36 with all the goodies.
Some of my most enjoyable cross countries were conducted
in the J-3 mode. Go down low, get out the maps, punch
up a destination on the $100 hand held GPS and shut all
the rest of that stuff off. If you can do it for fun, you
can do it when conditions demand it.
Bob . . .
| | - The Matronics AeroElectric-List Email Forum - | | | Use the List Feature Navigator to browse the many List utilities available such as the Email Subscriptions page, Archive Search & Download, 7-Day Browse, Chat, FAQ, Photoshare, and much more:
http://www.matronics.com/Navigator?AeroElectric-List |
|
|
|
| Back to top |
|
 |
Mauledriver(at)nc.rr.com Guest
|
Posted: Wed Jul 20, 2011 6:04 am Post subject: Load Analysis Spread Sheet |
|
|
There's more electrical system wisdom condensed in Bob's post than
you'll glean in 2 weeks of surfing!
do not archive
I'm forced to reflect on it all after driving my Maule into RDU
yesterday, having lunch, and then requiring a 'jump' to get out!
What happened? I've been flying around with a marginal battery. It was
marginal at my annual a few weeks ago but it was not noticed. Since
then, I've flown it every day and noted that the solenoid sometimes
didn't always engage on the first try so it's totally my bad at this
point. But I was getting it started each time... until I sat on the
ramp for 5 mins running the panel while talking to RDUclearance
delivery. By the time I tried to start.... buzz buzz, but no click.
I slinked into the FBO and asked for a jump. After a bit, a lineman
showed up with a cart but alas, I have no plug and the oil access hatch
doesn't really give access to the battery. He tsk tsk'd me and observed
we couldn't remove the cowling to start it if your battery is really dead.
He was giving me an up and down look as I looked at this grizzled
lineman wondering what we would do amidst all the whining turbines. I
mumbled that hand propping could work but assumed policy prohibited such
antics at big airport FBO. He looked at my well worn mount, noted the
pilot door removed for summer comfort, and seemed to note the paint and
oil stains on my shorts. Looking over his shoulder he said, "let's prop
it then".
I have limited experience with propping but know that the 'propper' is
placing a good bit of trust in one's teammate. I assumed he knew what
he was doing and he assumed I knew what I was doing and off we went. He
said "prime it". I said, "it doesn't need much", knowing that just 1
throttle pump would be needed at this particular point. He gave the
appropriate mags on and mags off commands, I repeated them loudly and
hand signalled them for insurance. Took 3 pulls and off I went.
Back in the system, I was queued behind a Tobago for takeoff. The
controller was familiar enough with the 2 of us to give the Tobago
clearance for runway heading and had me rolling just as his wheels left
the ground. I got an immediate right turn on course to cross the
parallel. I wrapped it up tight and crossed before midfield as he
cleared 2 aircraft on the parallel then finally right turned the Tobago
on course after airliners landed and took off the parallel. I was in
the home pattern before the Tobago caught up. That was cool!
Bill "still driving the Maule but feeling the '10" Watson
On 7/19/2011 7:15 PM, Robert L. Nuckolls, III wrote:
| Quote: |
<nuckolls.bob(at)aeroelectric.com>
At 02:32 PM 7/19/2011, you wrote:
> You are going thru the same process as all of us have. Look at
> everything you can find, steal as much as can and along the way
> you'll get you're head wrapped around it.
Agreed. Many builders start with a strong urge to "keep
everything running" in spite of inevitable failures of all kinds.
By inevitable failure I mean no piece of hardware on your
airplane has an infinite service life, nor are any components
immune to the effects of error in craftsmanship or degraded
performance due to misunderstanding or neglect. The short
version of this idea is "Things Break".
Suggest you review the article on Failure Modes Effects
analysis at:
http://www.aeroelectric.com/articles/Failure%20Modes%20Effects%20Analysis.pdf
also chapter 17 in the 'Connection
Then figure out what you plan to do personally to
deal with the failure of any device or system in the
airplane. It's easy to spend hours, pounds and dollars
designing an electrical system that will keep every
device in the airplane POWERED while ignoring the
non-zero probability that that coveted system is not
immune from FAILURE.
I've mentioned many times here on this List that
my personal approach to flying airplanes (always
rental machines) is to be prepared to aviate and navigate
and navigate to airport of intended destination
in what I call "The J-3 Mode". Toward that end my
flight bag has always included . . .
http://aeroelectric.com/Pictures/Misc/Vacination_for_Dark_Panel_Syndrom.pdf
My goals for having confidence to operate my airplane-
of-the-day is predicated on the idea that at best I'll get
there as long as the engine runs and the flight
controls stay hooked up. At worst, I'll get an
adventure on some airport I never before intended
to visit.
For anyone setting out to configure their electrical
system, the first question is, "Can I operate this
airplane in the vast majority of anticipated missions
with the master switches OFF?"
If the answer to that is "yes", then I'll suggest
that your extra-ordinary needs for electrical energy
are small to zero. If "no", then what's the practical
solution to making sure the MINIMAL compliment of
additional hardware is powered up for longer than
you have fuel to keep the engine running?
Start with solving that problem first. What is your
MINIMALIST plan and skill set for comfortable
termination of flight and figure the energy budget
for delivering to that plan?
If any of those equipment items are necessary for
keeping the engine running they should be powered from
a battery bus. In other words, if you've got
smoke in the cockpit, you should be able to
turn the master switch OFF and STILL continue
to airport of intended destination.
After conducting this exercise, then figure out
how many more electro-whizzies you'd like to
have running, not for necessity but for convenience.
Any airplane can be successfully operated to a
comfortable arrival with ZERO engine instrumentation
. . . if you want to take the time to learn how
to do it. An airplane can be successfully navigated
with ZERO panel mounted nav-aids. Communication is
a driving consideration only during the approach to
landing phase and this can be done with a hand-held.
After figuring out how you will achieve this level
of confidence and competence with the manner in which
you intend to use your airplane, then decide what
your dollar, weight and volume budget is for adding
more "stuff".
This exercise goes to two important points. Only
a tiny fraction of unhappy days in the cockpit have
roots in electrical system failures. The vast majority
of unhappy days in the cockpit have roots in poor
piloting skills usually combined with poor decision
making processes in dealing with what should be
a no-big deal failure.
If things didn't break on airplanes, FBO's would be
out of business. Only YOU can make sure the majority
if not all of your failures are a maintenance event
as opposed to an emergency arising from lack of
skill/planning.
After this thought exercise you are now properly informed
to carry out a load analysis that will drive architecture,
weight, system complexity, and cost of ownership.
The short review for all the above is, "Please disabuse
yourself of the notion that backups to backups is
any sort of replacement for understanding your machine,
it's limitations and your own limitations. Tony Levier
in a '60 model C-172 is a lot less likely to suffer
a bad day in the cockpit than most of today's pilots
buying a Malibu or A-36 with all the goodies.
Some of my most enjoyable cross countries were conducted
in the J-3 mode. Go down low, get out the maps, punch
up a destination on the $100 hand held GPS and shut all
the rest of that stuff off. If you can do it for fun, you
can do it when conditions demand it.
Bob . . .
|
| | - The Matronics AeroElectric-List Email Forum - | | | Use the List Feature Navigator to browse the many List utilities available such as the Email Subscriptions page, Archive Search & Download, 7-Day Browse, Chat, FAQ, Photoshare, and much more:
http://www.matronics.com/Navigator?AeroElectric-List |
|
|
|
| Back to top |
|
 |
Mike Koehn
Joined: 21 Jul 2011 Posts: 6 Location: Seattle, WA
|
Posted: Thu Jul 21, 2011 9:25 am Post subject: Re: Load Analysis Spread Sheet |
|
|
What fun. Thanks to everyone who replied to this first post, especially Bob for his insight on how I aught to be thinking about the big picture. Z-13/8 seems like the right starting point. Great book. Found more spread sheet info in the archives as well so I am looking forward to a first pass at the (non?) problem. With an all electric airplane in mind and integral battery backups as part of the equipment design (skyView and D-10) there appears to be plenty of power redundancy for the airplane's meager mission and then some, at least on the back of the envelope.
Fly safe,
Mike
| | - The Matronics AeroElectric-List Email Forum - | | | Use the List Feature Navigator to browse the many List utilities available such as the Email Subscriptions page, Archive Search & Download, 7-Day Browse, Chat, FAQ, Photoshare, and much more:
http://www.matronics.com/Navigator?AeroElectric-List |
|
_________________ "Testing is what we do when we don't know what we are doing"
Dr. Wernher von Braun |
|
| Back to top |
|
 |
nuckolls.bob(at)aeroelect Guest
|
Posted: Thu Jul 21, 2011 10:01 am Post subject: Load Analysis Spread Sheet |
|
|
At 12:25 PM 7/21/2011, you wrote:
| Quote: |
. . . there appears to be plenty of power redundancy for the
airplane's meager mission and then some, at least on the back of the envelope.
|
Good words to hear! Keep us in the loop so we
can help you add your project to the fleet of
the most efficient and affordable airplanes
to have ever flown.
You might just do a 'back of the envelope' dump
to the List of all the electrical loads you presently
anticipate in no particular order of importance.
Just everything that spins, lights up, gets warm
or makes noises . . . and blows fuses when having
a bad day . . .
Then let's 'shuffle the deck' here on the List . . .
Bob . . .
| | - The Matronics AeroElectric-List Email Forum - | | | Use the List Feature Navigator to browse the many List utilities available such as the Email Subscriptions page, Archive Search & Download, 7-Day Browse, Chat, FAQ, Photoshare, and much more:
http://www.matronics.com/Navigator?AeroElectric-List |
|
|
|
| Back to top |
|
 |
|
|
You cannot post new topics in this forum You cannot reply to topics in this forum You cannot edit your posts in this forum You cannot delete your posts in this forum You cannot vote in polls in this forum You cannot attach files in this forum You can download files in this forum
|
Powered by phpBB © 2001, 2005 phpBB Group
|