 |
Matronics Email Lists Web Forum Interface to the Matronics Email Lists
|
| View previous topic :: View next topic |
| Author |
Message |
bobair(at)me.com Guest
|
Posted: Sun Apr 18, 2010 6:38 pm Post subject: B & C Specialties Warning Light- Would Like to Dim |
|
|
I'm starting a significant upgrade of the VFR-only panel in my flying GlaStar to an IFR panel. I currently have the B & C Specialty LR3C-14 alternator controller and will be installing the B & C SD-20 standby alternator with a SB1B-14 controller. The currently installed low voltage light will be replaced with a "standby alternator on" light.
The current warning light is way too bright, especially at night. I expect the standby alternator "on" light to be just as bright.
Is there an easy way to dim the light after it has come on and gotten my attention? If dimming it is too difficult, I'm thinking of adding a small switch so I can shut it off after it has come on. This switch would be normally "on" and I'd have to add that as a checklist item.
I already have and will continue to use a B & C dimmer (DIM5-14 or DIM15-14). If I recall correctly, it will handle two or three different circuits. Can it be wired such that it will dim the warning light while increasing the brightness of the other circuit -- say my other panel lights -- or do all circuits have to work in the same direction? If it can dim one circuit while brightening up the other, I think I could find a happy medium and use existing hardware.
Bob
GlaStar
N248BF
~300 Hours
| | - The Matronics AeroElectric-List Email Forum - | | | Use the List Feature Navigator to browse the many List utilities available such as the Email Subscriptions page, Archive Search & Download, 7-Day Browse, Chat, FAQ, Photoshare, and much more:
http://www.matronics.com/Navigator?AeroElectric-List |
|
|
|
| Back to top |
|
 |
user9253
Joined: 28 Mar 2008 Posts: 1967 Location: Riley TWP Michigan
|
Posted: Mon Apr 19, 2010 7:42 am Post subject: Re: B & C Specialties Warning Light- Would Like to Dim |
|
|
bobair,
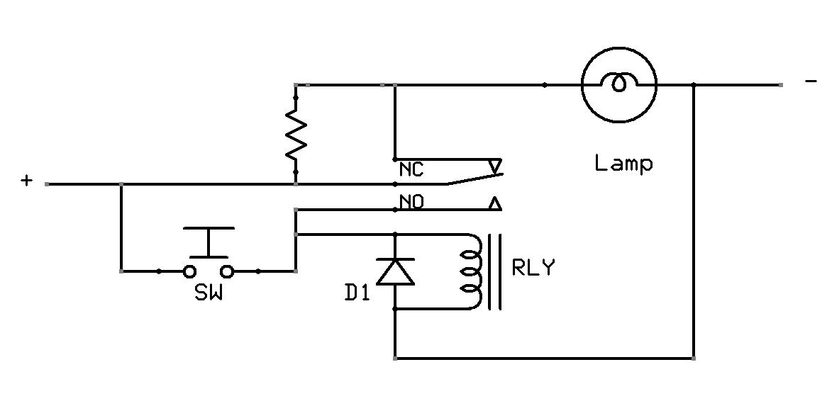
Here is a circuit to dim a lamp.
http://public.bay.livefilestore.com/y1pnjhA-QOagoszIUOS_iGTx6Uw9gnQ1G-xEr5gCUrpDQ4RGg9zXqzo-0gwBpbT2GBxlz9tWj7Y1QjbnTMtbIq4Sw/Lamp%20dimmer.jpg
The lamp will illuminate normally until the momentary switch is pushed. Then the relay will energize and hold until the alarm condition goes away. With the relay energized, the lamp current is reduced by the resistor. If it is desired that the lamp go out completely, remove the resistor from the circuit.
Joe
| | - The Matronics AeroElectric-List Email Forum - | | | Use the List Feature Navigator to browse the many List utilities available such as the Email Subscriptions page, Archive Search & Download, 7-Day Browse, Chat, FAQ, Photoshare, and much more:
http://www.matronics.com/Navigator?AeroElectric-List |
|
| Description: |
|
| Filesize: |
40.48 KB |
| Viewed: |
2155 Time(s) |

|
_________________ Joe Gores |
|
| Back to top |
|
 |
|
|
You cannot post new topics in this forum You cannot reply to topics in this forum You cannot edit your posts in this forum You cannot delete your posts in this forum You cannot vote in polls in this forum You cannot attach files in this forum You can download files in this forum
|
Powered by phpBB © 2001, 2005 phpBB Group
|