bencunninghamiii(at)gmail Guest
|
Posted: Sat Oct 03, 2009 1:26 pm Post subject: Wiring the LR3C-14 |
|
|
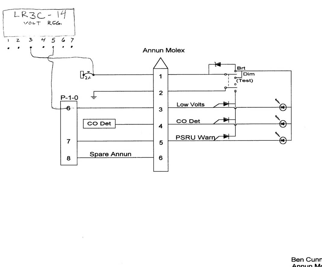
| Quote: | I recently purchased the LR3C-14 voltage Reg. for my RV7.
My panel was constructed by Aerotronics and I have added a diagram below of their schematic for my annunciator light circuit.
I have added a sketch below of how I would like to wire the LR3, with terminal 5 feeding the low voltage light through plug P-1-0/6, and terminal 3 reading buss voltage downstream of the 2 amp breaker. Since the light would be wired through a test switch, I wanted to run this setup by everyone to see if it looked OK.
|
Thanks,
Ben
[img]cid:B73E446D-FFA2-4B6C-9096-2415E5F8271E[/img]
| | - The Matronics AeroElectric-List Email Forum - | | | Use the List Feature Navigator to browse the many List utilities available such as the Email Subscriptions page, Archive Search & Download, 7-Day Browse, Chat, FAQ, Photoshare, and much more:
http://www.matronics.com/Navigator?AeroElectric-List |
|
| Description: |
|
| Filesize: |
41.27 KB |
| Viewed: |
1531 Time(s) |

|
|
|