Terry Phillips

Joined: 11 Jan 2006 Posts: 346 Location: Corvallis, MT
|
Posted: Mon Mar 16, 2009 4:31 pm Post subject: Fwd: Re: Is Your CH601XL/650 a 1320 lb Airplane or a 1041 |
|
|
Sabrina, thank you for bringing the SR-20 to this discussion.
The SR-20 is an ideal example to illustrate what we are talking about with the GVT tests. A adequate response is a bit little long, so please bear with me.
First of all, the SR-20 is a certificated airplane. As such, it is subject to FAR 23.629 Flutter. See http://tinyurl.com/cbjwo8 What does 23.629 teach us? Here is most of the text: - (a) It must be shown by the methods of paragraph (b) and either paragraph (c) or (d) of this section, that the airplane is free from flutter, control reversal, and divergence for any condition of operation within the limit V-n envelope and at all speeds up to the speed specified for the selected method. In addition—
- (1) Adequate tolerances must be established for quantities which affect flutter, including speed, damping, mass balance, and control system stiffness; and
- (2) The natural frequencies of main structural components must be determined by vibration tests or other approved methods.
- (b) Flight flutter tests must be made to show that the airplane is free from flutter, control reversal and divergence and to show that—
- (1) Proper and adequate attempts to induce flutter have been made within the speed range up to VD;
- (2) The vibratory response of the structure during the test indicates freedom from flutter;
- (3) A proper margin of damping exists at VD; and
- (4) There is no large and rapid reduction in damping as VD is approached.
- (c) Any rational analysis used to predict freedom from flutter, control reversal and divergence must cover all speeds up to 1.2 VD.
- (d) Compliance with the rigidity and mass balance criteria (pages 4–12), in Airframe and Equipment Engineering Report No. 45 (as corrected) “Simplified Flutter Prevention Criteria” (published by the Federal Aviation Administration) may be accomplished to show that the airplane is free from flutter, control reversal, or divergence if—
- (1) VD/MD for the airplane is less than 260 knots (EAS) and less than Mach 0.5,
- (2) The wing and aileron flutter prevention criteria, as represented by the wing torsional stiffness and aileron balance criteria, are
- limited in use to airplanes without large mass concentrations (such as engines, floats, or fuel tanks in outer wing panels) along the
- wing span, and
- (3) The airplane—
- (i) Does not have a T-tail or other unconventional tail configurations;
- (ii) Does not have unusual mass distributions or other unconventional design features that affect the applicability of the criteria, and
- (iii) Has fixed-fin and fixed-stabilizer surfaces.
- (e) ....
- (f) Freedom from flutter, control reversal, and divergence up to VD/MD must be shown as follows:
- (1) For airplanes that meet the criteria of paragraphs (d)(1) through (d)(3) of this section, after the failure, malfunction, or disconnection of any single element in any tab control system.
- (2) For airplanes other than those described in paragraph (f)(1) of this section, after the failure, malfunction, or disconnection of any single element in the primary flight control system, any tab control system, or any flutter damper.
Section (a) is pretty straightforward it must be shown that flutter does not occur within the V-n envelope (see, e.g., http://tinyurl.com/c3opnj ). Per (a)(2), the natural frequencies of the main structural components must be determined. This is to be done by ground vibration testing (GVT). To obtain the natural frequencies, the GVT must be done at a variety of conditions, including various levels of cable tension.
The absence of flutter must be proven by flight tests (b) and by either (c) or (d).
As I understand it, rational analysis, as in (c), includes 3D flutter modeling by finite element models. Note that, 3D modeling requires the frequency data from the GVT for final validation. So, we come back to the requirement for GVT.
Ah, but there is an out, (d) offers the simplified methods in A&E Report No. 45 (which is available in the ZBAG file section). Unfortunately, ZBAG have determined that the 601XL ailerons do not meet the A&E Report No. 45 criteria. But don't take my word for it. Get the report and do the calculations yourself. Report back on what you find. I have no idea whether or not the SR-20 control surfaces meet the criteria.
Finally, note what (f) (2) would require of the 601XL were it a certificated aircraft: The aircraft must be free of flutter "after the failure, malfunction, or disconnection of any single element in the primary flight control system." I.e., don't just loosen those cables! Disconnect them and still have no flutter! Ask yourself why the FAA would impose that requirement.
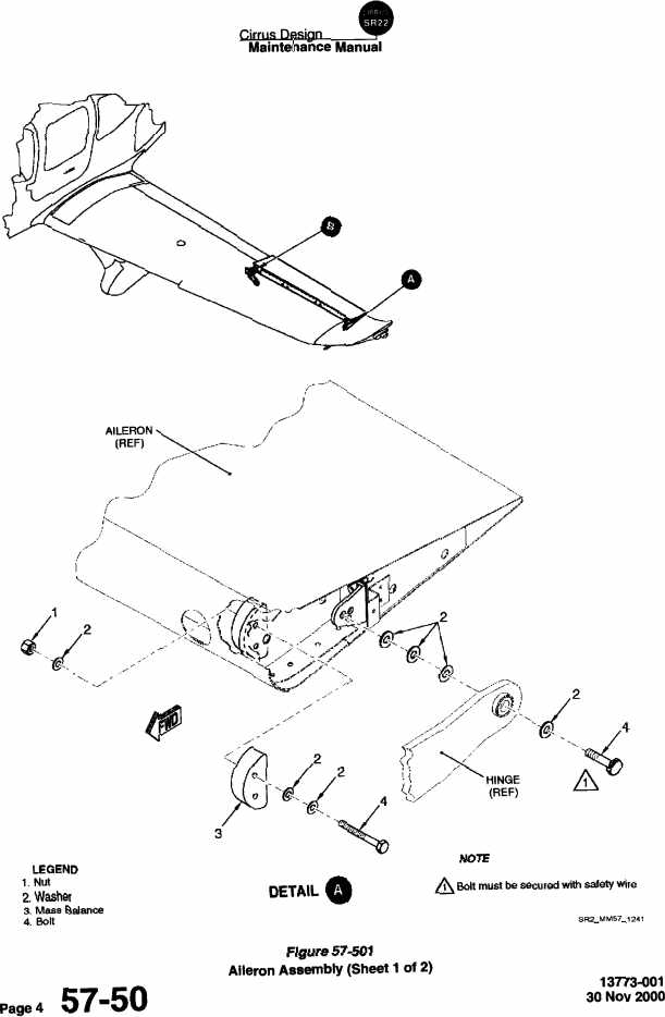
Obviously, Sabrina, the above discussion does not rule out springs in the control system. I agree with Bryan that the SR-20 springs are probably designed to automatically coordinate the rudders with the ailerons. In any case, the attached page from the SR-20 Maintenance Manual clearly shows how the SR-20 (and almost every other all-metal certificated airplane, and many if not most all-metal experimental airplanes) protect against flutter. Yep, it's a counterbalance. There appear to be ~10 mass balance weights on the SR-20 aileron. If you are interested, the SR-20 aileron maintenance pdf downloads automatically from: http://tinyurl.com/dn5ggy .
Why does the FAA require all that testing? Because even the best designs by the best engineers often require fine tuning before they function as intended. It is unlikely that Cirrus' went into production with their first draft SR-20 control system design. Probably the production design evolved as they learned more from GVT and modeling. Do I want to see experimentals & LSA's subject to the same rules as certificated airplanes? Most definitely not! But when experience shows something is wrong, the FAA's rules and reasoning can help lead us to a solution.
Does the 601XL need an aileron mass balance? A good set of GVT plus a 3D model would probably answer that question.
ZBAG has the 3D model. Zenair is committed to GVT for the DAeC. ZBAG's offer to cooperate is on the table. All we need is Zenair's agreement to cooperate--and the GVT data.
It all depends on Zenair and Zenair's customers. If enough of you write to Michael, Sebastien, and Mat Heintz, we may yet be able to convince them that Zenair should do the tests needed to properly evaluate flutter tendencies of the 601XL. And don't forget ZBAG's offer to pay for the tests!
The email addresses are: micheintz(at)gmail.com,"S. Heintz / Zenith Aircraft Co." <seb.heintz(at)zenithair.com>, "heintz_mat" <heintz_mat(at)yahoo.com>
If you feel strongly about testing, why not match my pledge of an extra $100, just in case ZBAG's $2500 isn't enough for Zenair? If you're against testing, please share your rationale with the rest of the list.
Thanks.
Terry
| Quote: | Subject: Re: Is Your CH601XL/650 a 1320 lb Airplane or a 1041 lb Airplane
From: "Sabrina" <chicago2paris(at)msn.com>
Date: Sun, 15 Mar 2009 08:16:12 -0700
To: zenith-list(at)matronics.com
Sender: owner-zenith-list-server(at)matronics.com
Reply-To: zenith-list(at)matronics.com
X-Spam-Flag: YES
X-Spam-Status: Yes, hits=5.29 required=5.00 tests=LOCALPART_IN_SUBJECT,BAYES_20,SPF_PASS,OTHER
version=3.2.1
X-Spam-Level: *****
X-Spam-Checker-Version: SpamAssassin 3.2.1 (1.0) on mail.rkymtn.net
--> Zenith-List message posted by: "Sabrina" <chicago2paris(at)msn.com>
Cirrus have rudders interconnected to the ailerons with springs.
Cessna's have spring tensioned rudder cables.
A lot of engineering was done on this issue in 2007:
http://www.casa.gov.au/airworth/airwd/ADfiles/UNDER/CIRRUS/CIRRUS-009.pdf
If ZBAG is using an Australian engineer, he should have ready access to all this data... maybe $2500 is enough, maybe not...
Read this topic online here:
http://forums.matronics.com/viewtopic.php?p=234669#234669
===========
Zenith-List Email Forum -
href="http://www.matronics.com/Navigator?Zenith-List" eudora="autourl">http://www.matronics.com/Navigator?Zenith-List
===========
; - MATRONICS WEB FORUMS -
eudora="autourl">http://forums.matronics.com
===========
; - List Contribution Web Site -
; -Matt Dralle, List Admin.
eudora="autourl">http://www.matronics.com/contribution
=========== |
Terry Phillips ZBAGer
ttp44~at~rkymtn.net
Corvallis MT
601XL/Jab 3300 s .. l .. o .. o .. w build kit - Tail, flaps, & ailerons are done; waiting on the wings
http://www.mykitlog.com/N47TP/
| | - The Matronics Zenith-List Email Forum - | | | Use the List Feature Navigator to browse the many List utilities available such as the Email Subscriptions page, Archive Search & Download, 7-Day Browse, Chat, FAQ, Photoshare, and much more:
http://www.matronics.com/Navigator?Zenith-List |
|
| Description: |
|
| Filesize: |
45.48 KB |
| Viewed: |
2049 Time(s) |

|
_________________ Terry Phillips
Corvallis, MT
ttp44<at>rkymtn.net
Zenith 601XL/Jab 3300 slow build kit - Tail feathers done; working on the wings. |
|