 |
Matronics Email Lists Web Forum Interface to the Matronics Email Lists
|
| View previous topic :: View next topic |
| Author |
Message |
bob(at)flyboybob.com Guest
|
Posted: Sun Nov 12, 2006 5:18 am Post subject: Measurement Idea |
|
|
I have just finished rereading the Connection and it is amazing what you
learn when you go through another cycle of education. Of particular
interest to me this time through was a comment Bob made at the end of the
Temperature Chapter regarding using a switch box and multiple home made
thermocouples to measure critical temperatures during flyoff. There were
several items that he suggested that I had not even considered. As an
example: alternator stator temp, alternator regulator temp are two he
suggested. I quickly extrapolated to all the things I would like to know
like electronic ignition coil temp, and then there is the in and out oil
temp and air temp to evaluate my oil cooler installation. Next I thought of
the intercooler in and out charge and cooling air temps. The list for my
turbocharged engine quickly rose to thirty some odd items to evaluate
temperature on during the test flight phase. I did some research in the
AeroElectircic archives and found a few suggestions for PC data collection
interfaces but when I looked at the cost per port my data collection system
was easily over a thousand dollars with an assembeled price point of
$30/port.
So now my design problem became how do I reduce the price per port for a 30
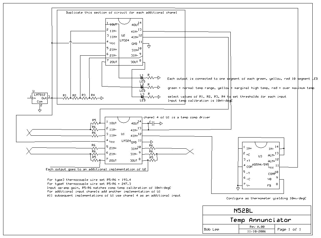
port temperature data collection device? I refined what I wanted to know to
be three phases of temperature: OK (green), Marginal (yellow), and BAD
(red). So now I'm thinking graph segment LEDs and a home made thermocouple
driver. I plan to use one AD595 in therometer mode as the 0degC reference
point and multiple LM324 quad-op-amps to resolve the thermocouple input with
the appropriate gain to yield 10mv/degC. Then use additional op-amps to
detect and drive the green, yellow and red temperatures for the particular
port.
Right now I'm thinking that this will be a perminent part of the aircraft to
watch out for temperature performance degraditon and warn me what to look
into with more detailed instrumentation in the future. If a particular
chanel shows a problem I can attach that thermocouple to my EIS system and
collect real time temperatures about that item of interest until things are
resolved. After the problem is solved the chanel goes back to the green,
yellow, red annunciator to insure proper long term performance.
I have built a schematic using ExpressPCB software planning to have them
make the prototype PCBs for this project. I have attached a jpg diagram of
the schematic for peer review. The price per port comes out to under
$5/port with this system for thirty or more ports.
Before I put this idea into hardware does anyone see anthing wrong with the
logic?
Regards,
Bob Lee
N52BL KR2
Suwanee, GA
91% done only 65% to go!
PS I know I left the capacitors off the voltage regulator!
| | - The Matronics AeroElectric-List Email Forum - | | | Use the List Feature Navigator to browse the many List utilities available such as the Email Subscriptions page, Archive Search & Download, 7-Day Browse, Chat, FAQ, Photoshare, and much more:
http://www.matronics.com/Navigator?AeroElectric-List |
|
| Description: |
|
| Filesize: |
115.31 KB |
| Viewed: |
289 Time(s) |

|
|
|
| Back to top |
|
 |
klehman(at)albedo.net Guest
|
Posted: Sun Nov 12, 2006 7:03 am Post subject: Measurement Idea |
|
|
This won't be helpful but for a little devil's advocate...
Why monitor something unless you know what the temperature should be?
Even with the EIS you may find your normal temperature ranges to be
larger than expected and you don't want nuisance flashing red light
warnings in flight or you will be training yourself to ignore them or
cancel them out of habit. With my subaru I can tell you that the more
instrumentation you have, the more questions come up, and the less
flying you will do. There are many "experts" around that will quote
numbers for things that they have never actually measured or numbers
from uncalibrated sensors. It's an educational adventure but don't over
do it if you'd rather be flying than tinkering. Since we have installed
a fault tolerant system, does it matter what the alternator stator temp
or regulator temp is? If failures start appearing then it would be
appropriate to investigate but is it worth all this extra effort up
front and will it be a possibly dangerous inflight distraction?
With more than 3 or 4 items there is little chance of collecting
meaningful data unless it is automatically recorded for later perusal.
Recording can be as simple as a video camera if you put all those
displays on the panel. I used the four CHT inputs on my EIS to look at
various things that I was curious about initially but I have no real
further use for that information. In fact I had little further use for
most of it once I got past the ground running phase of testing. Many
under cowl temps are too low to get accurate data from a thermocouple.
My EIS reads at least 30*C too low at 90*C thermocouple temps. Your
circuitry is likely to suffer additional inaccuracies as the ambient
temperature changes. All of my aux inputs (non thermocouple) on the EIS
had to be tweaked from the recommended parameters when I calibrated the
sensors for the ranges of interest.
Ken
Bob Lee wrote:
| Quote: | I have just finished rereading the Connection and it is amazing what you
learn when you go through another cycle of education. Of particular
interest to me this time through was a comment Bob made at the end of the
Temperature Chapter regarding using a switch box and multiple home made
thermocouples to measure critical temperatures during flyoff. There were
several items that he suggested that I had not even considered. As an
example: alternator stator temp, alternator regulator temp are two he
suggested. I quickly extrapolated to all the things I would like to know
like electronic ignition coil temp, and then there is the in and out oil
temp and air temp to evaluate my oil cooler installation. Next I thought of
the intercooler in and out charge and cooling air temps. The list for my
turbocharged engine quickly rose to thirty some odd items to evaluate
temperature on during the test flight phase. I did some research in the
AeroElectircic archives and found a few suggestions for PC data collection
interfaces but when I looked at the cost per port my data collection system
was easily over a thousand dollars with an assembeled price point of
$30/port.
So now my design problem became how do I reduce the price per port for a 30
port temperature data collection device? I refined what I wanted to know to
be three phases of temperature: OK (green), Marginal (yellow), and BAD
(red). So now I'm thinking graph segment LEDs and a home made thermocouple
driver. I plan to use one AD595 in therometer mode as the 0degC reference
point and multiple LM324 quad-op-amps to resolve the thermocouple input with
the appropriate gain to yield 10mv/degC. Then use additional op-amps to
detect and drive the green, yellow and red temperatures for the particular
port.
Right now I'm thinking that this will be a perminent part of the aircraft to
watch out for temperature performance degraditon and warn me what to look
into with more detailed instrumentation in the future. If a particular
chanel shows a problem I can attach that thermocouple to my EIS system and
collect real time temperatures about that item of interest until things are
resolved. After the problem is solved the chanel goes back to the green,
yellow, red annunciator to insure proper long term performance.
I have built a schematic using ExpressPCB software planning to have them
make the prototype PCBs for this project. I have attached a jpg diagram of
the schematic for peer review. The price per port comes out to under
$5/port with this system for thirty or more ports.
Before I put this idea into hardware does anyone see anthing wrong with the
logic?
Regards,
Bob Lee
N52BL KR2
Suwanee, GA
91% done only 65% to go!
PS I know I left the capacitors off the voltage regulator!
|
| | - The Matronics AeroElectric-List Email Forum - | | | Use the List Feature Navigator to browse the many List utilities available such as the Email Subscriptions page, Archive Search & Download, 7-Day Browse, Chat, FAQ, Photoshare, and much more:
http://www.matronics.com/Navigator?AeroElectric-List |
|
|
|
| Back to top |
|
 |
bob(at)flyboybob.com Guest
|
Posted: Sun Nov 12, 2006 10:20 am Post subject: Measurement Idea |
|
|
Ken Lehman wrote:
"Why monitor something unless you know what the temperature should be?"
Ken,
I think that the major issue with component failures in homebuilt aircraft
is the impact of installation on actual temperatures seen by various
components. As an example, I know that the coil temperature of my
electronic ignition should not exceed 190F from manufacture recomendation.
Why should I wait till I have an ignition failure to work on the cooling?
Doesn't it make more sence to look at the temperature and take action before
a failure occurs? At $5/port to keep an eye on the electronic igniton it is
cheap insurance against a $200 bill for replacing a cooked ignition. If the
cooling hose were to come off the overtemp indication could clue me to
change to the backup ignition and save the primary ignition for a simple
hose replacement rather than an expensive ignition replacement. Most of the
people that use their experimental aircraft have several teething problems
in the beginning. I happen to agree with 'lectric Bob that measuring your
temperatures during the flyoff period is better than letting failures lead
your actions.
But then again, everything I say might be wrong?
Regards,
Bob Lee
N52BL KR2
Suwanee, GA
91% done only 65% to go!
| | - The Matronics AeroElectric-List Email Forum - | | | Use the List Feature Navigator to browse the many List utilities available such as the Email Subscriptions page, Archive Search & Download, 7-Day Browse, Chat, FAQ, Photoshare, and much more:
http://www.matronics.com/Navigator?AeroElectric-List |
|
|
|
| Back to top |
|
 |
|
|
You cannot post new topics in this forum You cannot reply to topics in this forum You cannot edit your posts in this forum You cannot delete your posts in this forum You cannot vote in polls in this forum You cannot attach files in this forum You can download files in this forum
|
Powered by phpBB © 2001, 2005 phpBB Group
|