 |
Matronics Email Lists Web Forum Interface to the Matronics Email Lists
|
| View previous topic :: View next topic |
| Author |
Message |
cluros(at)gmail.com Guest
|
Posted: Tue Mar 10, 2020 9:42 am Post subject: Two Radios to One Intercom |
|
|
Hello All,
I have been searching through the list archives as I'm sure we have discussed this before but cannot find the exact answer. We currently have a single VHF radio going to an intercom and would like to add a second radio. Input to the intercom would be controlled by the volume knobs on the radios and output will be controlled by a transmit select switch which will only allow the ptt line to be triggered on one radio at a time.
What is required to combine the audio output of the two radios to a single audio input on the intercom?
Thank you,
Sebastien
| | - The Matronics AeroElectric-List Email Forum - | | | Use the List Feature Navigator to browse the many List utilities available such as the Email Subscriptions page, Archive Search & Download, 7-Day Browse, Chat, FAQ, Photoshare, and much more:
http://www.matronics.com/Navigator?AeroElectric-List |
|
|
|
| Back to top |
|
 |
ceengland7(at)gmail.com Guest
|
Posted: Tue Mar 10, 2020 10:48 am Post subject: Two Radios to One Intercom |
|
|
Simplest way is a ~500 ohm resister in series with each radio's output, and tying the downstream ends together to feed the intercom radio input.
Charlie
Sent from BlueMail
On Mar 10, 2020, at 12:48 PM, Sebastien <cluros(at)gmail.com (cluros(at)gmail.com)> wrote: | Quote: | Hello All,
I have been searching through the list archives as I'm sure we have discussed this before but cannot find the exact answer. We currently have a single VHF radio going to an intercom and would like to add a second radio. Input to the intercom would be controlled by the volume knobs on the radios and output will be controlled by a transmit select switch which will only allow the ptt line to be triggered on one radio at a time.
What is required to combine the audio output of the two radios to a single audio input on the intercom?
Thank you,
Sebastien
|
| | - The Matronics AeroElectric-List Email Forum - | | | Use the List Feature Navigator to browse the many List utilities available such as the Email Subscriptions page, Archive Search & Download, 7-Day Browse, Chat, FAQ, Photoshare, and much more:
http://www.matronics.com/Navigator?AeroElectric-List |
|
|
|
| Back to top |
|
 |
user9253
Joined: 28 Mar 2008 Posts: 1972 Location: Riley TWP Michigan
|
Posted: Tue Mar 10, 2020 11:19 am Post subject: Re: Two Radios to One Intercom |
|
|
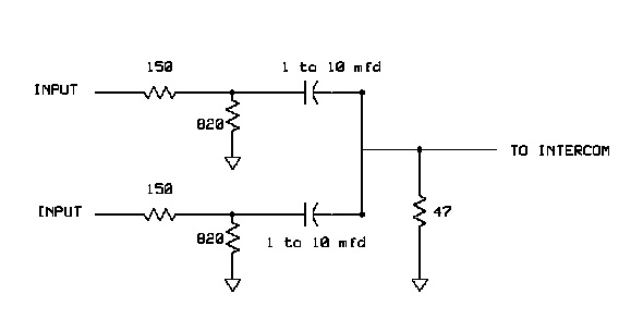
Found this drawing someplace.
| | - The Matronics AeroElectric-List Email Forum - | | | Use the List Feature Navigator to browse the many List utilities available such as the Email Subscriptions page, Archive Search & Download, 7-Day Browse, Chat, FAQ, Photoshare, and much more:
http://www.matronics.com/Navigator?AeroElectric-List |
|
| Description: |
|
| Filesize: |
17.81 KB |
| Viewed: |
3986 Time(s) |

|
_________________ Joe Gores |
|
| Back to top |
|
 |
roughleg(at)gmail.com Guest
|
Posted: Wed Mar 11, 2020 5:48 am Post subject: Two Radios to One Intercom |
|
|
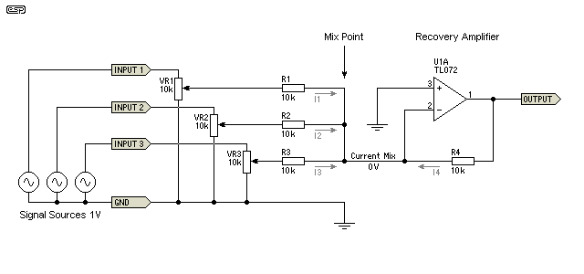
Here is an article on audio mixer circuits. The solutions presented in it involve use of an op-amp, which makes the circuit a little more complicated, but offers advantages in better gain and reduced crosstalk.
https://sound-au.com/articles/audio-mixing.htm
I'm building a mixer for my plane to combine "aux" input (2-channel stereo music, to be mixed to mono) and the alert tone from my EMS into the aux input of my VHF COM radio. This is 3 inputs rather than the two you are looking at, but the principle is the same. Here's the diagram from the article that I plan on using.
[img]cid:ii_k7ndikza0[/img]
Hope this helps.
Pat
On Tue, Mar 10, 2020 at 1:29 PM user9253 <fransew(at)gmail.com (fransew(at)gmail.com)> wrote:
| Quote: | --> AeroElectric-List message posted by: "user9253" <fransew(at)gmail.com (fransew(at)gmail.com)>
Found this drawing someplace.
--------
Joe Gores
Read this topic online here:
http://forums.matronics.com/viewtopic.php?p=495222#495222
Attachments:
http://forums.matronics.com//files/audio_combine_160.jpg
===========
===========
-
Electric-List" rel="noreferrer" target="_blank">http://www.matronics.com/Navigator?AeroElectric-List
===========
FORUMS -
eferrer" target="_blank">http://forums.matronics.com
===========
WIKI -
errer" target="_blank">http://wiki.matronics.com
===========
b Site -
-Matt Dralle, List Admin.
rel="noreferrer" target="_blank">http://www.matronics.com/contribution
===========
|
| | - The Matronics AeroElectric-List Email Forum - | | | Use the List Feature Navigator to browse the many List utilities available such as the Email Subscriptions page, Archive Search & Download, 7-Day Browse, Chat, FAQ, Photoshare, and much more:
http://www.matronics.com/Navigator?AeroElectric-List |
|
| Description: |
|
| Filesize: |
12.52 KB |
| Viewed: |
3953 Time(s) |

|
|
|
| Back to top |
|
 |
|
|
You cannot post new topics in this forum You cannot reply to topics in this forum You cannot edit your posts in this forum You cannot delete your posts in this forum You cannot vote in polls in this forum You cannot attach files in this forum You can download files in this forum
|
Powered by phpBB © 2001, 2005 phpBB Group
|