 |
Matronics Email Lists Web Forum Interface to the Matronics Email Lists
|
| View previous topic :: View next topic |
| Author |
Message |
roughleg(at)gmail.com Guest
|
Posted: Wed Feb 26, 2020 10:00 pm Post subject: OV protection circuit design |
|
|
I'm designing the electrical system for my aircraft (a Zenith STOL CH750) based on Z-12 (dual alternator, single battery). The primary alternator is a B&C SD-20 controlled by their LR3C. The stby alt is the PM unit built into the Jabiru 3300 engine, and which is managed by a "kubota" style regulator as supplied with the Jabiru firewall-forward kit.
The LR-3 contains an OV protection mechanism which will protect against the SD-20 going postal, whereas for the stby alt it will be a separate OV Module. In each case the OV protection shorts the supply to ground and trips a 5A CB. Most of the Z figures show a fuselink at the bus, which I presume is to protect the segment of wire between the bus and the circuit breaker.
The Z diagrams show a variety of wire sizes in the OV circuit (for example, Z-20 shows 16, 20, and 22AWG segments all in series) while others (e.g., Z-12) show consistent AWG throughout. I can't figure out why they vary so much, and I'm hoping I can get some feedback on my preliminary design. Here is what I am thinking:
[img]cid:ii_k74bs7mp1[/img]
I sized the main alt wires based on B&C's LR3C wiring diagram which shows 18AWG for the field circuit.
The power wire sizes for the stby alt are taken from Z-20, and the stby control circuit is sized based on the 20AWG wires on the B&C OVM-14 module (and availability of their 24AWG fuselink kit). The relay draws 0.5A.
I'd appreciate any comments.
Thanks.
| | - The Matronics AeroElectric-List Email Forum - | | | Use the List Feature Navigator to browse the many List utilities available such as the Email Subscriptions page, Archive Search & Download, 7-Day Browse, Chat, FAQ, Photoshare, and much more:
http://www.matronics.com/Navigator?AeroElectric-List |
|
| Description: |
|
| Filesize: |
298.5 KB |
| Viewed: |
10909 Time(s) |

|
|
|
| Back to top |
|
 |
ceengland7(at)gmail.com Guest
|
Posted: Thu Feb 27, 2020 6:22 am Post subject: OV protection circuit design |
|
|
I'm designing the electrical system for my aircraft (a Zenith STOL CH750) based on Z-12 (dual alternator, single battery). The primary alternator is a B&C SD-20 controlled by their LR3C. The stby alt is the PM unit built into the Jabiru 3300 engine, and which is managed by a "kubota" style regulator as supplied with the Jabiru firewall-forward kit.
The LR-3 contains an OV protection mechanism which will protect against the SD-20 going postal, whereas for the stby alt it will be a separate OV Module. In each case the OV protection shorts the supply to ground and trips a 5A CB. Most of the Z figures show a fuselink at the bus, which I presume is to protect the segment of wire between the bus and the circuit breaker.
The Z diagrams show a variety of wire sizes in the OV circuit (for example, Z-20 shows 16, 20, and 22AWG segments all in series) while others (e.g., Z-12) show consistent AWG throughout. I can't figure out why they vary so much, and I'm hoping I can get some feedback on my preliminary design. Here is what I am thinking:

I sized the main alt wires based on B&C's LR3C wiring diagram which shows 18AWG for the field circuit.
The power wire sizes for the stby alt are taken from Z-20, and the stby control circuit is sized based on the 20AWG wires on the B&C OVM-14 module (and availability of their 24AWG fuselink kit). The relay draws 0.5A.
I'd appreciate any comments.
Thanks.
Hi Pat,
I had the same questions when I first looked at the drawings years ago. There's a good reason for the various wire sizes. 22link to 18wire keeps link size manageable, then the 5A breaker protects the smaller wire.
BTW, you might need to look at the OV circuit. I think that the alt output (regulator out) needs a separate wire to the bus. As drawn, alt output feeds through the 5A breaker. The OV circuit should only connect to the relay coil.
Charlie
Sent from BlueMail
On Feb 27, 2020, at 1:06 AM, Pat Little <roughleg(at)gmail.com (roughleg(at)gmail.com)> wrote: | Quote: | I'm designing the electrical system for my aircraft (a Zenith STOL CH750) based on Z-12 (dual alternator, single battery). The primary alternator is a B&C SD-20 controlled by their LR3C. The stby alt is the PM unit built into the Jabiru 3300 engine, and which is managed by a "kubota" style regulator as supplied with the Jabiru firewall-forward kit.
The LR-3 contains an OV protection mechanism which will protect against the SD-20 going postal, whereas for the stby alt it will be a separate OV Module. In each case the OV protection shorts the supply to ground and trips a 5A CB. Most of the Z figures show a fuselink at the bus, which I presume is to protect the segment of wire between the bus and the circuit breaker.
The Z diagrams show a variety of wire sizes in the OV circuit (for example, Z-20 shows 16, 20, and 22AWG segments all in series) while others (e.g., Z-12) show consistent AWG throughout. I can't figure out why they vary so much, and I'm hoping I can get some feedback on my preliminary design. Here is what I am thinking:
[img]cid:ii_k74bs7mp1[/img]
I sized the main alt wires based on B&C's LR3C wiring diagram which shows 18AWG for the field circuit.
The power wire sizes for the stby alt are taken from Z-20, and the stby control circuit is sized based on the 20AWG wires on the B&C OVM-14 module (and availability of their 24AWG fuselink kit). The relay draws 0.5A.
I'd appreciate any comments.
Thanks.
|
| | - The Matronics AeroElectric-List Email Forum - | | | Use the List Feature Navigator to browse the many List utilities available such as the Email Subscriptions page, Archive Search & Download, 7-Day Browse, Chat, FAQ, Photoshare, and much more:
http://www.matronics.com/Navigator?AeroElectric-List |
|
|
|
| Back to top |
|
 |
user9253
Joined: 28 Mar 2008 Posts: 1948 Location: Riley TWP Michigan
|
Posted: Thu Feb 27, 2020 8:57 am Post subject: Re: OV protection circuit design |
|
|
I suggest buying a fuse block that holds 15 or 20 fuses. A builder once said
to install a fuse block that holds twice as many fuses as you anticipate
needing, because you will need them. Every single load, no matter how
small, should have its own unique fuse.
Then replace the fuse-links with 30 amp fuses. Doing that will simplify the
wiring. Looking at Z-20, I suspect the intent was two different wire sizes, with
one a typo. If a 30 amp fuse is used instead of a fuse-link, then I would use 22
AWG for all wires in the field circuit. 22 AWG is good for 7 amps. It takes 40
amps to melt 22 wire.
Charlie, the alternator B lead is separate and not shown on the diagram.
| | - The Matronics AeroElectric-List Email Forum - | | | Use the List Feature Navigator to browse the many List utilities available such as the Email Subscriptions page, Archive Search & Download, 7-Day Browse, Chat, FAQ, Photoshare, and much more:
http://www.matronics.com/Navigator?AeroElectric-List |
|
_________________ Joe Gores |
|
| Back to top |
|
 |
cluros(at)gmail.com Guest
|
Posted: Thu Feb 27, 2020 9:27 am Post subject: OV protection circuit design |
|
|
What is the disadvantage to having separate loads on the same fuse? I have many instrument loads sharing fuses.
On Thu, Feb 27, 2020, 09:05 user9253 <fransew(at)gmail.com (fransew(at)gmail.com)> wrote:
| Quote: | --> AeroElectric-List message posted by: "user9253" <fransew(at)gmail.com (fransew(at)gmail.com)>
I suggest buying a fuse block that holds 15 or 20 fuses. A builder once said
to install a fuse block that holds twice as many fuses as you anticipate
needing, because you will need them. Every single load, no matter how
small, should have its own unique fuse.
 Then replace the fuse-links with 30 amp fuses. Doing that will simplify the
wiring. Looking at Z-20, I suspect the intent was two different wire sizes, with
one a typo. If a 30 amp fuse is used instead of a fuse-link, then I would use 22
AWG for all wires in the field circuit. 22 AWG is good for 7 amps. It takes 40
amps to melt 22 wire.
Charlie, the alternator B lead is separate and not shown on the diagram.
--------
Joe Gores
Read this topic online here:
http://forums.matronics.com/viewtopic.php?p=495012#495012
===========
br> fts!)
r> > rel="noreferrer noreferrer" target="_blank">http://www.matronics.com/contribution
     -Matt Dralle, List Admin.
===========
-
Electric-List" rel="noreferrer noreferrer" target="_blank">http://www.matronics.com/Navigator?AeroElectric-List
===========
FORUMS -
eferrer noreferrer" target="_blank">http://forums.matronics.com
===========
WIKI -
errer noreferrer" target="_blank">http://wiki.matronics.com
===========
b Site -
     -Matt Dralle, List Admin.
rel="noreferrer noreferrer" target="_blank">http://www.matronics.com/contribution
===========
|
| | - The Matronics AeroElectric-List Email Forum - | | | Use the List Feature Navigator to browse the many List utilities available such as the Email Subscriptions page, Archive Search & Download, 7-Day Browse, Chat, FAQ, Photoshare, and much more:
http://www.matronics.com/Navigator?AeroElectric-List |
|
|
|
| Back to top |
|
 |
ceengland7(at)gmail.com Guest
|
Posted: Thu Feb 27, 2020 9:51 am Post subject: OV protection circuit design |
|
|
Oops, danger of working from a phone screen...
Sent from BlueMail
On Feb 27, 2020, at 12:04 PM, user9253 <fransew(at)gmail.com (fransew(at)gmail.com)> wrote: | Quote: | | Quote: | | --> AeroElectric-List message posted by: "user9253" <fransew(at)gmail.com>I suggest buying a fuse block that holds 15 or 20 fuses. A builder once said to install a fuse block that holds twice as many fuses as you anticipate needing, because you will need them. Every single load, no matter how small, should have its own unique fuse. Then replace the fuse-links with 30 amp fuses. Doing that will simplify the wiring. Looking at Z-20, I suspect the intent was two different wire sizes, with one a typo. If a 30 amp fuse is used instead of a fuse-link, then I would use 22 AWG for all wires in the field circuit. 22 AWG is good for 7 amps. It takes 40 amps to melt 22 wire.Charlie, the alternator B lead is separate and not shown on the diagram.--------Joe GoresRead this topic online here:http://forums.matronics.com/viewtopic.php?p=4ww.matronics.com/Navigator?AeroElectric-List">http://www.matronics.> http://www.matronics.com/contribution |
|
| | - The Matronics AeroElectric-List Email Forum - | | | Use the List Feature Navigator to browse the many List utilities available such as the Email Subscriptions page, Archive Search & Download, 7-Day Browse, Chat, FAQ, Photoshare, and much more:
http://www.matronics.com/Navigator?AeroElectric-List |
|
|
|
| Back to top |
|
 |
chaskuss(at)yahoo.com Guest
|
Posted: Thu Feb 27, 2020 10:30 am Post subject: OV protection circuit design |
|
|
The downside is if one instrument's electrical circuit shorts out and blows the fuse you lose more than one instrument or one device. Modern ATO style fuses are cheap and light so why not put everything on its own fuse?
Charlie
Sent from Yahoo Mail on Android
| Quote: | On Thu, Feb 27, 2020 at 1:06 PM, Charlie England
<ceengland7(at)gmail.com> wrote:
Oops, danger of working from a phone screen...
Sent from BlueMail
On Feb 27, 2020, at 12:04 PM, user9253 <fransew(at)gmail.com (fransew(at)gmail.com)> wrote: | Quote: | | Quote: | | --> AeroElectric-List message posted by: "user9253" <fransew(at)gmail.com>I suggest buying a fuse block that holds 15 or 20 fuses. A builder once said to install a fuse block that holds twice as many fuses as you anticipate needing, because you will need them. Every single load, no matter how small, should have its own unique fuse. Then replace the fuse-links with 30 amp fuses. Doing that will simplify the wiring. Looking at Z-20, I suspect the intent was two different wire sizes, with one a typo. If a 30 amp fuse is used instead of a fuse-link, then I would use 22 AWG for all wires in the field circuit. 22 AWG is good for 7 amps. It takes 40 amps to melt 22 wire.Charlie, the alternator B lead is separate and not shown on the diagram.--------Joe GoresRead this topic online here:http://forums.matronics.com/viewtopic.php?p=4ww.matronics.com/Navigator?AeroElectric-List">http://www.matronics.> http://www.matronics.com/contribution |
|
|
| | - The Matronics AeroElectric-List Email Forum - | | | Use the List Feature Navigator to browse the many List utilities available such as the Email Subscriptions page, Archive Search & Download, 7-Day Browse, Chat, FAQ, Photoshare, and much more:
http://www.matronics.com/Navigator?AeroElectric-List |
|
|
|
| Back to top |
|
 |
nuckolls.bob(at)aeroelect Guest
|
Posted: Thu Feb 27, 2020 7:06 pm Post subject: OV protection circuit design |
|
|
At 11:25 AM 2/27/2020, you wrote:
| Quote: | | What is the disadvantage to having separate loads on the same fuse? I have many instrument loads sharing fuses. |
A failure in one takes down all . . .
Bob . . .
| | - The Matronics AeroElectric-List Email Forum - | | | Use the List Feature Navigator to browse the many List utilities available such as the Email Subscriptions page, Archive Search & Download, 7-Day Browse, Chat, FAQ, Photoshare, and much more:
http://www.matronics.com/Navigator?AeroElectric-List |
|
|
|
| Back to top |
|
 |
cluros(at)gmail.com Guest
|
Posted: Thu Feb 27, 2020 7:50 pm Post subject: OV protection circuit design |
|
|
So for low failure, low consequence items no need for a separate fuse for each item?
I don't mind losing my headset power and intercom at the same time. Or my nav and landing lights. Certainly not enough to find a place to add a third fuse holder. I guess it would be nice if I had the room though.
On Thu, Feb 27, 2020, 19:14 Robert L. Nuckolls, III <nuckolls.bob(at)aeroelectric.com (nuckolls.bob(at)aeroelectric.com)> wrote:
| Quote: | At 11:25 AM 2/27/2020, you wrote:
| Quote: | | What is the disadvantage to having separate loads on the same fuse? I have many instrument loads sharing fuses. |
 A failure in one takes down all . . .
 Bob . . .
|
| | - The Matronics AeroElectric-List Email Forum - | | | Use the List Feature Navigator to browse the many List utilities available such as the Email Subscriptions page, Archive Search & Download, 7-Day Browse, Chat, FAQ, Photoshare, and much more:
http://www.matronics.com/Navigator?AeroElectric-List |
|
|
|
| Back to top |
|
 |
nuckolls.bob(at)aeroelect Guest
|
Posted: Thu Feb 27, 2020 8:01 pm Post subject: OV protection circuit design |
|
|
At 11:25 AM 2/27/2020, you wrote:
| Quote: | | What is the disadvantage to having separate loads on the same fuse? I have many instrument loads sharing fuses. |
A failure in one takes down all . . .
Bob . . .
| | - The Matronics AeroElectric-List Email Forum - | | | Use the List Feature Navigator to browse the many List utilities available such as the Email Subscriptions page, Archive Search & Download, 7-Day Browse, Chat, FAQ, Photoshare, and much more:
http://www.matronics.com/Navigator?AeroElectric-List |
|
|
|
| Back to top |
|
 |
ceengland7(at)GMAIL.COM Guest
|
Posted: Thu Feb 27, 2020 8:10 pm Post subject: OV protection circuit design |
|
|
That's right.
One practical downside is that the fuse must be big enough for all loads running at once, and that means that all feeders protected by the fuse must be big enough that the fuse can protect any individual wire.
Sent from BlueMail
On Feb 27, 2020, at 10:55 PM, Sebastien <cluros(at)gmail.com (cluros(at)gmail.com)> wrote: | Quote: | So for low failure, low consequence items no need for a separate fuse for each item?
I don't mind losing my headset power and intercom at the same time. Or my nav and landing lights. Certainly not enough to find a place to add a third fuse holder. I guess it would be nice if I had the room though.
On Thu, Feb 27, 2020, 19:14 Robert L. Nuckolls, III <nuckolls.bob(at)aeroelectric.com (nuckolls.bob(at)aeroelectric.com)> wrote:
| Quote: | At 11:25 AM 2/27/2020, you wrote:
| Quote: | | What is the disadvantage to having separate loads on the same fuse? I have many instrument loads sharing fuses. |
A failure in one takes down all . . .
Bob . . .
|
|
| | - The Matronics AeroElectric-List Email Forum - | | | Use the List Feature Navigator to browse the many List utilities available such as the Email Subscriptions page, Archive Search & Download, 7-Day Browse, Chat, FAQ, Photoshare, and much more:
http://www.matronics.com/Navigator?AeroElectric-List |
|
|
|
| Back to top |
|
 |
cluros(at)gmail.com Guest
|
Posted: Thu Feb 27, 2020 8:37 pm Post subject: OV protection circuit design |
|
|
Thank you both. While we are on the topic. Most of my circuits are 22 gauge wire protected by 3A fuses. Ordered them on ebay and similar to this offering:Â
https://www.ebay.ca/itm/50pcs-3A-Car-Fuse-Auto-Truck-SUV-Fuses-Mini-Blade-Fuse-Kits-APM-ATM-32V/283081816514?hash=item41e8fdb9c2:g:ByYAAOSwuOpbYdElÂ
They haven't had any unexpected failures but I haven't tested them. Think I should blow 10% of the batch to see what the performance is? I have a variable power supply so I could set a certain amperage and voltage and record how long it takes to blow. How are these things tested?Â
On Thu, Feb 27, 2020 at 8:14 PM Charlie England <ceengland7(at)gmail.com (ceengland7(at)gmail.com)> wrote:
| Quote: | That's right.
One practical downside is that the fuse must be big enough for all loads running at once, and that means that all feeders protected by the fuse must be big enough that the fuse can protect any individual wire.
Sent from BlueMail
On Feb 27, 2020, at 10:55 PM, Sebastien <cluros(at)gmail.com (cluros(at)gmail.com)> wrote: | Quote: | So for low failure, low consequence items no need for a separate fuse for each item?
I don't mind losing my headset power and intercom at the same time. Or my nav and landing lights. Certainly not enough to find a place to add a third fuse holder. I guess it would be nice if I had the room though.
On Thu, Feb 27, 2020, 19:14 Robert L. Nuckolls, III <nuckolls.bob(at)aeroelectric.com (nuckolls.bob(at)aeroelectric.com)> wrote:
| Quote: | At 11:25 AM 2/27/2020, you wrote:
| Quote: | | What is the disadvantage to having separate loads on the same fuse? I have many instrument loads sharing fuses. |
 A failure in one takes down all . . .
 Bob . . .
|
|
|
| | - The Matronics AeroElectric-List Email Forum - | | | Use the List Feature Navigator to browse the many List utilities available such as the Email Subscriptions page, Archive Search & Download, 7-Day Browse, Chat, FAQ, Photoshare, and much more:
http://www.matronics.com/Navigator?AeroElectric-List |
|
|
|
| Back to top |
|
 |
john(at)tipton.me.uk Guest
|
Posted: Fri Feb 28, 2020 12:05 am Post subject: OV protection circuit design |
|
|
So, as long as it doesn’t effect the flight, all good then ~
John
Sent from my iPad
----x--O--x----
| Quote: | On 28 Feb 2020, at 4:14 am, Robert L. Nuckolls, III <nuckolls.bob(at)aeroelectric.com> wrote:
 At 11:25 AM 2/27/2020, you wrote:
| Quote: | | What is the disadvantage to having separate loads on the same fuse? I have many instrument loads sharing fuses. |
A failure in one takes down all . . .
Bob . . .
|
| | - The Matronics AeroElectric-List Email Forum - | | | Use the List Feature Navigator to browse the many List utilities available such as the Email Subscriptions page, Archive Search & Download, 7-Day Browse, Chat, FAQ, Photoshare, and much more:
http://www.matronics.com/Navigator?AeroElectric-List |
|
|
|
| Back to top |
|
 |
user9253
Joined: 28 Mar 2008 Posts: 1948 Location: Riley TWP Michigan
|
Posted: Fri Feb 28, 2020 5:01 am Post subject: Re: OV protection circuit design |
|
|
Ease of troubleshooting is another advantage of having each load on its own fuse.
If 3 separate loads are all on one fuse and it blows, how do you know what the problem is?
Fuses 3 amps and above are available that illuminate when blown, provided
that a load is still connected. Van's Aircraft sells them at very reasonable prices.
| | - The Matronics AeroElectric-List Email Forum - | | | Use the List Feature Navigator to browse the many List utilities available such as the Email Subscriptions page, Archive Search & Download, 7-Day Browse, Chat, FAQ, Photoshare, and much more:
http://www.matronics.com/Navigator?AeroElectric-List |
|
_________________ Joe Gores |
|
| Back to top |
|
 |
nuckolls.bob(at)aeroelect Guest
|
Posted: Fri Feb 28, 2020 6:36 am Post subject: OV protection circuit design |
|
|
At 10:34 PM 2/27/2020, you wrote:
They are not what you would call a 'calibrated' device.
If you look up the engineering data you'll find that
that a fuse has a rather wide range of operating currents
based on a combination of ambient temperatures, manufacturing
variables and current profiles of the protected load.
What you propose would be an interesting experiment
but probably not very enlightening. Fuse performance
curves are developed from a huge data set acquired
with laboratory grade equipment.
A fuse is selected to protect wire . . . not the
device on the far end. For example, we had a builder
here on the list about 20 years ago who made a really
good buy on a spool of 20AWG Tefzel wire at a garage
sale. He asked if it was okay to wire the whole
airplane with the stuff including circuits that
called for 22AWG.
Of course. Further, as feeders, those wires can
be 'protected' at any level from 7A on down . . .
even 10A would not be a big concern.
Putting a 10A fuse on a 20AWG wire to feed
your gear down indicator lights (1/2A load)
might be 'overkill' . . . but in no way
would it represent increased risk
for an electrically initiated wire-fire.
In some cases there is justification for protecting
feeders at current far more robust than the anticipated,
steady state loads. Consider a 55w landing light
load that draws 4.3A when illuminated . . . and
has an inrush current on the order of 25 amps.
One might be inclined to protect a 20AWG feeder
at 7A. But fuses MELT when overloaded. Further,
if you hit them with a series of transient
'overloads', a succession of short excursions
into 'softening temperatures' will ADD UP to
ultimately reduce the devices previously
calibrated trip point. I would protect a
55W landing light with at least a 10A
fuse.
I'd ignore the 3A fuses and protect your
22AWG feeders with 5A . . . or even
7A fuses if the load normally runs at
say, 4A. Fuses are MUCH faster than circuit
breakers. You want their presence as
defenders of the wire for gross overload
(read: shorts). Seeking to apply the smallest
practical fuse rating based on the devices
being powered is fraught with far more risk
for nuisance trips than risk of setting
your airplane on fire. If anything, you want
a fuse to be rated at 2x or more than load current.
Which brings up another point about using
fuses . . . if you find that one of your
protected loads suffers the occasional nuisance
trip . . . go ahead and upsize the fuse to the
next level. You don't need to upsize the wire.
Had a case like this on my minivan a couple
years ago. Had some shorted turns in the
compressor clutch on the A/C. Normal operating
current rose from about 5A to 6+. The stock
7A fuse would run for a week then blow. The
AC still worked fine. I upsized to 10A and
ran that failing compressor another year
before the increased temperatures in the
clutch coil produced total failure.
Had the thing replaced and went back to
the 7A stock fuse . . . no big deal.
In flight fires and severe smoke are many
times more likely to be based on a fuel or
oil leak . . . not from mis-behaving electrons.
I wouldn't loose any sleep over fuses. When
in doubt, bigger is almost always better
than smaller.
Bob . . .
| | - The Matronics AeroElectric-List Email Forum - | | | Use the List Feature Navigator to browse the many List utilities available such as the Email Subscriptions page, Archive Search & Download, 7-Day Browse, Chat, FAQ, Photoshare, and much more:
http://www.matronics.com/Navigator?AeroElectric-List |
|
|
|
| Back to top |
|
 |
roughleg(at)gmail.com Guest
|
Posted: Tue Mar 03, 2020 6:00 pm Post subject: OV protection circuit design |
|
|
On Thu, Feb 27, 2020 at 10:05 AM user9253 <fransew(at)gmail.com (fransew(at)gmail.com)> wrote:
| Quote: | --> AeroElectric-List message posted by: "user9253" <fransew(at)gmail.com (fransew(at)gmail.com)>
I suggest buying a fuse block that holds 15 or 20 fuses. A builder once said
to install a fuse block that holds twice as many fuses as you anticipate
needing, because you will need them. Every single load, no matter how
small, should have its own unique fuse.
 Then replace the fuse-links with 30 amp fuses. Doing that will simplify the
wiring. Looking at Z-20, I suspect the intent was two different wire sizes, with
one a typo. If a 30 amp fuse is used instead of a fuse-link, then I would use 22
AWG for all wires in the field circuit. 22 AWG is good for 7 amps. It takes 40
amps to melt 22 wire.
Charlie, the alternator B lead is separate and not shown on the diagram.
--------
Joe Gores
|
I like the simplification of using fuses instead of fuselinks (my design has 22 fuses so far, another two won't be a problem). And I can appreciate that if an OV occurs, and the CB trips, the fuse needs to be big enough to not also blow and deny the pilot the chance to re-engage the breaker and see if the OV condition repeats itself or not.
But why 30A? That seems very large as compared to a 5A CB.Â
And a separate thought - if the fuse is significantly bigger, and its sole purpose is to protect the wire between the bus and the CB (am I interpreting this correctly?), then that segment of wire would need to be a lot bigger for the fuse to actually protect it. AC 43.13-1B says a 30A fuse is needed to protect a 10AWG wire - is this a valid reason for having differing wire sizes in different parts of the circuit?
Pat
| | - The Matronics AeroElectric-List Email Forum - | | | Use the List Feature Navigator to browse the many List utilities available such as the Email Subscriptions page, Archive Search & Download, 7-Day Browse, Chat, FAQ, Photoshare, and much more:
http://www.matronics.com/Navigator?AeroElectric-List |
|
|
|
| Back to top |
|
 |
ceengland7(at)GMail.com Guest
|
Posted: Tue Mar 03, 2020 6:27 pm Post subject: OV protection circuit design |
|
|
On 3/3/2020 7:55 PM, Pat Little wrote:
| Quote: | On Thu, Feb 27, 2020 at 10:05 AM user9253 <fransew(at)gmail.com (fransew(at)gmail.com)> wrote:
| Quote: | --> AeroElectric-List message posted by: "user9253" <fransew(at)gmail.com (fransew(at)gmail.com)>
I suggest buying a fuse block that holds 15 or 20 fuses. A builder once said
to install a fuse block that holds twice as many fuses as you anticipate
needing, because you will need them. Every single load, no matter how
small, should have its own unique fuse.
 Then replace the fuse-links with 30 amp fuses. Doing that will simplify the
wiring. Looking at Z-20, I suspect the intent was two different wire sizes, with
one a typo. If a 30 amp fuse is used instead of a fuse-link, then I would use 22
AWG for all wires in the field circuit. 22 AWG is good for 7 amps. It takes 40
amps to melt 22 wire.
Charlie, the alternator B lead is separate and not shown on the diagram.
--------
Joe Gores
|
I like the simplification of using fuses instead of fuselinks (my design has 22 fuses so far, another two won't be a problem). And I can appreciate that if an OV occurs, and the CB trips, the fuse needs to be big enough to not also blow and deny the pilot the chance to re-engage the breaker and see if the OV condition repeats itself or not.
But why 30A? That seems very large as compared to a 5A CB.Â
And a separate thought - if the fuse is significantly bigger, and its sole purpose is to protect the wire between the bus and the CB (am I interpreting this correctly?), then that segment of wire would need to be a lot bigger for the fuse to actually protect it. AC 43.13-1B says a 30A fuse is needed to protect a 10AWG wire - is this a valid reason for having differing wire sizes in different parts of the circuit?
Pat
| My take is a bit different. I really like fusible links for wires that have near zero risk of failure, short (pardon the pun) of a catastrophic fault. A bit of extra work, once. Then it's more compact (it's just part of the wire run, instead of needing another fuse slot), and no risk whatsoever of extra joints, fatigue failure of the link inside an actual fuse, etc.
Not saying either approach is 'right'; I just prefer mine.
Charlie
Virus-free. www.avast.com [url=#DAB4FAD8-2DD7-40BB-A1B8-4E2AA1F9FDF2] [/url]
| | - The Matronics AeroElectric-List Email Forum - | | | Use the List Feature Navigator to browse the many List utilities available such as the Email Subscriptions page, Archive Search & Download, 7-Day Browse, Chat, FAQ, Photoshare, and much more:
http://www.matronics.com/Navigator?AeroElectric-List |
|
|
|
| Back to top |
|
 |
nuckolls.bob(at)aeroelect Guest
|
Posted: Tue Mar 03, 2020 6:41 pm Post subject: OV protection circuit design |
|
|
| Quote: |
I like the simplification of using fuses instead of fuselinks (my design has 22 fuses so far, another two won't be a problem). And I can appreciate that if an OV occurs, and the CB trips, the fuse needs to be big enough to not also blow and deny the pilot the chance to re-engage the breaker and see if the OV condition repeats itself or not.
But why 30A? That seems very large as compared to a 5A CB. |
The I(square)t operating constant for fuses
and breakers of the same RATING are wildly
different. Further, the ATC30 fuse is not
designed to be used as a LIMITER. Hence,
what seems to be overkill is really rather
rational. I've crowbared some 5A breakers that
would trip an upstream ATC20 fuse.
| Quote: | | And a separate thought - if the fuse is significantly bigger, and its sole purpose is to protect the wire between the bus and the CB (am I interpreting this correctly?), then that segment of wire would need to be a lot bigger for the fuse to actually protect it. AC 43.13-1B says a 30A fuse is needed to protect a 10AWG wire - is this a valid reason for having differing wire sizes in different parts of the circuit? |
No, we're emulating a LIMITER . . . i.e. mitigation
of a hard fault on the order of hundreds of amps.
Same thing that a fusible link does. Just as
a 22AWG wire has been DEMONSTRATED to carry
20A continuously without damage, so too will
the 14AWG wire gamely step up to continuous
loads of 40A or more.
However, the thing we're holding at bay is
the hard fault that would open the 30A
fuse even if the protected feeder were
a 22AWG wire. In this case our EXPECTED
hard fault is the triggering of a crowbar
SCR which generates a predictable
fault current in excess of 100A.
AC43-13 is a compilation of rules-of-thumb;
it's not a properties of materials nor
engineering text. It doesn't apply here.
Bob . . .
| | - The Matronics AeroElectric-List Email Forum - | | | Use the List Feature Navigator to browse the many List utilities available such as the Email Subscriptions page, Archive Search & Download, 7-Day Browse, Chat, FAQ, Photoshare, and much more:
http://www.matronics.com/Navigator?AeroElectric-List |
|
|
|
| Back to top |
|
 |
nuckolls.bob(at)aeroelect Guest
|
Posted: Tue Mar 03, 2020 6:42 pm Post subject: OV protection circuit design |
|
|
| Quote: |
I like the simplification of using fuses instead of fuselinks (my design has 22 fuses so far, another two won't be a problem). And I can appreciate that if an OV occurs, and the CB trips, the fuse needs to be big enough to not also blow and deny the pilot the chance to re-engage the breaker and see if the OV condition repeats itself or not.
But why 30A? That seems very large as compared to a 5A CB. |
The I(square)t operating constant for fuses
and breakers of the same RATING are wildly
different. Further, the ATC30 fuse is not
designed to be used as a LIMITER. Hence,
what seems to be overkill is really rather
rational. I've crowbared some 5A breakers that
would trip an upstream ATC20 fuse.
| Quote: | | And a separate thought - if the fuse is significantly bigger, and its sole purpose is to protect the wire between the bus and the CB (am I interpreting this correctly?), then that segment of wire would need to be a lot bigger for the fuse to actually protect it. AC 43.13-1B says a 30A fuse is needed to protect a 10AWG wire - is this a valid reason for having differing wire sizes in different parts of the circuit? |
No, we're emulating a LIMITER . . . i.e. mitigation
of a hard fault on the order of hundreds of amps.
Same thing that a fusible link does. Just as
a 22AWG wire has been DEMONSTRATED to carry
20A continuously without damage, so too will
the 14AWG wire gamely step up to continuous
loads of 40A or more.
However, the thing we're holding at bay is
the hard fault that would open the 30A
fuse even if the protected feeder were
a 22AWG wire. In this case our EXPECTED
hard fault is the triggering of a crowbar
SCR which generates a predictable
fault current in excess of 100A.
AC43-13 is a compilation of rules-of-thumb;
it's not a properties of materials nor
engineering text. It doesn't apply here.
Bob . . .
| | - The Matronics AeroElectric-List Email Forum - | | | Use the List Feature Navigator to browse the many List utilities available such as the Email Subscriptions page, Archive Search & Download, 7-Day Browse, Chat, FAQ, Photoshare, and much more:
http://www.matronics.com/Navigator?AeroElectric-List |
|
|
|
| Back to top |
|
 |
roughleg(at)gmail.com Guest
|
Posted: Tue Mar 03, 2020 7:53 pm Post subject: OV protection circuit design |
|
|
On Tue, Mar 3, 2020 at 7:47 PM Robert L. Nuckolls, III <nuckolls.bob(at)aeroelectric.com (nuckolls.bob(at)aeroelectric.com)> wrote:
| Quote: | | Quote: |
I like the simplification of using fuses instead of fuselinks (my design has 22 fuses so far, another two won't be a problem). And I can appreciate that if an OV occurs, and the CB trips, the fuse needs to be big enough to not also blow and deny the pilot the chance to re-engage the breaker and see if the OV condition repeats itself or not.
But why 30A? That seems very large as compared to a 5A CB. |
 The I(square)t operating constant for fuses
 and breakers of the same RATING are wildly
 different. Further, the ATC30 fuse is not
 designed to be used as a LIMITER. Hence,
 what seems to be overkill is really rather
 rational. I've crowbared some 5A breakers that
 would trip an upstream ATC20 fuse.
| Quote: | | And a separate thought - if the fuse is significantly bigger, and its sole purpose is to protect the wire between the bus and the CB (am I interpreting this correctly?), then that segment of wire would need to be a lot bigger for the fuse to actually protect it. AC 43.13-1B says a 30A fuse is needed to protect a 10AWG wire - is this a valid reason for having differing wire sizes in different parts of the circuit? |
 No, we're emulating a LIMITER . . . i.e. mitigation
 of a hard fault on the order of hundreds of amps.
 Same thing that a fusible link does. Just as
 a 22AWG wire has been DEMONSTRATED to carry
 20A continuously without damage, so too will
 the 14AWG wire gamely step up to continuous
 loads of 40A or more.
 However, the thing we're holding at bay is
 the hard fault that would open the 30A
 fuse even if the protected feeder were
 a 22AWG wire. In this case our EXPECTED
 hard fault is the triggering of a crowbar
 SCR which generates a predictable
 fault current in excess of 100A.
 AC43-13 is a compilation of rules-of-thumb;
 it's not a properties of materials nor
 engineering text. It doesn't apply here.
 Bob . . .
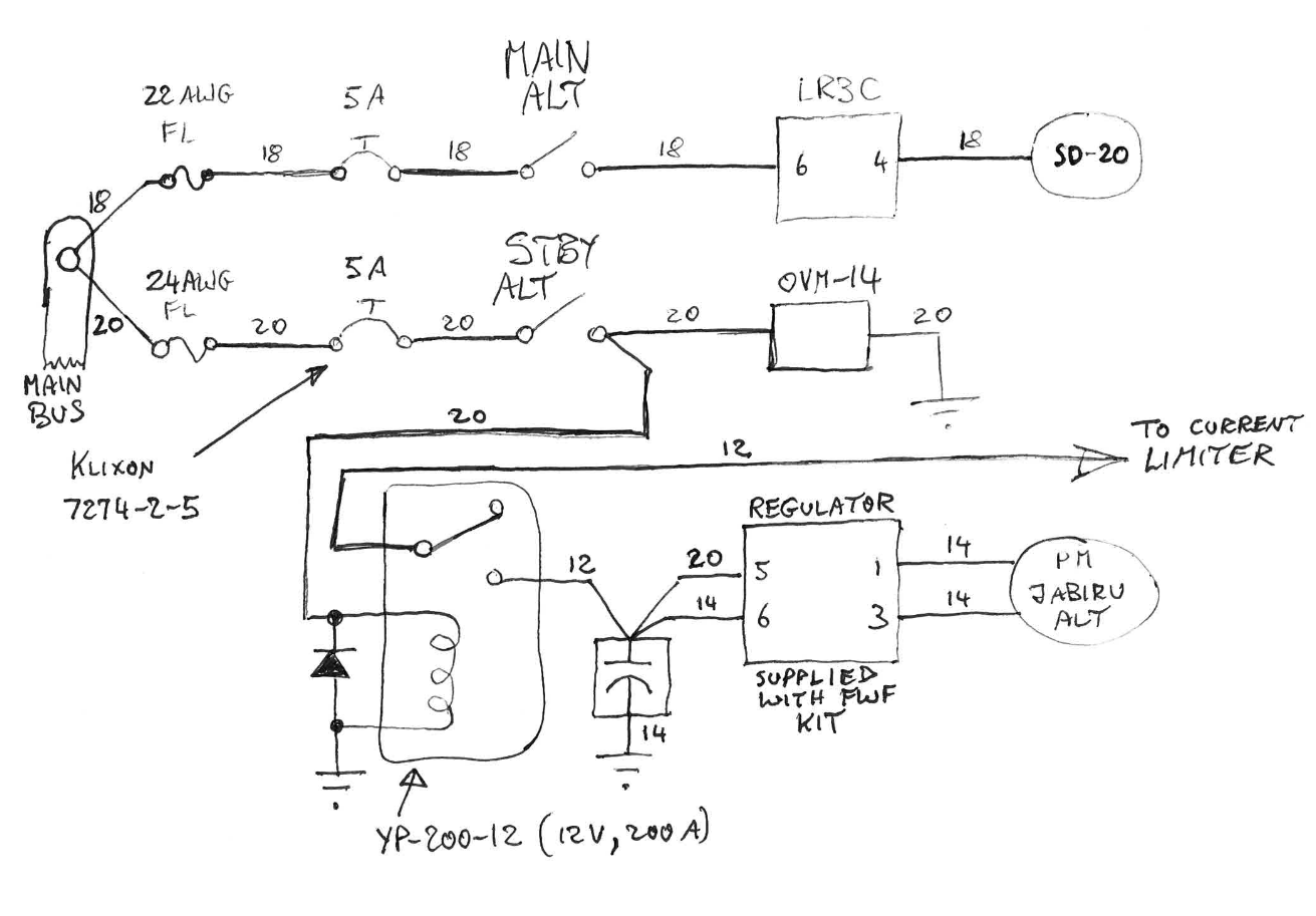
| Thanks for the comments. I have revised my drawing - now it looks a lot more like Z-12 preliminary rev NP1
[img]cid:ii_k7cs7jna1[/img]
Pat
Â
| | - The Matronics AeroElectric-List Email Forum - | | | Use the List Feature Navigator to browse the many List utilities available such as the Email Subscriptions page, Archive Search & Download, 7-Day Browse, Chat, FAQ, Photoshare, and much more:
http://www.matronics.com/Navigator?AeroElectric-List |
|
| Description: |
|
| Filesize: |
635.76 KB |
| Viewed: |
10811 Time(s) |

|
|
|
| Back to top |
|
 |
user9253
Joined: 28 Mar 2008 Posts: 1948 Location: Riley TWP Michigan
|
Posted: Wed Mar 04, 2020 6:35 am Post subject: Re: OV protection circuit design |
|
|
I would not use 12 AWG because it is too big and hard to work with. It
might even damage components that are not designed for large wire.
I would rather use a fuselink, like Charlie said, than use #12 wire.
Electrical circuits require two types of protection, short circuit and
overload. A short circuit occurs when two conductors touch each other.
The current will be very high. An overload occurs when the load draws
more current than it was designed for. Fuses protect against short circuits.
Circuit breakers protect against overloads. Although sometimes only one
type (fuse or breaker) is used to protect a circuit against both types of faults.
In the case of the alternator over-voltage module shorting to ground, we
are dealing with a short circuit. We want the circuit breaker to trip, but not
the fuse to blow. I would have suggested using a 35 or 40 amp fuse if it
would fit into the fuse block, but it won't. Normally we choose the fuse
sized based on the wire size. But in this case, we are not dealing with a
continuous load. We are dealing with a short circuit that only lasts a few
seconds at most. It takes time for a wire to heat up. The circuit breaker
will trip before that happens. Using smaller wire will add resistance to the
circuit, thus helping to limit the maximum current and helping to prevent the
fuse from blowing before the circuit breaker trips. Using 12 AWG wire in this
situation is actually counter productive because the current could be high
enough to both blow the fuse and trip the breaker.
Search the internet for fusing current of wire. It will take over 40 amps
continuous to melt 22 AWG wire. In the time that it takes a 5 amp breaker
to trip, #22 will not even get warm. If 22 AWG wire, between the fuse and
breaker, shorts to ground, the fuse will blow and the wire will not be damaged.
| | - The Matronics AeroElectric-List Email Forum - | | | Use the List Feature Navigator to browse the many List utilities available such as the Email Subscriptions page, Archive Search & Download, 7-Day Browse, Chat, FAQ, Photoshare, and much more:
http://www.matronics.com/Navigator?AeroElectric-List |
|
_________________ Joe Gores |
|
| Back to top |
|
 |
|
|
You cannot post new topics in this forum You cannot reply to topics in this forum You cannot edit your posts in this forum You cannot delete your posts in this forum You cannot vote in polls in this forum You cannot attach files in this forum You can download files in this forum
|
Powered by phpBB © 2001, 2005 phpBB Group
|