 |
Matronics Email Lists Web Forum Interface to the Matronics Email Lists
|
| View previous topic :: View next topic |
| Author |
Message |
motoadve
Joined: 23 Apr 2009 Posts: 123 Location: Seattle
|
Posted: Thu Mar 28, 2019 11:57 am Post subject: How do I bypass the rear flap handle? |
|
|
There is a constant leak I can hear from it.
We serviced and cleaned at annual and still there.
Since the rear seat will only be used by passengers and not an instructor, I prefer to by pass it.
How do I do that?
| | - The Matronics Yak-List Email Forum - | | | Use the List Feature Navigator to browse the many List utilities available such as the Email Subscriptions page, Archive Search & Download, 7-Day Browse, Chat, FAQ, Photoshare, and much more:
http://www.matronics.com/Navigator?Yak-List |
|
_________________ www.Backcountry182.com
Cessna 182 P
CJ -6 |
|
| Back to top |
|
 |
pennington.construction.i Guest
|
Posted: Thu Mar 28, 2019 12:19 pm Post subject: How do I bypass the rear flap handle? |
|
|
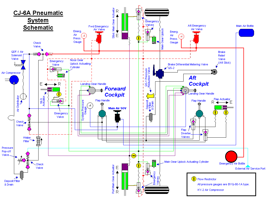
Have you seen this diagram. It is on Doug's website and layout the air system very nicely.
Mark
N621CJ
On Thu, Mar 28, 2019 at 4:04 PM motoadve <motoadve(at)racsa.co.cr (motoadve(at)racsa.co.cr)> wrote:
| Quote: | --> Yak-List message posted by: "motoadve" <motoadve(at)racsa.co.cr (motoadve(at)racsa.co.cr)>
There is a constant leak I can hear from it.
We serviced and cleaned at annual and still there.
Since the rear seat will only be used by passengers and not an instructor, I prefer to by pass it.
How do I do that?
--------
www.Backcountry182.com
Cessna 182 P
CJ -6
Read this topic online here:
http://forums.matronics.com/viewtopic.php?p=488323#488323
===========
List" rel="noreferrer" target="_blank">http://www.matronics.com/Navigator?Yak-List
===========
FORUMS -
eferrer" target="_blank">http://forums.matronics.com
===========
WIKI -
errer" target="_blank">http://wiki.matronics.com
===========
b Site -
-Matt Dralle, List Admin.
rel="noreferrer" target="_blank">http://www.matronics.com/contribution
===========
|
| | - The Matronics Yak-List Email Forum - | | | Use the List Feature Navigator to browse the many List utilities available such as the Email Subscriptions page, Archive Search & Download, 7-Day Browse, Chat, FAQ, Photoshare, and much more:
http://www.matronics.com/Navigator?Yak-List |
|
| Description: |
|
| Filesize: |
411.07 KB |
| Viewed: |
6753 Time(s) |

|
|
|
| Back to top |
|
 |
dougsappllc(at)gmail.com Guest
|
Posted: Thu Mar 28, 2019 12:37 pm Post subject: How do I bypass the rear flap handle? |
|
|
First before you go to the trouble it would be wise to make certain that the air noise is not coming from air leaking past the seals in your flap actuator.
Doug
On Thu, Mar 28, 2019 at 1:04 PM motoadve <motoadve(at)racsa.co.cr (motoadve(at)racsa.co.cr)> wrote:
| Quote: | --> Yak-List message posted by: "motoadve" <motoadve(at)racsa.co.cr (motoadve(at)racsa.co.cr)>
There is a constant leak I can hear from it.
We serviced and cleaned at annual and still there.
Since the rear seat will only be used by passengers and not an instructor, I prefer to by pass it.
How do I do that?
--------
www.Backcountry182.com
Cessna 182 P
CJ -6
Read this topic online here:
http://forums.matronics.com/viewtopic.php?p=488323#488323
===========
List" rel="noreferrer" target="_blank">http://www.matronics.com/Navigator?Yak-List
===========
FORUMS -
eferrer" target="_blank">http://forums.matronics.com
===========
WIKI -
errer" target="_blank">http://wiki.matronics.com
===========
b Site -
-Matt Dralle, List Admin.
rel="noreferrer" target="_blank">http://www.matronics.com/contribution
===========
|
| | - The Matronics Yak-List Email Forum - | | | Use the List Feature Navigator to browse the many List utilities available such as the Email Subscriptions page, Archive Search & Download, 7-Day Browse, Chat, FAQ, Photoshare, and much more:
http://www.matronics.com/Navigator?Yak-List |
|
|
|
| Back to top |
|
 |
hkgibby(at)yahoo.com Guest
|
Posted: Thu Mar 28, 2019 12:37 pm Post subject: How do I bypass the rear flap handle? |
|
|
Hello-
Remove flap handle noting the neutral “in” line (if in doubt, turn on your air and it will be the lone that has air coming from it). On the bench remove one of the Chinese/Russian fittings from flap valve and cap the NPT end with a brass female 1/8” NPT cap (see link); take this capped fitting back to the rear cockpit. Take old “B”nut from the neutral line and screw it back on the nippled end over the flare. Done. Line is now isolated and out of the flap system. Other two lines (up and down) are static now and serve no purpose. Cap link below but can buy from many places like Ace/eBay etc.
[url=https://m.grainger.com/mobile/product/6AYZ4?cm_mmc=PPC:+Google+PLA&ef_id=EAIaIQobChMI-Ib84tWl4QIVyR-tBh0wagzlEAQYASABEgJ8AfD_BwE:G:s&s_kwcid=AL!2966!3!320218377589!!!g!544758530610!&cm_mmc=PPC:+Google+PLA?campaignid=175663197&gclid=EAIaIQobChMI-Ib84tWl4QIVyR-tBh0wagzlEAQYASABEgJ8AfD_BwE]https://m.grainger.com/mobile/product/6AYZ4?cm_mmc=PPC:+Google+PLA&ef_id=EAIaIQobChMI-Ib84tWl4QIVyR-tBh0wagzlEAQYASABEgJ8AfD_BwE:G:s&s_kwcid=AL!2966!3!320218377589!!!g!544758530610!&cm_mmc=PPC:+Google+PLA?campaignid=175663197&gclid=EAIaIQobChMI-Ib84tWl4QIVyR-tBh0wagzlEAQYASABEgJ8AfD_BwE[/url]
Good luck - Hoot
Sent from my iPhone
On Mar 28, 2019, at 12:57 PM, motoadve <motoadve(at)racsa.co.cr (motoadve(at)racsa.co.cr)> wrote:
| | - The Matronics Yak-List Email Forum - | | | Use the List Feature Navigator to browse the many List utilities available such as the Email Subscriptions page, Archive Search & Download, 7-Day Browse, Chat, FAQ, Photoshare, and much more:
http://www.matronics.com/Navigator?Yak-List |
|
|
|
| Back to top |
|
 |
dsavarese0812(at)bellsout Guest
|
Posted: Thu Mar 28, 2019 12:39 pm Post subject: How do I bypass the rear flap handle? |
|
|
It may not be the flap handle. It also could be the flap actuator too, leaking by the seals. If you put the rear flap handle in neutral and the front flap handle in the UP position, do you hear air leaking from the front flap handle?
Dennis
On Thursday, March 28, 2019, 3:59:59 PM EDT, motoadve <motoadve(at)racsa.co.cr> wrote:
--> Yak-List message posted by: "motoadve" <motoadve(at)racsa.co.cr (motoadve(at)racsa.co.cr)>
There is a constant leak I can hear from it.
We serviced and cleaned at annual and still there.
Since the rear seat will only be used by passengers and not an instructor, I prefer to by pass it.
How do I do that?
--------
www.Backcountry182.com
Cessna 182 P
CJ -6
Read this topic online here:
http://forums.matronics.com/viewtopic.php?p=488323#488323
http://ww==================
http://forums.matronics.com
http://www.matronics.com/contr========================
| | - The Matronics Yak-List Email Forum - | | | Use the List Feature Navigator to browse the many List utilities available such as the Email Subscriptions page, Archive Search & Download, 7-Day Browse, Chat, FAQ, Photoshare, and much more:
http://www.matronics.com/Navigator?Yak-List |
|
|
|
| Back to top |
|
 |
motoadve
Joined: 23 Apr 2009 Posts: 123 Location: Seattle
|
Posted: Thu Mar 28, 2019 1:14 pm Post subject: Re: How do I bypass the rear flap handle? |
|
|
| dsavarese0812(at)bellsout wrote: | It may not be the flap handle. It also could be the flap actuator too, leaking by the seals. If you put the rear flap handle in neutral and the front flap handle in the UP position, do you hear air leaking from the front flap handle?
Dennis
No Dennis , I cannot hear any air coming out of the front flap handle in the up position.
On Thursday, March 28, 2019, 3:59:59 PM EDT, motoadve <motoadve> wrote:
--> Yak-List message posted by: "motoadve" <motoadve>
There is a constant leak I can hear from it.
We serviced and cleaned at annual and still there.
Since the rear seat will only be used by passengers and not an instructor, I prefer to by pass it.
How do I do that?
--------
www.Backcountry182.com
Cessna 182 P
CJ -6
Read this topic online here:
http://forums.matronics.com/viewtopic.php?p=488323#488323
http://ww==================
http://forums.matronics.com
http://www.matronics.com/contr======================== |
| | - The Matronics Yak-List Email Forum - | | | Use the List Feature Navigator to browse the many List utilities available such as the Email Subscriptions page, Archive Search & Download, 7-Day Browse, Chat, FAQ, Photoshare, and much more:
http://www.matronics.com/Navigator?Yak-List |
|
_________________ www.Backcountry182.com
Cessna 182 P
CJ -6 |
|
| Back to top |
|
 |
Robin Hou
Joined: 19 Jan 2017 Posts: 15 Location: El Monte, CA
|
Posted: Thu Mar 28, 2019 2:26 pm Post subject: Re: How do I bypass the rear flap handle? |
|
|
You said: "Since the rear seat will only be used by passengers and not an instructor, I prefer to by pass it. How do I do that?"
There are restrictors in the pneumatic lines going to the main and nose gear actuators. Doug has these restrictors that are undrilled. Initially, I used these undrilled restrictors on the 3 airlines going to the rear seat flap handle to bypass the rear seat flap valve. I later used these restrictors on 3 nipples to block the airlines, and sent the failed flap valve to Gill/M14-p to polish/overhaul so I have a spar flap/gear valve.
| | - The Matronics Yak-List Email Forum - | | | Use the List Feature Navigator to browse the many List utilities available such as the Email Subscriptions page, Archive Search & Download, 7-Day Browse, Chat, FAQ, Photoshare, and much more:
http://www.matronics.com/Navigator?Yak-List |
|
|
|
| Back to top |
|
 |
dsavarese0812(at)bellsout Guest
|
Posted: Thu Mar 28, 2019 3:46 pm Post subject: How do I bypass the rear flap handle? |
|
|
There are also two diverter valves at the rear gear selector that you must consider as well when bypassing the rear selector. Notice them on the schematic that Mark Pennington sent you.
Dennis
Sent from my iPhone
| Quote: | On Mar 28, 2019, at 5:14 PM, motoadve <motoadve(at)racsa.co.cr> wrote:
dsavarese0812(at)bellsout wrote:
> It may not be the flap handle. It also could be the flap actuator too, leaking by the seals. If you put the rear flap handle in neutral and the front flap handle in the UP position, do you hear air leaking from the front flap handle?
> Dennis
>
> No Dennis , I cannot hear any air coming out of the front flap handle in the up position.
>
> On Thursday, March 28, 2019, 3:59:59 PM EDT, motoadve wrote:
>
>
>
>
>
>
>
>
> There is a constant leak I can hear from it.
>
> We serviced and cleaned at annual and still there.
>
> Since the rear seat will only be used by passengers and not an instructor, I prefer to by pass it.
>
>
>
> How do I do that?
>
>
>
> --------
>
> www.Backcountry182.com
>
> Cessna 182 P
>
> CJ -6
>
>
>
>
>
>
>
>
>
> Read this topic online here:
>
>
>
> http://forums.matronics.com/viewtopic.php?p=488323#488323 (http://forums.matronics.com/viewtopic.php?p=488323#488323)
>
>
>
>
>
>
>
>
>
>
> http://ww==================
>
> http://forums.matronics.com
>
> http://www.matronics.com/contr========================
--------
www.Backcountry182.com
Cessna 182 P
CJ -6
Read this topic online here:
http://forums.matronics.com/viewtopic.php?p=488328#488328
|
| | - The Matronics Yak-List Email Forum - | | | Use the List Feature Navigator to browse the many List utilities available such as the Email Subscriptions page, Archive Search & Download, 7-Day Browse, Chat, FAQ, Photoshare, and much more:
http://www.matronics.com/Navigator?Yak-List |
|
|
|
| Back to top |
|
 |
cjpilot710(at)aol.com Guest
|
Posted: Fri Mar 29, 2019 3:47 am Post subject: How do I bypass the rear flap handle? |
|
|
Very simple. Disconnect the center line going into the flap control valve in the rear cockpit. Screw the "B" nut on that line with a plug. This is the air line INTO the valve. Once its plugged that valve is inop. You can also remove the handle witch wound have no effect anyway. Jim "Pappy" Goolsby
--
| | - The Matronics Yak-List Email Forum - | | | Use the List Feature Navigator to browse the many List utilities available such as the Email Subscriptions page, Archive Search & Download, 7-Day Browse, Chat, FAQ, Photoshare, and much more:
http://www.matronics.com/Navigator?Yak-List |
|
|
|
| Back to top |
|
 |
|
|
You cannot post new topics in this forum You cannot reply to topics in this forum You cannot edit your posts in this forum You cannot delete your posts in this forum You cannot vote in polls in this forum You cannot attach files in this forum You can download files in this forum
|
Powered by phpBB © 2001, 2005 phpBB Group
|