 |
Matronics Email Lists Web Forum Interface to the Matronics Email Lists
|
| View previous topic :: View next topic |
| Author |
Message |
kenryan
Joined: 20 Oct 2009 Posts: 429
|
Posted: Sat Dec 09, 2017 12:06 pm Post subject: stacking ring terminals or ? |
|
|
I have six wires that need to connect to the #10 stud on the capacitor associated with my regulator-rectifier. It seems that my options are to use a separate ring terminal for each wire and stack them on the stud, run several wires (as convenient) into a single ring terminal, reducing the number of terminals to three, or use the stud to attach some sort of "bus bar" that will accept the separate ring terminals. Are all of these methods acceptable? Does one sound better than the rest?
| | - The Matronics AeroElectric-List Email Forum - | | | Use the List Feature Navigator to browse the many List utilities available such as the Email Subscriptions page, Archive Search & Download, 7-Day Browse, Chat, FAQ, Photoshare, and much more:
http://www.matronics.com/Navigator?AeroElectric-List |
|
|
|
| Back to top |
|
 |
user9253
Joined: 28 Mar 2008 Posts: 1972 Location: Riley TWP Michigan
|
Posted: Sat Dec 09, 2017 2:36 pm Post subject: Re: stacking ring terminals or ? |
|
|
I prefer to use as few ring terminals as possible. For a similar situation, I have used a ring terminal made for #10 wire and filled it with several smaller wires. The ring terminal screw hole is available in various sizes. Heat shrink tubing around all of the wires and terminal barrel will provide some strain relief.
| | - The Matronics AeroElectric-List Email Forum - | | | Use the List Feature Navigator to browse the many List utilities available such as the Email Subscriptions page, Archive Search & Download, 7-Day Browse, Chat, FAQ, Photoshare, and much more:
http://www.matronics.com/Navigator?AeroElectric-List |
|
_________________ Joe Gores |
|
| Back to top |
|
 |
kenryan
Joined: 20 Oct 2009 Posts: 429
|
Posted: Sun Dec 10, 2017 9:50 am Post subject: stacking ring terminals or ? |
|
|
Thanks Joe. I got 3 X 14awg into a #10 terminal, and good strain relief using self-fusing silicone tape. Next up, two 16awg + 1 14awg, and then a single #10. Three ring terminals instead of seven. (original post forgot about a voltage sensing wire)
On Sat, Dec 9, 2017 at 1:36 PM, user9253 <fransew(at)gmail.com (fransew(at)gmail.com)> wrote:
| Quote: | --> AeroElectric-List message posted by: "user9253" <fransew(at)gmail.com (fransew(at)gmail.com)>
I prefer to use as few ring terminals as possible. For a similar situation, I have used a ring terminal made for #10 wire and filled it with several smaller wires. The ring terminal screw hole is available in various sizes. Heat shrink tubing around all of the wires and terminal barrel will provide some strain relief.
--------
Joe Gores
Read this topic online here:
http://forums.matronics.com/viewtopic.php?p=476276#476276
====================================
-
Electric-List" rel="noreferrer" target="_blank">http://www.matronics.com/Navigator?AeroElectric-List
====================================
FORUMS -
eferrer" target="_blank">http://forums.matronics.com
====================================
WIKI -
errer" target="_blank">http://wiki.matronics.com
====================================
b Site -
-Matt Dralle, List Admin.
rel="noreferrer" target="_blank">http://www.matronics.com/contribution
====================================
|
| | - The Matronics AeroElectric-List Email Forum - | | | Use the List Feature Navigator to browse the many List utilities available such as the Email Subscriptions page, Archive Search & Download, 7-Day Browse, Chat, FAQ, Photoshare, and much more:
http://www.matronics.com/Navigator?AeroElectric-List |
|
|
|
| Back to top |
|
 |
nuckolls.bob(at)aeroelect Guest
|
Posted: Sun Dec 10, 2017 10:32 am Post subject: stacking ring terminals or ? |
|
|
At 02:04 PM 12/9/2017, you wrote:
| Quote: | | I have six wires that need to connect to the #10 stud on the capacitor associated with my regulator-rectifier. It seems that my options are to use a separate ring terminal for each wire and stack them on the stud, run several wires (as convenient) into a single ring terminal, reducing the number of terminals to three, or use the stud to attach some sort of "bus bar" that will accept the separate ring terminals. Are all of these methods acceptable? Does one sound better than the rest? |
How did you get so many wires on the capacitor . . .
we generally see two or less per terminal.
[img]cid:7.1.0.9.0.20171210122444.05d1bf60(at)aeroelectric.com.0[/img]
More than two gets a bit messy in that you
have to clock the terminals around the stud
to achieve mate up. Putting two or more wires
into an appropriately sized terminal is acceptable
and in your case, may be the more elegant solution.
Bob . . .
| | - The Matronics AeroElectric-List Email Forum - | | | Use the List Feature Navigator to browse the many List utilities available such as the Email Subscriptions page, Archive Search & Download, 7-Day Browse, Chat, FAQ, Photoshare, and much more:
http://www.matronics.com/Navigator?AeroElectric-List |
|
| Description: |
|
| Filesize: |
32.4 KB |
| Viewed: |
16240 Time(s) |

|
|
|
| Back to top |
|
 |
kenryan
Joined: 20 Oct 2009 Posts: 429
|
Posted: Sun Dec 10, 2017 11:28 am Post subject: stacking ring terminals or ? |
|
|
Bob,
This is for a Rotax 914 where I have assigned the primary function of the dynamo to powering the main fuel pump: Here's how I ended up with so many wires to my capacitor:
A. 3 x 16AWG from the regulator rectifier (R, B+, C)
B. 1 X 16AWG to power main fuel pump
C. 1 X 16AWG to (ON)-OFF-ON switch for energizing the regulator-rectifier (this could have been a smaller wire)
D. 1 X 20AWG to EMS for measuring voltage output of dynamo
E. 1 X 10AWG to relay for connecting dynamo output to bus (will probably never use this)
The last one I added specifically because of your expressed dissatisfaction with relegating the dynamo to only powering the fuel pump.
Drawing attached, but not confident it will show up on forum.
Ken
On Sun, Dec 10, 2017 at 9:31 AM, Robert L. Nuckolls, III <nuckolls.bob(at)aeroelectric.com (nuckolls.bob(at)aeroelectric.com)> wrote:
| Quote: | At 02:04 PM 12/9/2017, you wrote:
| Quote: | | I have six wires that need to connect to the #10 stud on the capacitor associated with my regulator-rectifier. It seems that my options are to use a separate ring terminal for each wire and stack them on the stud, run several wires (as convenient) into a single ring terminal, reducing the number of terminals to three, or use the stud to attach some sort of "bus bar" that will accept the separate ring terminals. Are all of these methods acceptable? Does one sound better than the rest? |
How did you get so many wires on the capacitor . . .
we generally see two or less per terminal.
[img]cid:7.1.0.9.0.20171210122444.05d1bf60(at)aeroelectric.com.0[/img]
More than two gets a bit messy in that you
have to clock the terminals around the stud
to achieve mate up. Putting two or more wires
into an appropriately sized terminal is acceptable
and in your case, may be the more elegant solution.
Bob . . .
|
| | - The Matronics AeroElectric-List Email Forum - | | | Use the List Feature Navigator to browse the many List utilities available such as the Email Subscriptions page, Archive Search & Download, 7-Day Browse, Chat, FAQ, Photoshare, and much more:
http://www.matronics.com/Navigator?AeroElectric-List |
|
| Description: |
|
| Filesize: |
32.4 KB |
| Viewed: |
16240 Time(s) |

|
| Description: |
|
| Filesize: |
291.35 KB |
| Viewed: |
16240 Time(s) |

|
|
|
| Back to top |
|
 |
kenryan
Joined: 20 Oct 2009 Posts: 429
|
Posted: Sun Dec 10, 2017 11:42 am Post subject: stacking ring terminals or ? |
|
|
Correction to previous post:
A. 3 x 14AWG (not 16AWG)
On Sun, Dec 10, 2017 at 10:27 AM, Ken Ryan <keninalaska(at)gmail.com (keninalaska(at)gmail.com)> wrote:
| Quote: | Bob,
This is for a Rotax 914 where I have assigned the primary function of the dynamo to powering the main fuel pump: Here's how I ended up with so many wires to my capacitor:
A. 3 x 16AWG from the regulator rectifier (R, B+, C)
B. 1 X 16AWG to power main fuel pump
C. 1 X 16AWG to (ON)-OFF-ON switch for energizing the regulator-rectifier (this could have been a smaller wire)
D. 1 X 20AWG to EMS for measuring voltage output of dynamo
E. 1 X 10AWG to relay for connecting dynamo output to bus (will probably never use this)
The last one I added specifically because of your expressed dissatisfaction with relegating the dynamo to only powering the fuel pump.
Drawing attached, but not confident it will show up on forum.
Ken
On Sun, Dec 10, 2017 at 9:31 AM, Robert L. Nuckolls, III <nuckolls.bob(at)aeroelectric.com (nuckolls.bob(at)aeroelectric.com)> wrote:
| Quote: | At 02:04 PM 12/9/2017, you wrote:
| Quote: | | I have six wires that need to connect to the #10 stud on the capacitor associated with my regulator-rectifier. It seems that my options are to use a separate ring terminal for each wire and stack them on the stud, run several wires (as convenient) into a single ring terminal, reducing the number of terminals to three, or use the stud to attach some sort of "bus bar" that will accept the separate ring terminals. Are all of these methods acceptable? Does one sound better than the rest? |
How did you get so many wires on the capacitor . . .
we generally see two or less per terminal.
[img]cid:7.1.0.9.0.20171210122444.05d1bf60(at)aeroelectric.com.0[/img]
More than two gets a bit messy in that you
have to clock the terminals around the stud
to achieve mate up. Putting two or more wires
into an appropriately sized terminal is acceptable
and in your case, may be the more elegant solution.
Bob . . .
|
|
| | - The Matronics AeroElectric-List Email Forum - | | | Use the List Feature Navigator to browse the many List utilities available such as the Email Subscriptions page, Archive Search & Download, 7-Day Browse, Chat, FAQ, Photoshare, and much more:
http://www.matronics.com/Navigator?AeroElectric-List |
|
| Description: |
|
| Filesize: |
32.4 KB |
| Viewed: |
16240 Time(s) |

|
|
|
| Back to top |
|
 |
nuckolls.bob(at)aeroelect Guest
|
Posted: Sun Dec 10, 2017 3:09 pm Post subject: stacking ring terminals or ? |
|
|
At 01:41 PM 12/10/2017, you wrote:
| Quote: | Correction to previous post:
A. 3 x 14AWG (not 16AWG)
On Sun, Dec 10, 2017 at 10:27 AM, Ken Ryan <keninalaska(at)gmail.com (keninalaska(at)gmail.com)> wrote:
Bob,
This is for a Rotax 914 where I have assigned the primary function of the dynamo to powering the main fuel pump: Here's how I ended up with so many wires to my capacitor:
A. 3 x 16AWG from the regulator rectifier (R, B+, C)
B. 1 X 16AWG to power main fuel pump
C. 1 X 16AWG to (ON)-OFF-ON switch for energizing the regulator-rectifier (this could have been a smaller wire)
D. 1 X 20AWG to EMS for measuring voltage output of dynamo
E. 1 X 10AWG to relay for connecting dynamo output to bus (will probably never use this) |
That's a pretty good wad of wires . . .
Suggest you fabricate a terminal post to mount
adjacent to the capacitor. Come to think of it,
I may have one already built. It's a piece of
Delrin about 2.3 x 0.8 inches and about 0.5
thick. Has two 10-32 studs 0.75 long and mounts
to airframe with 8-32 screws. The heads are countersunk
into the bottom and potted with JB Kwik. Needed
a dozen or so on a project about 10 years ago and
had some left over . . . now if I can just remember
where they are . . .
You can have it if you wish . . .
Bob . . .
| | - The Matronics AeroElectric-List Email Forum - | | | Use the List Feature Navigator to browse the many List utilities available such as the Email Subscriptions page, Archive Search & Download, 7-Day Browse, Chat, FAQ, Photoshare, and much more:
http://www.matronics.com/Navigator?AeroElectric-List |
|
|
|
| Back to top |
|
 |
user9253
Joined: 28 Mar 2008 Posts: 1972 Location: Riley TWP Michigan
|
Posted: Sun Dec 10, 2017 3:31 pm Post subject: Re: stacking ring terminals or ? |
|
|
The Dynamo relay switch has a wire connected to the
momentary terminal. I see no purpose for that wire. It
is not required to energize regulator terminal "C"
because terminal C will get power through the relay and
30 amp fuse.
In my Rotax 912ULS powered RV-12, I connected the
capacitor to the main power bus through a 10 amp fuse.
(Inrush current blew 5 amp fuses)
There should be a switch to shut off fuel pump 1
unless that is a pullable circuit breaker. Shutting off
the relay will not shut off the fuel pump 1 because once
the rectifier/regulator is outputting power, it can not
be shut off except by shutting off the engine. I know
because I experimented with my plane by temporarily
connecting rectifier/regulator terminals R & B & C
together. The rectifier/regulator kept on outputting
power after the master switch was shut off.
The starter contactor coil and relay coil need arc
suppression diodes just like the master contactor coil.
The diode arrows point towards positive.
The 30amp fuse should be relocated close to the
starter contactor to protect the 10awg wire. The dynamo
is self current limiting.
Try using "express sch" to draw your schematics instead of paper and pencil. It is free.
https://www.expresspcb.com/expresspcb/
Scroll down the web page to "DownLoad Classic" (RED box).
| | - The Matronics AeroElectric-List Email Forum - | | | Use the List Feature Navigator to browse the many List utilities available such as the Email Subscriptions page, Archive Search & Download, 7-Day Browse, Chat, FAQ, Photoshare, and much more:
http://www.matronics.com/Navigator?AeroElectric-List |
|
_________________ Joe Gores |
|
| Back to top |
|
 |
kenryan
Joined: 20 Oct 2009 Posts: 429
|
Posted: Sun Dec 10, 2017 4:15 pm Post subject: stacking ring terminals or ? |
|
|
Thanks for the offer Bob. No need to find them. I happen to have a small bus bar that should serve the same purpose. It's good idea. Do you think #8 wire would be adequate for connecting it to the capacitor?
Ken
On Sun, Dec 10, 2017 at 2:08 PM, Robert L. Nuckolls, III <nuckolls.bob(at)aeroelectric.com (nuckolls.bob(at)aeroelectric.com)> wrote:
| Quote: | At 01:41 PM 12/10/2017, you wrote:
| Quote: | Correction to previous post:
A. 3 x 14AWG (not 16AWG)
On Sun, Dec 10, 2017 at 10:27 AM, Ken Ryan <keninalaska(at)gmail.com (keninalaska(at)gmail.com)> wrote:
| Bob,
This is for a Rotax 914 where I have assigned the primary function of the dynamo to powering the main fuel pump: Here's how I ended up with so many wires to my capacitor:
A. 3 x 16AWG from the regulator rectifier (R, B+, C)
B. 1 X 16AWG to power main fuel pump
C. 1 X 16AWG to (ON)-OFF-ON switch for energizing the regulator-rectifier (this could have been a smaller wire)
D. 1 X 20AWG to EMS for measuring voltage output of dynamo
E. 1 X 10AWG to relay for connecting dynamo output to bus (will probably never use this)
That's a pretty good wad of wires . . .
Suggest you fabricate a terminal post to mount
adjacent to the capacitor. Come to think of it,
I may have one already built. It's a piece of
Delrin about 2.3 x 0.8 inches and about 0.5
thick. Has two 10-32 studs 0.75 long and mounts
to airframe with 8-32 screws. The heads are countersunk
into the bottom and potted with JB Kwik. Needed
a dozen or so on a project about 10 years ago and
had some left over . . . now if I can just remember
where they are . . .
You can have it if you wish . . .
Bob . . .
|
| | - The Matronics AeroElectric-List Email Forum - | | | Use the List Feature Navigator to browse the many List utilities available such as the Email Subscriptions page, Archive Search & Download, 7-Day Browse, Chat, FAQ, Photoshare, and much more:
http://www.matronics.com/Navigator?AeroElectric-List |
|
|
|
| Back to top |
|
 |
kenryan
Joined: 20 Oct 2009 Posts: 429
|
Posted: Sun Dec 10, 2017 4:43 pm Post subject: stacking ring terminals or ? |
|
|
Joe,
Thanks much for taking the time to look at my drawing. Here's my thinking:
The Dynamo relay switch has a wire connected to themomentary terminal. I see no purpose for that wire. Itis not required to energize regulator terminal "C"because terminal C will get power through the relay and30 amp fuse.
My intention was to completely isolate the two charging systems. Normal operations would never call for the dynamo relay to be closed; I don't see myself ever needing to close that relay. And if I did, it would be after shutting down the alternator (again in the quest of keeping the systems separate). The only reason I added that relay is because Bob objected to relegating the dynamo to only powering the main fuel pump, so in deference to his wisdom I worked in the relay which does make it "possible" to power the bus using the dynamo. I "think" my architecture accomplishes these objectives.
In my Rotax 912ULS powered RV-12, I connected thecapacitor to the main power bus through a 10 amp fuse.(Inrush current blew 5 amp fuses)
That tells me that my 10 amp fuse on the bus for the wire that energizes the regulator is correct.
There should be a switch to shut off fuel pump 1unless that is a pullable circuit breaker. Shutting offthe relay will not shut off the fuel pump 1 because oncethe rectifier/regulator is outputting power, it can notbe shut off except by shutting off the engine.
Again, the relay will remain open, unless some unanticipated event causes me to close it. The 10 amp panel breaker is a pullable breaker and that is my switch should I ever need to shut off the main fuel pump.
The starter contactor coil and relay coil need arcsuppression diodes just like the master contactor coil.The diode arrows point towards positive.
Thank you! I definitely missed that. How could I watch this list for several years (and own Bob's Bible) and still miss that?
The 30amp fuse should be relocated close to thestarter contactor to protect the 10awg wire.
Thank you for that, too. Sometimes I get confused on exactly what the fuse is protecting!
Try using "express sch" to draw your schematics
instead of paper and pencil. It is free.https://www.expresspcb.com/expresspcb/Scroll down the web page to "DownLoad Classic" (RED box).
I will try it. I have tried a couple of programs in the past and found the learning curve frustrating. I would love to be able to produce better drawings.
Thanks again for looking at my stuff. Let me know if my reasoning above makes sense to you.
Ken
On Sun, Dec 10, 2017 at 2:31 PM, user9253 <fransew(at)gmail.com (fransew(at)gmail.com)> wrote:
| Quote: | --> AeroElectric-List message posted by: "user9253" <fransew(at)gmail.com (fransew(at)gmail.com)>
The Dynamo relay switch has a wire connected to the
momentary terminal. I see no purpose for that wire. It
is not required to energize regulator terminal "C"
because terminal C will get power through the relay and
30 amp fuse.
In my Rotax 912ULS powered RV-12, I connected the
capacitor to the main power bus through a 10 amp fuse.
(Inrush current blew 5 amp fuses)
There should be a switch to shut off fuel pump 1
unless that is a pullable circuit breaker. Shutting off
the relay will not shut off the fuel pump 1 because once
the rectifier/regulator is outputting power, it can not
be shut off except by shutting off the engine. I know
because I experimented with my plane by temporarily
connecting rectifier/regulator terminals R & B & C
together. The rectifier/regulator kept on outputting
power after the master switch was shut off.
The starter contactor coil and relay coil need arc
suppression diodes just like the master contactor coil.
The diode arrows point towards positive.
The 30amp fuse should be relocated close to the
starter contactor to protect the 10awg wire. The dynamo
is self current limiting.
Try using "express sch" to draw your schematics instead of paper and pencil. It is free.
https://www.expresspcb.com/expresspcb/
Scroll down the web page to "DownLoad Classic" (RED box).
--------
Joe Gores
Read this topic online here:
http://forums.matronics.com/viewtopic.php?p=476324#476324
====================================
-
Electric-List" rel="noreferrer" target="_blank">http://www.matronics.com/Navigator?AeroElectric-List
====================================
FORUMS -
eferrer" target="_blank">http://forums.matronics.com
====================================
WIKI -
errer" target="_blank">http://wiki.matronics.com
====================================
b Site -
-Matt Dralle, List Admin.
rel="noreferrer" target="_blank">http://www.matronics.com/contribution
====================================
|
| | - The Matronics AeroElectric-List Email Forum - | | | Use the List Feature Navigator to browse the many List utilities available such as the Email Subscriptions page, Archive Search & Download, 7-Day Browse, Chat, FAQ, Photoshare, and much more:
http://www.matronics.com/Navigator?AeroElectric-List |
|
|
|
| Back to top |
|
 |
nuckolls.bob(at)aeroelect Guest
|
Posted: Sun Dec 10, 2017 5:15 pm Post subject: stacking ring terminals or ? |
|
|
At 06:14 PM 12/10/2017, you wrote:
| Quote: | | Thanks for the offer Bob. No need to find them. I happen to have a small bus bar that should serve the same purpose. It's good idea. Do you think #8 wire would be adequate for connecting it to the capacitor? |
#12 would probably be fine . . . you've only got a 20A
system.
Bob . . .
| | - The Matronics AeroElectric-List Email Forum - | | | Use the List Feature Navigator to browse the many List utilities available such as the Email Subscriptions page, Archive Search & Download, 7-Day Browse, Chat, FAQ, Photoshare, and much more:
http://www.matronics.com/Navigator?AeroElectric-List |
|
|
|
| Back to top |
|
 |
user9253
Joined: 28 Mar 2008 Posts: 1972 Location: Riley TWP Michigan
|
Posted: Mon Dec 11, 2017 7:41 am Post subject: Re: stacking ring terminals or ? |
|
|
A 5 amp circuit breaker should be big enough for the 35
amp alternator field.
Capacitor current is not very much once energized.
18 AWG wire is big enough if the wire only carries
capacitor current.
The 10 amp fuse that activates the regulator also
carries fuel pump #1 current and capacitor inrush
current. Another consideration is if the
rectifier/regulator output voltage happens to be higher
than main alternator voltage, then the dynamo will power
the whole aircraft while the momentary switch is closed.
The momentary switch might only be closed for a couple
of seconds, but that is all it takes to blow a fuse.
It is only a matter of time before a pilot forgets to activate
the rectifier/regulator. A diode could be used instead of a
momentary switch.
I used ExpressSCH to draw the circuit and Snagit to capture
the picture. Or ExpressSCH can print to CutePDF Writer to
make a PDF document.
| | - The Matronics AeroElectric-List Email Forum - | | | Use the List Feature Navigator to browse the many List utilities available such as the Email Subscriptions page, Archive Search & Download, 7-Day Browse, Chat, FAQ, Photoshare, and much more:
http://www.matronics.com/Navigator?AeroElectric-List |
|
| Description: |
|
| Filesize: |
23.09 KB |
| Viewed: |
16197 Time(s) |

|
_________________ Joe Gores |
|
| Back to top |
|
 |
kenryan
Joined: 20 Oct 2009 Posts: 429
|
Posted: Mon Dec 11, 2017 9:50 am Post subject: stacking ring terminals or ? |
|
|
Thanks as always Joe. Comments:
The 10 amp fuse that activates the regulator alsocarries fuel pump #1 current and capacitor inrushcurrent.
I had not considered this, but with #16 wire I should be able up the fuse size if necessary.
Another consideration is if therectifier/regulator output voltage happens to be higherthan main alternator voltage, then the dynamo will powerthe whole aircraft while the momentary switch is closed.The momentary switch might only be closed for a coupleof seconds, but that is all it takes to blow a fuse.
I had not considered this, either. Rotax says the reg/rect output is 14 +/- 0.3 volts from 1000 +/- 250 rpm and the alternator output is 14.2 - 14.8 volts. Additionally I finally found a source for the Silent-Hektik regulator, which I have ordered and will probably use. The Silent-Hektik has a stepped charging profile whereby it starts out at only 12.5 volts for the first three minutes, peaking at about 14.4 volts. So, I'm not sure whether or not the dynamo will be carrying the bus while the momentary contact switch is closed. Let's consider what happens during operation.
Startup procedure is to turn on the auxiliary pump and crank the engine. The oil pressure switch allows the auxiliary pump to instantly energize and get the engine running. Now the engine is running and the alternator is presumed to be supplying the bus with 14.2 - 14.8 volts.
The next step is to energize the regulator-rectifier using the momentary contact switch. This will energize the primary fuel pump and also energize (as you have pointed out) the wire from the capacitor, through the switch and 10 amp fuse, to the bus. If the alternator voltage is less than the reg/rect voltage, that wire will also be carrying all bus loads for the time that the momentary switch is closed. This could blow the 10 amp fuse. Even if I increase that fuse to 15 amps, it is possible it could blow. Keep in mind that this is all happening on the ground, so if the fuse blows it is not a disaster.
Given that this circuit is #16 wire, and that the switch is momentary (couple of seconds at most) do you think it would be okay to use a 20 amp fuse for this circuit? If yes, I think that solves that problem.
This brings up another question I have. When that same switch (ON)-OFF-ON is placed in the ON position, that wire is again connected to the bus. But at the same time the relay is closed and the fatter #12 wire is also connected to the bus. I am assuming that the two wires will share the loads and the fuse size on the #16 wire will no longer be an issue. Is that correct?
Another possible scenario would be flying along normally, with the alternator carrying the bus and the dynamo carrying the main fuel pump. Suppose the momentary contact switch is inadvertantly closed under this scenario, and the fuse in question does blow. What would happen? It seems to me that main fuel pump should continue to run, and the alternator should continue to supply the bus. The only thing lost would be the ability to energize the reg/rect using bus voltage (after the engine is shut down). Do you agree?
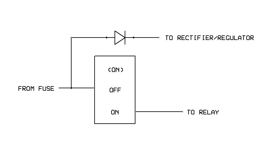
It is only a matter of time before a pilot forgets to activatethe rectifier/regulator. A diode could be used instead of amomentary switch.
It could happen, but given that it is tied to fuel pump management on an engine that requires an electric fuel pump to run, that would be some very sloppy piloting. It is very much like saying "it is only a matter of time before the pilot forgets to put fuel in the airplane." But let's look at the diode possibility anyway.
If a diode were used instead of the switch as shown in your drawing, then on startup the reg/rect would be energized as soon as the dynamo spits out enough voltage to activate it. Only then would the main fuel pump become energized. It might be necessary to turn on the auxiliary pump for starting. If it is, that means that on startup both fuel pumps would be running. I don't see any problem with that.
But what about the need to disconnect the reg/rect to prevent running down the battery? I guess that is covered by the battery contactor. Or maybe the diode itself protects against this?
So it appears that the diode instead of the switch should work for energizing the reg/rect.
Would a diode also address the previously discussed possibility of blowing the fuse because the #16 wire might be carrying the bus loads (rather than the alternator)? It seems that it would.
Are there any downsides? Is a diode more or less prone to failure than a switch? (It seems that diode failure in alternators is pretty common.) What are the failure modes of a diode? Does it make any difference where in the wire the diode is located?
You always make me think, Joe.
Ken
On Mon, Dec 11, 2017 at 6:41 AM, user9253 <fransew(at)gmail.com (fransew(at)gmail.com)> wrote:
| Quote: | --> AeroElectric-List message posted by: "user9253" <fransew(at)gmail.com (fransew(at)gmail.com)>
A 5 amp circuit breaker should be big enough for the 35
amp alternator field.
Capacitor current is not very much once energized.
18 AWG wire is big enough if the wire only carries
capacitor current.
The 10 amp fuse that activates the regulator also
carries fuel pump #1 current and capacitor inrush
current. Another consideration is if the
rectifier/regulator output voltage happens to be higher
than main alternator voltage, then the dynamo will power
the whole aircraft while the momentary switch is closed.
The momentary switch might only be closed for a couple
of seconds, but that is all it takes to blow a fuse.
It is only a matter of time before a pilot forgets to activate
the rectifier/regulator. A diode could be used instead of a
momentary switch.
I used ExpressSCH to draw the circuit and Snagit to capture
the picture. Or ExpressSCH can print to CutePDF Writer to
make a PDF document.
--------
Joe Gores
Read this topic online here:
http://forums.matronics.com/viewtopic.php?p=476333#476333
Attachments:
http://forums.matronics.com//files/diode_577.jpg
====================================
-
Electric-List" rel="noreferrer" target="_blank">http://www.matronics.com/Navigator?AeroElectric-List
====================================
FORUMS -
eferrer" target="_blank">http://forums.matronics.com
====================================
WIKI -
errer" target="_blank">http://wiki.matronics.com
====================================
b Site -
-Matt Dralle, List Admin.
rel="noreferrer" target="_blank">http://www.matronics.com/contribution
====================================
|
| | - The Matronics AeroElectric-List Email Forum - | | | Use the List Feature Navigator to browse the many List utilities available such as the Email Subscriptions page, Archive Search & Download, 7-Day Browse, Chat, FAQ, Photoshare, and much more:
http://www.matronics.com/Navigator?AeroElectric-List |
|
|
|
| Back to top |
|
 |
user9253
Joined: 28 Mar 2008 Posts: 1972 Location: Riley TWP Michigan
|
Posted: Mon Dec 11, 2017 4:16 pm Post subject: Re: stacking ring terminals or ? |
|
|
Ken, I see nothing wrong with the reasoning in your last post. But
about the 10 amp fuse and momentary switch circuit, I suggest that
the (ON)-OFF-ON switch be replaced with a simple ON-OFF SPST switch
to energize the relay coil. Replace that 10 amp fuse with a 3 amp fuse.
When you want to activate the reg/rect, just turn on the relay, then shut
it back off. There is no worry about ampacity of wires or fuse.
Now if you want to reduce pilot workload and make that function automatic,
then use a fuse and diode between the starter and reg/rect, assuming that
the starter contactor will remain energized until the reg/rect is operating.
The diode will allow current to flow in only one direction, towards the
reg/rect.
A switch is more likely to fail than a diode if the diode is properly rated
and installed. Diodes fail if they get too hot. Keep them cool and they
will last a very long time.
| | - The Matronics AeroElectric-List Email Forum - | | | Use the List Feature Navigator to browse the many List utilities available such as the Email Subscriptions page, Archive Search & Download, 7-Day Browse, Chat, FAQ, Photoshare, and much more:
http://www.matronics.com/Navigator?AeroElectric-List |
|
_________________ Joe Gores |
|
| Back to top |
|
 |
kenryan
Joined: 20 Oct 2009 Posts: 429
|
Posted: Mon Dec 11, 2017 4:56 pm Post subject: stacking ring terminals or ? |
|
|
Thanks Joe, now I follow you.
I like both approaches. I think I will go with using the relay to energize the reg/rect. To me it makes operations more intuitive. It's a definite improvement getting rid of that three way switch. It is not intuitive to have one switch that behaves differently from all the others. Thanks also for your comment on the snapjack vs diodes. I bought some snapjacks a while back, so I will use them.
Ken
On Mon, Dec 11, 2017 at 3:17 PM, user9253 <fransew(at)gmail.com (fransew(at)gmail.com)> wrote:
| Quote: | --> AeroElectric-List message posted by: "user9253" <fransew(at)gmail.com (fransew(at)gmail.com)>
Ken, I see nothing wrong with the reasoning in your last post. But
about the 10 amp fuse and momentary switch circuit, I suggest that
the (ON)-OFF-ON switch be replaced with a simple ON-OFF SPST switch
to energize the relay coil. Replace that 10 amp fuse with a 3 amp fuse.
When you want to activate the reg/rect, just turn on the relay, then shut
it back off. There is no worry about ampacity of wires or fuse.
Now if you want to reduce pilot workload and make that function automatic,
then use a fuse and diode between the starter and reg/rect, assuming that
the starter contactor will remain energized until the reg/rect is operating.
The diode will allow current to flow in only one direction, towards the
reg/rect.
A switch is more likely to fail than a diode if the diode is properly rated
and installed. Diodes fail if they get too hot. Keep them cool and they
will last a very long time.
--------
Joe Gores
Read this topic online here:
http://forums.matronics.com/viewtopic.php?p=476349#476349
====================================
-
Electric-List" rel="noreferrer" target="_blank">http://www.matronics.com/Navigator?AeroElectric-List
====================================
FORUMS -
eferrer" target="_blank">http://forums.matronics.com
====================================
WIKI -
errer" target="_blank">http://wiki.matronics.com
====================================
b Site -
-Matt Dralle, List Admin.
rel="noreferrer" target="_blank">http://www.matronics.com/contribution
====================================
|
| | - The Matronics AeroElectric-List Email Forum - | | | Use the List Feature Navigator to browse the many List utilities available such as the Email Subscriptions page, Archive Search & Download, 7-Day Browse, Chat, FAQ, Photoshare, and much more:
http://www.matronics.com/Navigator?AeroElectric-List |
|
|
|
| Back to top |
|
 |
user9253
Joined: 28 Mar 2008 Posts: 1972 Location: Riley TWP Michigan
|
Posted: Tue Dec 12, 2017 7:54 am Post subject: Re: stacking ring terminals or ? |
|
|
Ken, The rectifier/regulator output will be unstable without a battery.
The voltage will fluctuate plus and minus about one volt. At least it did
in my Rotax powered RV-12 without the battery connected. Maybe your
Silent-Hektik regulator will do better. Even if the voltage is unstable,
chances are that the fuel pump will still operate normally. The capacitor
does not seem to help much.
| | - The Matronics AeroElectric-List Email Forum - | | | Use the List Feature Navigator to browse the many List utilities available such as the Email Subscriptions page, Archive Search & Download, 7-Day Browse, Chat, FAQ, Photoshare, and much more:
http://www.matronics.com/Navigator?AeroElectric-List |
|
_________________ Joe Gores |
|
| Back to top |
|
 |
kenryan
Joined: 20 Oct 2009 Posts: 429
|
Posted: Tue Dec 12, 2017 9:31 am Post subject: stacking ring terminals or ? |
|
|
Joe, I followed your testing. Most people I have talked to agree with you that the fuel pump should perform normally even with the unstable voltage. It will be interesting to see what happens.
The Silent-Hektik calls for a larger 33000 capacitor. I wonder if a larger capacitor might smooth out the Ducati. Speaking of capacitors, I spent some time yesterday trying to figure out which one to buy for the Silent-Hektik reg/rect. The selection is mind boggling. I currently have a 22000 purchased from B&C. It is a Mallory which apparently is made by Cornell Dubilier. Based on that I came up with this one for the Silent-Hektik: [link to mouser]. Do you think this is the right one? Is there any reason that I could not use the 33000 with the Ducati reg/rect?
For those interested in the Silent-Hektik, it looks like they have changed the charging profile to be more friendly with lithium batteries. Here is a google translation of some text from their website talking about this new charging profile:
<snip>
The Silent Hustle 5Step charging technology for lithium-ion batteries
The new controller can be used by the 5Step charging technology as well as for previous lead batteries, but especially for the modern ion batteries. The ion batteries have the advantage of delivering a very high starting current for small hubs and low weight. However, this low battery impedance has a serious disadvantage when charging. After starting the battery is dead and it can float well over 20A. Therefore, the ion battery is initially pre-charged with 13V, which significantly reduces the initial charging current and overheating. Then with five steps in about 30 minutes to 14.2V gently recharged. After 90 minutes, then on trickle loading switched. This is a perfect ion battery charging management with charging current control that reduces overheating and overcharging to 90%. The development of the new regulator was carried out in our house with A123 LiFePO4 cells, 14V 7.5Hh, and is recommended as a very reliable lithium-ion starter battery.
<snip>
Ken
On Tue, Dec 12, 2017 at 6:54 AM, user9253 <fransew(at)gmail.com (fransew(at)gmail.com)> wrote:
| Quote: | --> AeroElectric-List message posted by: "user9253" <fransew(at)gmail.com (fransew(at)gmail.com)>
Ken, The rectifier/regulator output will be unstable without a battery. The voltage will fluctuate plus and minus about one volt. At least it did in my Rotax powered RV-12 without the battery connected. Maybe your Silent-Hektik regulator will do better. Even if the voltage is unstable, chances are that the fuel pump will still operate normally. The capacitor does not seem to help much.
--------
Joe Gores
Read this topic online here:
http://forums.matronics.com/viewtopic.php?p=476357#476357
====================================
-
Electric-List" rel="noreferrer" target="_blank">http://www.matronics.com/Navigator?AeroElectric-List
====================================
FORUMS -
eferrer" target="_blank">http://forums.matronics.com
====================================
WIKI -
errer" target="_blank">http://wiki.matronics.com
====================================
b Site -
-Matt Dralle, List Admin.
rel="noreferrer" target="_blank">http://www.matronics.com/contribution
====================================
|
| | - The Matronics AeroElectric-List Email Forum - | | | Use the List Feature Navigator to browse the many List utilities available such as the Email Subscriptions page, Archive Search & Download, 7-Day Browse, Chat, FAQ, Photoshare, and much more:
http://www.matronics.com/Navigator?AeroElectric-List |
|
|
|
| Back to top |
|
 |
user9253
Joined: 28 Mar 2008 Posts: 1972 Location: Riley TWP Michigan
|
Posted: Tue Dec 12, 2017 10:51 am Post subject: Re: stacking ring terminals or ? |
|
|
I am not an expert on capacitors, so maybe someone more knowledgeable
will chime in. I do not think replacing the 22,000 microfarad capacitor with
a 33000 will affect the Ducati regulator. I don't know how much good a
capacitor does in smoothing out the voltage. A capacitor would have to
accept and store a whole lot of electrons being pushed out by the dynamo
voltage peaks. And then the capacitor would have to supply that stored
energy to the pump motor during voltage sags. The capacitor just doesn't
seem big enough compared to the size of dynamo and motor. If the capacitor
is big enough, then why is the voltage unstable when the battery is
disconnected?
| | - The Matronics AeroElectric-List Email Forum - | | | Use the List Feature Navigator to browse the many List utilities available such as the Email Subscriptions page, Archive Search & Download, 7-Day Browse, Chat, FAQ, Photoshare, and much more:
http://www.matronics.com/Navigator?AeroElectric-List |
|
_________________ Joe Gores |
|
| Back to top |
|
 |
nuckolls.bob(at)aeroelect Guest
|
Posted: Wed Dec 13, 2017 3:35 am Post subject: stacking ring terminals or ? |
|
|
At 12:51 PM 12/12/2017, you wrote:
| Quote: | --> AeroElectric-List message posted by: "user9253" <fransew(at)gmail.com>
I am not an expert on capacitors, so maybe someone more knowledgeable will chime in. I do not think replacing the 22,000 microfarad capacitor with a 33000 will affect the Ducati regulator. |
You're probably correct. Need to go to
Wichita today so I won't be able to offer
constellation of simple-ideas behind how
the capacitor works today . . . but
generally speaking . . . SOME capacitance
may be helpful and as a performance matter
you probably can't have too much.
I other words, a range of 10KuF to 47KuF
would to produce observable effects.
Bob . . .
| | - The Matronics AeroElectric-List Email Forum - | | | Use the List Feature Navigator to browse the many List utilities available such as the Email Subscriptions page, Archive Search & Download, 7-Day Browse, Chat, FAQ, Photoshare, and much more:
http://www.matronics.com/Navigator?AeroElectric-List |
|
|
|
| Back to top |
|
 |
|
|
You cannot post new topics in this forum You cannot reply to topics in this forum You cannot edit your posts in this forum You cannot delete your posts in this forum You cannot vote in polls in this forum You cannot attach files in this forum You can download files in this forum
|
Powered by phpBB © 2001, 2005 phpBB Group
|