 |
Matronics Email Lists Web Forum Interface to the Matronics Email Lists
|
| View previous topic :: View next topic |
| Author |
Message |
nuckolls.bob(at)aeroelect Guest
|
Posted: Wed Oct 11, 2017 1:28 pm Post subject: Constructing an automatic RCA video camera feed splitter |
|
|
At 02:10 PM 10/11/2017, you wrote:
| Quote: | --> AeroElectric-List message posted by: C&K <yellowduckduo(at)gmail.com>
I'm curious why you'd consider driving relays instead of a 4 into 1 analog switching chip. |
If I were laying out a board and doing it myself,
that's the first approach to be considered. Haven't
played video lately so I'm unsure what the constraints
might be for solid-state switching. Some applications
and switch choices called for +/- power supplies
which complicates the circuitry.
The next choice to consider would be taking the barefoot
chip and using digital outputs to drive low current
form A relays directly. This would let us craft the
1:4 sequential switcher with a grand total of 11
parts and no concerns for DC levels on the video
lines.
The approach being offered is the short-path, minimum
risk to success for a neophyte builder using junkbox
parts.
Bob . . .
| | - The Matronics AeroElectric-List Email Forum - | | | Use the List Feature Navigator to browse the many List utilities available such as the Email Subscriptions page, Archive Search & Download, 7-Day Browse, Chat, FAQ, Photoshare, and much more:
http://www.matronics.com/Navigator?AeroElectric-List |
|
|
|
| Back to top |
|
 |
nuckolls.bob(at)aeroelect Guest
|
Posted: Wed Oct 11, 2017 3:07 pm Post subject: Constructing an automatic RCA video camera feed splitter |
|
|
At 05:34 PM 10/11/2017, you wrote:
| Quote: | --> AeroElectric-List message posted by: C&K <yellowduckduo(at)gmail.com>
Thanks for the explanation.
I've never played with USB video but I think the D+ and D- USB signals are both normally only positive with respect to the power ground and that the signal information is differential between those pins. Makes me wonder if dual pole relays would be needed.
Ken |
I was driving off the original posting
that talked about RCA connectors which
I chased down the single-wire, analog
rabbit hole.
If were talking about USB digital data,
yeah, that's easily managed in the +5v
world . . .
Bob . . .
| | - The Matronics AeroElectric-List Email Forum - | | | Use the List Feature Navigator to browse the many List utilities available such as the Email Subscriptions page, Archive Search & Download, 7-Day Browse, Chat, FAQ, Photoshare, and much more:
http://www.matronics.com/Navigator?AeroElectric-List |
|
|
|
| Back to top |
|
 |
nuckolls.bob(at)aeroelect Guest
|
Posted: Wed Oct 11, 2017 3:10 pm Post subject: Constructing an automatic RCA video camera feed splitter |
|
|
| Quote: | There was an article on a diy 8 channel video/audio using a bank of solid state switches about 30 years ago in, if memory serves, Byte Magazine. Much easier to buy off the rack these days.
How about |
<snip>
These appear to be capable video switches. We'd
still need to integrate some form of sequential switching
timer . . .
Bob . . .
| | - The Matronics AeroElectric-List Email Forum - | | | Use the List Feature Navigator to browse the many List utilities available such as the Email Subscriptions page, Archive Search & Download, 7-Day Browse, Chat, FAQ, Photoshare, and much more:
http://www.matronics.com/Navigator?AeroElectric-List |
|
|
|
| Back to top |
|
 |
nuckolls.bob(at)aeroelect Guest
|
Posted: Sat Oct 14, 2017 2:40 pm Post subject: Constructing an automatic RCA video camera feed splitter |
|
|
At 01:50 PM 10/14/2017, you wrote:
| Quote: | --> AeroElectric-List message posted by: "Paul A. Fisher" <paulf(at)hughes.net>
Since my name was mentioned, I'll weigh in. I'll be happy to modify the program Bob mentioned for this function, or more likely, just write a new one using elements of the one Bob mentioned.
If I understand the AD8184 data sheet, we need to feed A0 and A1 one of four states - 00, 01, 10, and 11. That's pretty easy to do with just two pins. If we used the PIC12F683 (mostly because I'm familiar with it!!), we could do this:
Pin 1 - Vdd
Pin 2 - High order bit to AD8184 (connect to A1)
Pin 3 - Low order bit to AD8184 (connect to A0)
Pin 4 - not used
Pin 5 - Run/Hold switch (pull low to hold)
Pin 6 - Step switch (pull low to immediately switch to the next input)
Pin 7 - Analog voltage (0-5V) to control the speed of switching in Run mode
Pin 8 - Vss
I think you could use the same switch (on-on-(on)) to ground pin 4 in position 2, and ground pin 6 in the momentary position. Analog voltage on pin 7 is similar to what you have on the proposed schematic.
Is this what we are looking for? I'll let you and Bob decide on the hardware components necessary to make it all work, but the PIC software sounds pretty straight forward.
Paul Fisher |
Our 'ships' passed in the night. I was going
to suggest that you take the sketch I posted
and adjust to what makes sense both from
a software and layout perspective.
Bob . . .
| | - The Matronics AeroElectric-List Email Forum - | | | Use the List Feature Navigator to browse the many List utilities available such as the Email Subscriptions page, Archive Search & Download, 7-Day Browse, Chat, FAQ, Photoshare, and much more:
http://www.matronics.com/Navigator?AeroElectric-List |
|
|
|
| Back to top |
|
 |
nuckolls.bob(at)aeroelect Guest
|
Posted: Sun Oct 15, 2017 7:23 am Post subject: Constructing an automatic RCA video camera feed splitter |
|
|
At 07:30 AM 10/15/2017, you wrote:
| Quote: | | That stuff is cool as far as programming tricks go, but who will be able to use the hardware except the original designer? I, and everyone else on this list, have owned dozens of electronic gadgets over the years that are absolutely impossible to set up and use without the English-as-a-second-language printed manual that you can't find after the 1st month of ownership. I have to use google on my desktop to explore how to get my phone apps to work like I want. |
This is amongst the simplest PIC applications we'll
ever encounter . . . once the first installation
has combed out the nits . . . it seems unlikely
that there would be many if any software upgrades.
Another consideration is flexibility. Suppose the
prospective end user wants only two cameras . . . or
three? Different software . . . or strapped selection
on the ECB?
Then there's a matter of packaging. One can easily
spend more time putting a gizmo in a box and installing
it than it took to build the gizmo. Certainly, packaging
issues are a major component of a development project.
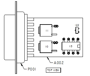
A possibility for this project is to package in a
D-sub housing. The enclosure is an off-the-shelf, inexpensive
product that simply snaps onto the final assembly.
An ECB can be soldered directly into the gap between
rows of solder-cups on a dsub.
[img]cid:.0[/img]
and dropped into a plastic housing that simply
snaps together. A product housed in a 15 pin
back shell has these dimensions.
[img]cid:.1[/img]
This project can probably be fitted into a
25 pin back shell. I perceive no particular
advantage in taking power and signals on/off
the board on RCA jacks . . . shielded
wires are just as easily dropped onto d-sub
pins. RCA plugs are not the most installer
friendly connectors.
With the extra pins, the user could intall
jumpers on the connector to select 2, 3 or 4
cameras. Other jumpers might select 3, 4 or
5 seconds per step . . . etc.
Then there's consideration for the constellation
of end users. How many would even be willing,
much less able to successfully assemble the
thing? Companies I've worked for have often
been very protective of details for how their
product was put together . . . worries about
people wanting to build it themselves. I've
observed that the $cost$ to built one-off
exceeds the selling price from a manufacturer
who is set up to build in volume while working
wayyyyyyy down on the learning curve.
It seems likely that the best way to bring
this project into the marketplace is to have
it productionized after the initial development
work is completed.
Even if supported by availability of bare
ecbs and programmed chips, it doesn't seem
like many of these things would be built.
Bob . . .
| | - The Matronics AeroElectric-List Email Forum - | | | Use the List Feature Navigator to browse the many List utilities available such as the Email Subscriptions page, Archive Search & Download, 7-Day Browse, Chat, FAQ, Photoshare, and much more:
http://www.matronics.com/Navigator?AeroElectric-List |
|
| Description: |
|
| Filesize: |
26.36 KB |
| Viewed: |
6170 Time(s) |

|
| Description: |
|
| Filesize: |
90.72 KB |
| Viewed: |
6170 Time(s) |

|
|
|
| Back to top |
|
 |
alec(at)alecmyers.com Guest
|
Posted: Sun Oct 15, 2017 7:38 am Post subject: Constructing an automatic RCA video camera feed splitter |
|
|
The AD8184 is $8. Here’s a project using $0.50 bus switch chips:
https://hackaday.com/2007/03/14/diy-av-switch/
For our purpose the PIC does its own demux - one output pin per camera.
Benefits:
-2,3,5, however-many cameras, all equally simple.
- You don’t need to sequence cameras in order or equally, thus you can have forward, left wing, forward, right wing as the sequence.
Thoughts?
On Oct 15, 2017, at 11:22, Robert L. Nuckolls, III <nuckolls.bob(at)aeroelectric.com (nuckolls.bob(at)aeroelectric.com)> wrote:
At 07:30 AM 10/15/2017, you wrote:
| Quote: | | That stuff is cool as far as programming tricks go, but who will be able to use the hardware except the original designer? I, and everyone else on this list, have owned dozens of electronic gadgets over the years that are absolutely impossible to set up and use without the English-as-a-second-language printed manual that you can't find after the 1st month of ownership. I have to use google on my desktop to explore how to get my phone apps to work like I want. |
This is amongst the simplest PIC applications we'll
ever encounter . . . once the first installation
has combed out the nits . . . it seems unlikely
that there would be many if any software upgrades.
Another consideration is flexibility. Suppose the
prospective end user wants only two cameras . . . or
three? Different software . . . or strapped selection
on the ECB?
Then there's a matter of packaging. One can easily
spend more time putting a gizmo in a box and installing
it than it took to build the gizmo. Certainly, packaging
issues are a major component of a development project.
A possibility for this project is to package in a
D-sub housing. The enclosure is an off-the-shelf, inexpensive
product that simply snaps onto the final assembly.
An ECB can be soldered directly into the gap between
rows of solder-cups on a dsub.
<aabd0be.jpg>
and dropped into a plastic housing that simply
snaps together. A product housed in a 15 pin
back shell has these dimensions.
<aabd0dd.jpg>
This project can probably be fitted into a
25 pin back shell. I perceive no particular
advantage in taking power and signals on/off
the board on RCA jacks . . . shielded
wires are just as easily dropped onto d-sub
pins. RCA plugs are not the most installer
friendly connectors.
With the extra pins, the user could intall
jumpers on the connector to select 2, 3 or 4
cameras. Other jumpers might select 3, 4 or
5 seconds per step . . . etc.
Then there's consideration for the constellation
of end users. How many would even be willing,
much less able to successfully assemble the
thing? Companies I've worked for have often
been very protective of details for how their
product was put together . . . worries about
people wanting to build it themselves. I've
observed that the $cost$ to built one-off
exceeds the selling price from a manufacturer
who is set up to build in volume while working
wayyyyyyy down on the learning curve.
It seems likely that the best way to bring
this project into the marketplace is to have
it productionized after the initial development
work is completed.
Even if supported by availability of bare
ecbs and programmed chips, it doesn't seem
like many of these things would be built.
Bob . . .
| | - The Matronics AeroElectric-List Email Forum - | | | Use the List Feature Navigator to browse the many List utilities available such as the Email Subscriptions page, Archive Search & Download, 7-Day Browse, Chat, FAQ, Photoshare, and much more:
http://www.matronics.com/Navigator?AeroElectric-List |
|
|
|
| Back to top |
|
 |
nuckolls.bob(at)aeroelect Guest
|
Posted: Sun Oct 15, 2017 11:19 am Post subject: Constructing an automatic RCA video camera feed splitter |
|
|
At 12:26 PM 10/15/2017, you wrote:
| Quote: | Ditto Charlie!
do not archive
On Sun, Oct 15, 2017 at 8:50 AM, Charlie England <ceengland7(at)gmail.com (ceengland7(at)gmail.com)> wrote:
Bob,
My comment was about 'buttonology'; not building. I've got a little clock that's RF linked to Federal time broadcasts. It's totally impossible to use any of the elaborate built-in functions with out the manual, because it has two or three unmarked buttons, and to access the various functions, you need to know the "combination". No one can use the thing without the book in front of them. Same thing for most kilo-function watches, etc. Even my old Icom A-4 handheld comm is like that. I seldom use it, so even though I've owned it for over 20 years, I still don't know how to program frequencies into it. If it had a keypad, anyone could pick it up and enter '122.75', or '125.25', etc. But since it doesn't, the unwashed can only hold the up or down button until they see the freq they want. For me, a perfect example of something simplified to the point of un-usability. |
Understand. The task before us doesn't
present much of either programming or
a control task. The trade offs between
a two-position, spring-loaded switch
and a single push-button are valid
options where a the cadence of button
ops will transition between scan and
select modes.
I sympathize with your frustration on
the radio. I've been purchasing some VERY
capable but cumbersomely programmed UHF
transceivers and setting them up for our EMS crews
to monitor the local hospital repeater.
These radios will do lots of cool stuff
but you need to learn how to do a hat-dance
on the controls which consist of 6 push-buttons
and a knob. Fortunately, I'm only setting
them up for one frequency and then locking
the controls. They can be programmed via
serial cable and a utility that runs under
Windows . . . I may explore that feature
in due course. But in the mean time, the
hat-dance tune for one frequency is simple
and short.
Bob . . .
| | - The Matronics AeroElectric-List Email Forum - | | | Use the List Feature Navigator to browse the many List utilities available such as the Email Subscriptions page, Archive Search & Download, 7-Day Browse, Chat, FAQ, Photoshare, and much more:
http://www.matronics.com/Navigator?AeroElectric-List |
|
|
|
| Back to top |
|
 |
nuckolls.bob(at)aeroelect Guest
|
Posted: Tue Oct 17, 2017 5:33 pm Post subject: Constructing an automatic RCA video camera feed splitter |
|
|
At 04:45 PM 10/17/2017, you wrote:
| Quote: | --> AeroElectric-List message posted by: Alec Myers <alec(at)alecmyers.com>
I just checked on the microchipdirect.com website. If you want Microchip to send you pre-programmed parts, there’s a set-up fee of $29, and a minimum order value of $60. The parts are reasonably priced and the extra cost to program each chip is between USD$0.10 and USD$0.15 for the range of chips we’ve been looking at. |
Programming a PIC is just slightly more
than a trivial task. You need a PIC KIT 3
programmer . .
http://tinyurl.com/ya66phql
which comes with the development/programming
software. If your project is fitted with
ICSP header, the cable supplied with the PIC KIT
drops right onto that header. If you wish to program
loose chips then you need universal chip to ICSP
adapter . . .
http://tinyurl.com/y7xt6am5
If one wishes to program SOIC chips before
installation, adapters are avaiable to
facilitate this task . . .
http://tinyurl.com/yazkcare
should deliberations on this project arrive
at some functional consensus in hardware
and performance, I'd be pleased to host the
data package defining the project.
I'll also offer to program DIP or SMD
chips at no charge beyond postage required
to return the chip(s).
Bob . . .
| | - The Matronics AeroElectric-List Email Forum - | | | Use the List Feature Navigator to browse the many List utilities available such as the Email Subscriptions page, Archive Search & Download, 7-Day Browse, Chat, FAQ, Photoshare, and much more:
http://www.matronics.com/Navigator?AeroElectric-List |
|
|
|
| Back to top |
|
 |
Eric Page
Joined: 15 Feb 2017 Posts: 274
|
|
| Back to top |
|
 |
|
|
You cannot post new topics in this forum You cannot reply to topics in this forum You cannot edit your posts in this forum You cannot delete your posts in this forum You cannot vote in polls in this forum You cannot attach files in this forum You can download files in this forum
|
Powered by phpBB © 2001, 2005 phpBB Group
|