 |
Matronics Email Lists Web Forum Interface to the Matronics Email Lists
|
| View previous topic :: View next topic |
| Author |
Message |
kearney
Joined: 20 Sep 2008 Posts: 563
|
Posted: Tue Aug 08, 2017 6:22 am Post subject: Questions for the alternator mavens |
|
|
Hi
I am looking at options for my RV10 electrical system. I am keen on preventing OV issues so I'd like to make sure I do this right.
Here is my plan (for now):
1. I plan to install an externally regulated Nippon Denso alternator (60A) as a primary alternator.
2. I plan to install a gear driven (B&C) back up alternator
3. I plan to use a VP-X Pro to monitor line voltages and provide OV protection. The VP-X would also ensure only one alternator was online at a time.
My questions is: Is there any reason I can't use automotive solid state voltage regulators rather than *aviation* ones sold by ACS? The *aviation* regulators are 4-10 times the cost of automotive regulators.
Cheers
Les
| | - The Matronics AeroElectric-List Email Forum - | | | Use the List Feature Navigator to browse the many List utilities available such as the Email Subscriptions page, Archive Search & Download, 7-Day Browse, Chat, FAQ, Photoshare, and much more:
http://www.matronics.com/Navigator?AeroElectric-List |
|
|
|
| Back to top |
|
 |
nuckolls.bob(at)aeroelect Guest
|
Posted: Tue Aug 08, 2017 8:28 am Post subject: Questions for the alternator mavens |
|
|
At 09:22 AM 8/8/2017, you wrote:
| Quote: | --> AeroElectric-List message posted by: "kearney" <kearney(at)shaw.ca>
Hi
I am looking at options for my RV10 electrical system. I am keen on preventing OV issues so I'd like to make sure I do this right.
Here is my plan (for now):
1. I plan to install an externally regulated Nippon Denso alternator (60A) as a primary alternator.
2. I plan to install a gear driven (B&C) back up alternator
3. I plan to use a VP-X Pro to monitor line voltages and provide OV protection. The VP-X would also ensure only one alternator was online at a time.
My questions is: Is there any reason I can't use automotive solid state voltage regulators rather than *aviation* ones sold by ACS? The *aviation* regulators are 4-10 times the cost of automotive regulators. |
The regulators recommended by B&C for their externally
regulated alternators have built in ov protection.
The regulator recommended for the stand-by alternator
has ov protection AND automatic standby alternator management.
When wired as suggested here . . .
http://tinyurl.com/ag46m2f
. . . you've got about everything you need for a capable,
reliable, economical, failure tolerant electrical system.
This architecture has been repeated in many hundreds of type
certificated and owner built and maintained aircraft.
If dollars expended to achieve the lightest, most
economical, easiest to maintain system are part
of your purchase considerations, you might want to review
the VP-X Pro decision. What value does that product
bring to your project that makes it superior to
the field proven architecture shown in Figure Z-12?
Bob . . .
| | - The Matronics AeroElectric-List Email Forum - | | | Use the List Feature Navigator to browse the many List utilities available such as the Email Subscriptions page, Archive Search & Download, 7-Day Browse, Chat, FAQ, Photoshare, and much more:
http://www.matronics.com/Navigator?AeroElectric-List |
|
|
|
| Back to top |
|
 |
nuckolls.bob(at)aeroelect Guest
|
Posted: Tue Aug 08, 2017 2:09 pm Post subject: Questions for the alternator mavens |
|
|
| Quote: |
My questions is: Is there any reason I can't use automotive solid state voltage regulators rather than *aviation* ones sold by ACS? The *aviation* regulators are 4-10 times the cost of automotive regulators. |
More specific to your original question, if you've
provided for alternative ov protection, then
any automotive alternator regulator will
probably do the job . . . some are quite reasonable.
http://tinyurl.com/y8tsebjz
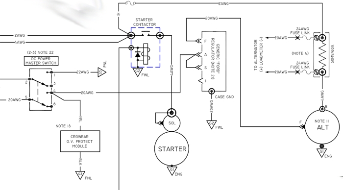
Here's how it's wired . . .
[img]cid:.0[/img]
Bob . . .
| | - The Matronics AeroElectric-List Email Forum - | | | Use the List Feature Navigator to browse the many List utilities available such as the Email Subscriptions page, Archive Search & Download, 7-Day Browse, Chat, FAQ, Photoshare, and much more:
http://www.matronics.com/Navigator?AeroElectric-List |
|
| Description: |
|
| Filesize: |
76.97 KB |
| Viewed: |
17355 Time(s) |

|
|
|
| Back to top |
|
 |
cluros(at)gmail.com Guest
|
Posted: Tue Aug 08, 2017 2:40 pm Post subject: Questions for the alternator mavens |
|
|
Excellent timing for this discussion. My 1 year old Odyssey PC545 was at 10V when I went to go flying today. Couldn't find any reason, started fine 2 days ago (I know, I know, that's not a good measure of battery health) Charged it for 30 minutes and then did an external start. Ammeter showed no current going into the battery. Leaving the alternator on and turning the battery off jumped the voltage up half a volt. So I think my battery is done, the local Odyssey dealer is going to confirm tomorrow morning.
Anyway my question is on these automotive voltage regulators, is it possible to adjust the voltage high enough to keep an Odyssey battery happy?
Thank you,
Sebastien
On Aug 8, 2017, at 15:09, Robert L. Nuckolls, III <nuckolls.bob(at)aeroelectric.com (nuckolls.bob(at)aeroelectric.com)> wrote:
| Quote: | | Quote: |
My questions is: Is there any reason I can't use automotive solid state voltage regulators rather than *aviation* ones sold by ACS? The *aviation* regulators are 4-10 times the cost of automotive regulators. |
More specific to your original question, if you've
provided for alternative ov protection, then
any automotive alternator regulator will
probably do the job . . . some are quite reasonable.
http://tinyurl.com/y8tsebjz
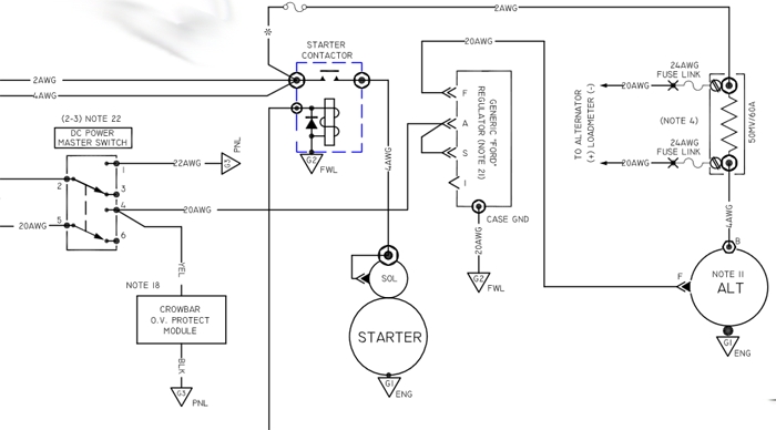
Here's how it's wired . . .
<a93394f.jpg>
Bob . . .
|
| | - The Matronics AeroElectric-List Email Forum - | | | Use the List Feature Navigator to browse the many List utilities available such as the Email Subscriptions page, Archive Search & Download, 7-Day Browse, Chat, FAQ, Photoshare, and much more:
http://www.matronics.com/Navigator?AeroElectric-List |
|
| Description: |
|
| Filesize: |
76.97 KB |
| Viewed: |
17353 Time(s) |

|
|
|
| Back to top |
|
 |
kearney
Joined: 20 Sep 2008 Posts: 563
|
Posted: Tue Aug 08, 2017 3:04 pm Post subject: Re: Questions for the alternator mavens |
|
|
Hi Bob
Thanks for the advice and the info. I haven't made any firm decision on which way I will go so your comments will be most helpful.
Regards
Les
| | - The Matronics AeroElectric-List Email Forum - | | | Use the List Feature Navigator to browse the many List utilities available such as the Email Subscriptions page, Archive Search & Download, 7-Day Browse, Chat, FAQ, Photoshare, and much more:
http://www.matronics.com/Navigator?AeroElectric-List |
|
|
|
| Back to top |
|
 |
ceengland7(at)gmail.com Guest
|
Posted: Tue Aug 08, 2017 3:17 pm Post subject: Questions for the alternator mavens |
|
|
Did you verify that the alternator was actually working at a voltage that would charge the battery? (Should be at least 14V; 14.7V for optimum charging, according to Odyssey.)
On 8/8/2017 5:40 PM, Sebastien wrote:
| Quote: | Excellent timing for this discussion. My 1 year old Odyssey PC545 was at 10V when I went to go flying today. Couldn't find any reason, started fine 2 days ago (I know, I know, that's not a good measure of battery health) Charged it for 30 minutes and then did an external start. Ammeter showed no current going into the battery. Leaving the alternator on and turning the battery off jumped the voltage up half a volt. So I think my battery is done, the local Odyssey dealer is going to confirm tomorrow morning.
Anyway my question is on these automotive voltage regulators, is it possible to adjust the voltage high enough to keep an Odyssey battery happy?
Thank you,
Sebastien
On Aug 8, 2017, at 15:09, Robert L. Nuckolls, III <nuckolls.bob(at)aeroelectric.com (nuckolls.bob(at)aeroelectric.com)> wrote:
| Quote: | | Quote: |
My questions is: Is there any reason I can't use automotive solid state voltage regulators rather than *aviation* ones sold by ACS? The *aviation* regulators are 4-10 times the cost of automotive regulators. |
More specific to your original question, if you've
provided for alternative ov protection, then
any automotive alternator regulator will
probably do the job . . . some are quite reasonable.
http://tinyurl.com/y8tsebjz
Here's how it's wired . . .
<a93394f.jpg>
Bob . . .
| |
Virus-free. www.avast.com [url=#DAB4FAD8-2DD7-40BB-A1B8-4E2AA1F9FDF2] [/url]
| | - The Matronics AeroElectric-List Email Forum - | | | Use the List Feature Navigator to browse the many List utilities available such as the Email Subscriptions page, Archive Search & Download, 7-Day Browse, Chat, FAQ, Photoshare, and much more:
http://www.matronics.com/Navigator?AeroElectric-List |
|
|
|
| Back to top |
|
 |
cluros(at)gmail.com Guest
|
Posted: Tue Aug 08, 2017 3:31 pm Post subject: Questions for the alternator mavens |
|
|
I have not checked the alternator yet but have been meaning to change the voltage regulator for some time simply because of age. I will put a good battery in tomorrow (either my battery if still good or a new one) and check the alternator voltage.
My question is does anyone know if these $10 automotive regulators can be set to 14.7 V or are they only ok for regular automotive batteries?
Sebastien
On Aug 8, 2017, at 16:20, Charlie England <ceengland7(at)gmail.com (ceengland7(at)gmail.com)> wrote:
| Quote: | Did you verify that the alternator was actually working at a voltage that would charge the battery? (Should be at least 14V; 14.7V for optimum charging, according to Odyssey.)
On 8/8/2017 5:40 PM, Sebastien wrote:
| Quote: | Excellent timing for this discussion. My 1 year old Odyssey PC545 was at 10V when I went to go flying today. Couldn't find any reason, started fine 2 days ago (I know, I know, that's not a good measure of battery health) Charged it for 30 minutes and then did an external start. Ammeter showed no current going into the battery. Leaving the alternator on and turning the battery off jumped the voltage up half a volt. So I think my battery is done, the local Odyssey dealer is going to confirm tomorrow morning.
Anyway my question is on these automotive voltage regulators, is it possible to adjust the voltage high enough to keep an Odyssey battery happy?
Thank you,
Sebastien
On Aug 8, 2017, at 15:09, Robert L. Nuckolls, III <nuckolls.bob(at)aeroelectric.com (nuckolls.bob(at)aeroelectric.com)> wrote:
| Quote: | | Quote: |
My questions is: Is there any reason I can't use automotive solid state voltage regulators rather than *aviation* ones sold by ACS? The *aviation* regulators are 4-10 times the cost of automotive regulators. |
More specific to your original question, if you've
provided for alternative ov protection, then
any automotive alternator regulator will
probably do the job . . . some are quite reasonable.
http://tinyurl.com/y8tsebjz
Here's how it's wired . . .
<a93394f.jpg>
Bob . . .
| |
Virus-free. www.avast.com [url=#DAB4FAD8-2DD7-40BB-A1B8-4E2AA1F9FDF2] [/url]
|
| | - The Matronics AeroElectric-List Email Forum - | | | Use the List Feature Navigator to browse the many List utilities available such as the Email Subscriptions page, Archive Search & Download, 7-Day Browse, Chat, FAQ, Photoshare, and much more:
http://www.matronics.com/Navigator?AeroElectric-List |
|
|
|
| Back to top |
|
 |
user9253
Joined: 28 Mar 2008 Posts: 1969 Location: Riley TWP Michigan
|
Posted: Tue Aug 08, 2017 3:57 pm Post subject: Re: Questions for the alternator mavens |
|
|
Sebastien,
The symptoms that you described sound more like a problem with the charging system, than a bad battery. What is the electrical system voltage with the engine running above idle?
| | - The Matronics AeroElectric-List Email Forum - | | | Use the List Feature Navigator to browse the many List utilities available such as the Email Subscriptions page, Archive Search & Download, 7-Day Browse, Chat, FAQ, Photoshare, and much more:
http://www.matronics.com/Navigator?AeroElectric-List |
|
_________________ Joe Gores |
|
| Back to top |
|
 |
ceengland7(at)gmail.com Guest
|
Posted: Tue Aug 08, 2017 4:19 pm Post subject: Questions for the alternator mavens |
|
|
Adjustable regulators exist, but finding one on the shelf of your local auto parts store is unlikely.
FWIW, age is rarely a factor in the lifespan of electronic products. Most are more likely to die an infant death, than one of old age. Getting past a few dozen hours of operation usually means that the device has no manufacturing defects, and will continue to live for years or even decades. Heat is the primary enemy of most electronics, once past the 'birth defects' stage.
On 8/8/2017 6:31 PM, Sebastien wrote:
| Quote: | I have not checked the alternator yet but have been meaning to change the voltage regulator for some time simply because of age. I will put a good battery in tomorrow (either my battery if still good or a new one) and check the alternator voltage.
My question is does anyone know if these $10 automotive regulators can be set to 14.7 V or are they only ok for regular automotive batteries?
Sebastien
On Aug 8, 2017, at 16:20, Charlie England <ceengland7(at)gmail.com (ceengland7(at)gmail.com)> wrote:
| Quote: | Did you verify that the alternator was actually working at a voltage that would charge the battery? (Should be at least 14V; 14.7V for optimum charging, according to Odyssey.)
On 8/8/2017 5:40 PM, Sebastien wrote:
| Quote: | Excellent timing for this discussion. My 1 year old Odyssey PC545 was at 10V when I went to go flying today. Couldn't find any reason, started fine 2 days ago (I know, I know, that's not a good measure of battery health) Charged it for 30 minutes and then did an external start. Ammeter showed no current going into the battery. Leaving the alternator on and turning the battery off jumped the voltage up half a volt. So I think my battery is done, the local Odyssey dealer is going to confirm tomorrow morning.
Anyway my question is on these automotive voltage regulators, is it possible to adjust the voltage high enough to keep an Odyssey battery happy?
Thank you,
Sebastien
On Aug 8, 2017, at 15:09, Robert L. Nuckolls, III <nuckolls.bob(at)aeroelectric.com (nuckolls.bob(at)aeroelectric.com)> wrote:
| Quote: | | Quote: |
My questions is: Is there any reason I can't use automotive solid state voltage regulators rather than *aviation* ones sold by ACS? The *aviation* regulators are 4-10 times the cost of automotive regulators. |
More specific to your original question, if you've
provided for alternative ov protection, then
any automotive alternator regulator will
probably do the job . . . some are quite reasonable.
http://tinyurl.com/y8tsebjz
Here's how it's wired . . .
<a93394f.jpg>
Bob . . .
| |
Virus-free. www.avast.com [url=#DAB4FAD8-2DD7-40BB-A1B8-4E2AA1F9FDF2] [/url]
| |
| | - The Matronics AeroElectric-List Email Forum - | | | Use the List Feature Navigator to browse the many List utilities available such as the Email Subscriptions page, Archive Search & Download, 7-Day Browse, Chat, FAQ, Photoshare, and much more:
http://www.matronics.com/Navigator?AeroElectric-List |
|
|
|
| Back to top |
|
 |
cluros(at)gmail.com Guest
|
Posted: Tue Aug 08, 2017 4:29 pm Post subject: Questions for the alternator mavens |
|
|
Normally 14V, this time 13V, 13.5 with the battery master off.
Sebastien
| Quote: | On Aug 8, 2017, at 16:57, user9253 <fransew(at)gmail.com> wrote:
Sebastien,
The symptoms that you described sound more like a problem with the charging system, than a bad battery. What is the electrical system voltage with the engine running above idle?
--------
Joe Gores
Read this topic online here:
http://forums.matronics.com/viewtopic.php?p=471642#471642
|
| | - The Matronics AeroElectric-List Email Forum - | | | Use the List Feature Navigator to browse the many List utilities available such as the Email Subscriptions page, Archive Search & Download, 7-Day Browse, Chat, FAQ, Photoshare, and much more:
http://www.matronics.com/Navigator?AeroElectric-List |
|
|
|
| Back to top |
|
 |
user9253
Joined: 28 Mar 2008 Posts: 1969 Location: Riley TWP Michigan
|
Posted: Tue Aug 08, 2017 4:44 pm Post subject: Re: Questions for the alternator mavens |
|
|
That sure sounds like a charging system problem to me. The voltage should be above 14. If belt driven, is the belt tight? Are all electrical connections clean and tight?
| Quote: | | Normally 14V, this time 13V, 13.5 with the battery master off. |
| | - The Matronics AeroElectric-List Email Forum - | | | Use the List Feature Navigator to browse the many List utilities available such as the Email Subscriptions page, Archive Search & Download, 7-Day Browse, Chat, FAQ, Photoshare, and much more:
http://www.matronics.com/Navigator?AeroElectric-List |
|
_________________ Joe Gores |
|
| Back to top |
|
 |
cluros(at)gmail.com Guest
|
Posted: Tue Aug 08, 2017 5:03 pm Post subject: Questions for the alternator mavens |
|
|
Belt was at the upper limits of tight 1 week and 8 flight hours ago. Before flight it felt the same when checked by thumb.
I will check the alternator connections.
Sebastien
| Quote: | On Aug 8, 2017, at 17:44, user9253 <fransew(at)gmail.com> wrote:
That sure sounds like a charging system problem to me. The voltage should be above 14. If belt driven, is the belt tight? Are all electrical connections clean and tight?
> Normally 14V, this time 13V, 13.5 with the battery master off.
--------
Joe Gores
Read this topic online here:
http://forums.matronics.com/viewtopic.php?p=471646#471646
|
| | - The Matronics AeroElectric-List Email Forum - | | | Use the List Feature Navigator to browse the many List utilities available such as the Email Subscriptions page, Archive Search & Download, 7-Day Browse, Chat, FAQ, Photoshare, and much more:
http://www.matronics.com/Navigator?AeroElectric-List |
|
|
|
| Back to top |
|
 |
cluros(at)gmail.com Guest
|
Posted: Tue Aug 08, 2017 6:11 pm Post subject: Questions for the alternator mavens |
|
|
Is there a failure mode for regulator or alternator that would lead to a voltage too low to charge the battery but too high to discharge it? After start I turned on every load I could (not much, pitot heat, fuel pump, avionics, and lights) and the alternator supplied everything fine.
On Tue, Aug 8, 2017 at 6:02 PM, Sebastien <cluros(at)gmail.com (cluros(at)gmail.com)> wrote:
| Quote: | Belt was at the upper limits of tight 1 week and 8 flight hours ago. Before flight it felt the same when checked by thumb.
I will check the alternator connections.
Sebastien
> On Aug 8, 2017, at 17:44, user9253 <fransew(at)gmail.com (fransew(at)gmail.com)> wrote:
>
> --> AeroElectric-List message posted by: "user9253" <fransew(at)gmail.com (fransew(at)gmail.com)>
>
> That sure sounds like a charging system problem to me. The voltage should be above 14. If belt driven, is the belt tight? Are all electrical connections clean and tight?
>
>> Normally 14V, this time 13V, 13.5 with the battery master off.
>
>
> --------
> Joe Gores
>
>
>
>
> Read this topic online here:
>
> http://forums.matronics.com/viewtopic.php?p=471646#471646
>
>
>
>
>
>
======================================
Forum -
?AeroElectric-List" rel="noreferrer" target="_blank">http://www.matronics.com/Navigator?AeroElectric-List
======================================
S WEB FORUMS -
="noreferrer" target="_blank">http://forums.matronics.com
======================================
LIST WIKI -
noreferrer" target="_blank">http://wiki.matronics.com
======================================
on Web Site -
-Matt Dralle, List Admin.
ion" rel="noreferrer" target="_blank">http://www.matronics.com/contribution
======================================
>
>
>
|
| | - The Matronics AeroElectric-List Email Forum - | | | Use the List Feature Navigator to browse the many List utilities available such as the Email Subscriptions page, Archive Search & Download, 7-Day Browse, Chat, FAQ, Photoshare, and much more:
http://www.matronics.com/Navigator?AeroElectric-List |
|
|
|
| Back to top |
|
 |
nuckolls.bob(at)aeroelect Guest
|
Posted: Tue Aug 08, 2017 8:20 pm Post subject: Questions for the alternator mavens |
|
|
At 05:40 PM 8/8/2017, you wrote:
| Quote: | Excellent timing for this discussion. My 1 year old Odyssey PC545 was at 10V when I went to go flying today. Couldn't find any reason, started fine 2 days ago (I know, I know, that's not a good measure of battery health) Charged it for 30 minutes and then did an external start. Ammeter showed no current going into the battery. Leaving the alternator on and turning the battery off jumped the voltage up half a volt. So I think my battery is done, the local Odyssey dealer is going to confirm tomorrow morning.
Anyway my question is on these automotive voltage regulators, is it possible to adjust the voltage high enough to keep an Odyssey battery happy? |
Odyssey batteries are happy at that same
levels as other svla batteries. The
Odyssey manual calls for constant current
charging until 14.7 volts is achieved
whereupon the votlage is held at 14.7
until recharge current falls to 100mA
-OR- 4 hours have elapsed.
Nobody charges with that kind of precision
in a vehicle. Any automotive regulator that
comes on line at 14.3 plus/minus 0.2 volts
is going to be entirely satisfactory for
your airplane. WAAaaayyy back when, the
regulators we put on Cessnas were stock Ford
products with a 14.2 plus/minus 0.2 volt
setpoing.
Your battery only lasted a year? What is
the nominal bus voltage for your airplane?
Bob . . .
| | - The Matronics AeroElectric-List Email Forum - | | | Use the List Feature Navigator to browse the many List utilities available such as the Email Subscriptions page, Archive Search & Download, 7-Day Browse, Chat, FAQ, Photoshare, and much more:
http://www.matronics.com/Navigator?AeroElectric-List |
|
|
|
| Back to top |
|
 |
cluros(at)gmail.com Guest
|
Posted: Tue Aug 08, 2017 9:12 pm Post subject: Questions for the alternator mavens |
|
|
Hello Bob,
I'm ashamed to say I don't know with any precision. My portable GPS typically sees voltages of 13.9-13.7 but that is after a couple busses and fuse holder and connector and such. The analog voltmeter bounces all over the place with the engine running but seems to read very approximately 13.5 to 14 normally. I remember putting a digital voltmeter on the main bus in flight when I first bought the aircraft to check why the analog one was bouncing and it was a steady something that seemed normal but I don't remember what. I should have checked it when I installed the Odyssey battery but it was never done. As you are fond of pointing out, "battery can start engine" is not a battery check so I was planning on taking it in next week during the annual inspection.
Curious that you say the Cessnas were 14.2 +- 0.2. When I was learning to fly I seem to remember the green arc for voltage was 13.8-14.6. Don't know where that number came from or if I am remembering it correctly.
I see the Odyssey literature states:
Alternators that do not have a regulated charge between 14.0V and 14.7V (no lower than 14.0V and no higher than 14.7V) will cause early failure of the Battery
So I guess an automotive one set to 14.3 +- 0.2, while at the low end, still meets this requirement. Perhaps checking the battery voltage at every oil change to make sure it's being charged to 100% might be a good idea?
The local battery shop is going to test the battery in the morning after an overnight charge so I won't know until then if the battery is ok. After reinstalling it or a new one I will get a voltmeter on the battery with the engine running and see what the alternator is delivering. My home airport is a 25 minute flight away from my present location and the weather is good so I'm planning on flying home with or without the charging system working tomorrow.
Sebastien
On Aug 8, 2017, at 21:19, Robert L. Nuckolls, III <nuckolls.bob(at)aeroelectric.com (nuckolls.bob(at)aeroelectric.com)> wrote:
| Quote: | At 05:40 PM 8/8/2017, you wrote:
| Quote: | Excellent timing for this discussion. My 1 year old Odyssey PC545 was at 10V when I went to go flying today. Couldn't find any reason, started fine 2 days ago (I know, I know, that's not a good measure of battery health) Charged it for 30 minutes and then did an external start. Ammeter showed no current going into the battery. Leaving the alternator on and turning the battery off jumped the voltage up half a volt. So I think my battery is done, the local Odyssey dealer is going to confirm tomorrow morning.
Anyway my question is on these automotive voltage regulators, is it possible to adjust the voltage high enough to keep an Odyssey battery happy? |
Odyssey batteries are happy at that same
levels as other svla batteries. The
Odyssey manual calls for constant current
charging until 14.7 volts is achieved
whereupon the votlage is held at 14.7
until recharge current falls to 100mA
-OR- 4 hours have elapsed.
Nobody charges with that kind of precision
in a vehicle. Any automotive regulator that
comes on line at 14.3 plus/minus 0.2 volts
is going to be entirely satisfactory for
your airplane. WAAaaayyy back when, the
regulators we put on Cessnas were stock Ford
products with a 14.2 plus/minus 0.2 volt
setpoing.
Your battery only lasted a year? What is
the nominal bus voltage for your airplane?
Bob . . .
|
| | - The Matronics AeroElectric-List Email Forum - | | | Use the List Feature Navigator to browse the many List utilities available such as the Email Subscriptions page, Archive Search & Download, 7-Day Browse, Chat, FAQ, Photoshare, and much more:
http://www.matronics.com/Navigator?AeroElectric-List |
|
|
|
| Back to top |
|
 |
millner(at)me.com Guest
|
Posted: Tue Aug 08, 2017 9:20 pm Post subject: Questions for the alternator mavens |
|
|
On 8/8/2017 4:20 PM, Charlie England wrote:
| Quote: | on these automotive voltage regulators, is it possible to adjust the
voltage high enough to keep an Odyssey battery happy?
|
You can always accomplish that if you put a voltage divider in front of
the sense terminal of the regulator... say it's an 95%/5% divider... if
the regulator's setpoint is 14 volts, you'll fool it into providing 14.7
volts. If you really want to get fancy, use a linear potentiometer in
series with a fixed resistor to fine tune the voltage. Provide some
means for locking the pot's shaft in place!
Paul
| | - The Matronics AeroElectric-List Email Forum - | | | Use the List Feature Navigator to browse the many List utilities available such as the Email Subscriptions page, Archive Search & Download, 7-Day Browse, Chat, FAQ, Photoshare, and much more:
http://www.matronics.com/Navigator?AeroElectric-List |
|
|
|
| Back to top |
|
 |
ceengland7(at)gmail.com Guest
|
Posted: Wed Aug 09, 2017 3:59 am Post subject: Questions for the alternator mavens |
|
|
Uh, Charlie England did not write that......
On Tue, Aug 8, 2017 at 10:58 PM, Paul Millner <millner(at)me.com (millner(at)me.com)> wrote:
| Quote: | --> AeroElectric-List message posted by: Paul Millner <millner(at)me.com (millner(at)me.com)>
On 8/8/2017 4:20 PM, Charlie England wrote:
| Quote: | on these automotive voltage regulators, is it possible to adjust the voltage high enough to keep an Odyssey battery happy?
|
You can always accomplish that if you put a voltage divider in front of the sense terminal of the regulator... say it's an 95%/5% divider... if the regulator's setpoint is 14 volts, you'll fool it into providing 14.7 volts. If you really want to get fancy, use a linear potentiometer in series with a fixed resistor to fine tune the voltage. Provide some means for locking the pot's shaft in place!
Paul
|
Virus-free. www.avast.com [url=#DAB4FAD8-2DD7-40BB-A1B8-4E2AA1F9FDF2][/url]
| | - The Matronics AeroElectric-List Email Forum - | | | Use the List Feature Navigator to browse the many List utilities available such as the Email Subscriptions page, Archive Search & Download, 7-Day Browse, Chat, FAQ, Photoshare, and much more:
http://www.matronics.com/Navigator?AeroElectric-List |
|
|
|
| Back to top |
|
 |
user9253
Joined: 28 Mar 2008 Posts: 1969 Location: Riley TWP Michigan
|
Posted: Wed Aug 09, 2017 4:24 am Post subject: Re: Questions for the alternator mavens |
|
|
There could be a number of causes of low alternator output, shorted alternator coils, defective regulator, high resistance in the field or stator circuits. Start checking for the most likely problem first: a poor electrical connection. | Quote: | | Is there a failure mode for regulator or alternator that would lead to a voltage too low to charge the battery but too high to discharge it? |
| | - The Matronics AeroElectric-List Email Forum - | | | Use the List Feature Navigator to browse the many List utilities available such as the Email Subscriptions page, Archive Search & Download, 7-Day Browse, Chat, FAQ, Photoshare, and much more:
http://www.matronics.com/Navigator?AeroElectric-List |
|
_________________ Joe Gores |
|
| Back to top |
|
 |
Kellym
Joined: 10 Jan 2006 Posts: 1706 Location: Sun Lakes AZ
|
Posted: Wed Aug 09, 2017 5:38 am Post subject: Questions for the alternator mavens |
|
|
This discussion has me wondering if the Odyssey really needs that high a
set point. I've moved from an old 50 amp generator on previous plane,
well controlled by a Zeftronics regulator at 14.1 volts, charging a
Concorde RG AGM type battery to a life of at least a year longer than
wet acid batteries lasted in same climate, same use. I don't recall
seeing any any set point change in that regulator in the 15 yrs or so I
had that plane. New OBAM plane has Plane Power alternator with Odyssey 925L.
Is the Odyssey not a variant of the AGM technology? Seems like most
battery chargers labeled for AGM use limit voltage to around 14.2-14.5
unless they are made for specific brands of batteries that specify
something else. I don't recall my Odyssey charger going above those
numbers either.
Discussion is particularly relevant to my Aridzona climate, where
ambient temps in hangars often reach the upper temp limit for battery
charging, and some companies suggest 13.8 +/- .1 to keep from
overheating battery. I recall cold climates allow substantially higher
voltages since the batteries stay cool.
On 8/8/2017 10:11 PM, Sebastien wrote:
| Quote: | I see the Odyssey literature states:
Alternators that do not have a regulated charge between 14.0V and 14.7V
(no lower than 14.0V and no higher than 14.7V) will cause early failure
of the Battery
So I guess an automotive one set to 14.3 +- 0.2, while at the low end,
still meets this requirement. Perhaps checking the battery voltage at
every oil change to make sure it's being charged to 100% might be a good
idea?
|
| | - The Matronics AeroElectric-List Email Forum - | | | Use the List Feature Navigator to browse the many List utilities available such as the Email Subscriptions page, Archive Search & Download, 7-Day Browse, Chat, FAQ, Photoshare, and much more:
http://www.matronics.com/Navigator?AeroElectric-List |
|
_________________ Kelly McMullen
A&P/IA, EAA Tech Counselor # 5286
KCHD |
|
| Back to top |
|
 |
nuckolls.bob(at)aeroelect Guest
|
Posted: Wed Aug 09, 2017 8:02 am Post subject: Questions for the alternator mavens |
|
|
At 12:11 AM 8/9/2017, you wrote:
| Quote: | Hello Bob,
I'm ashamed to say I don't know with any precision. My portable GPS typically sees voltages of 13.9-13.7 but that is after a couple busses and fuse holder and connector and such. |
The voltage drops between the bus and the indicating
instrument should be insignificant . . . under 100
mV. Voltage drops in the fat-wire system are considered
to be essentially zero in cruising flight. So if your
voltage AT THE BUS us that low, then indeed, your battery
has been under-serviced.
| Quote: | The analog voltmeter bounces all over the place with the engine running but seems to read very approximately 13.5 to 14 normally. I remember putting a digital voltmeter on the main bus in flight when I first bought the aircraft to check why the analog one was bouncing and it was a steady something that seemed normal but I don't remember what. I should have checked it when I installed the Odyssey battery but it was never done. As you are fond of pointing out, "battery can start engine" is not a battery check so I was planning on taking it in next week during the annual inspection.
Curious that you say the Cessnas were 14.2 +- 0.2. When I was learning to fly I seem to remember the green arc for voltage was 13.8-14.6. Don't know where that number came from or if I am remembering it correctly. |
Yeah . . . you're correct. Unfortunately, the
green arc only spoke to "alternator is functioning"
and not to "voltage regulator is tending to the
battery". Further, depending on the age of the
airplane, some of the gages for system instrumentation
were Rochester automotive with no better accuracy
than those in my first car . . . 1941 Pontiac coupe.
| Quote: | I see the Odyssey literature states:
Alternators that do not have a regulated charge between 14.0V and 14.7V (no lower than 14.0V and no higher than 14.7V) will cause early failure of the Battery |
Yup, but 'early failure' is non-quantitative. Published
performance numbers are gathered in a lab under cntrolled,
repeated experimental conditions. I.e. the devices under
test cannot be tested under conditions that duplicate
the vagaries of field operations in any vehicle.
Premature failure can be interpreted as about anything
between belly-up-in-a-month out to exercising-a-24-month-
warranty claim.
| Quote: | | So I guess an automotive one set to 14.3 +- 0.2, while at the low end, still meets this requirement. Perhaps checking the battery voltage at every oil change to make sure it's being charged to 100% might be a good idea? |
Sure doesn't hurt . . . but it's doubtful that
your v.r. is going to demonstrate observable
'drift' . . .
| Quote: | | The local battery shop is going to test the battery in the morning after an overnight charge so I won't know until then if the battery is ok. |
How do your charge your batteries on the bench?
| Quote: | | After reinstalling it or a new one I will get a voltmeter on the battery with the engine running and see what the alternator is delivering. My home airport is a 25 minute flight away from my present location and the weather is good so I'm planning on flying home with or without the charging system working tomorrow. |
I've got a couple of these things on order for
evaulation.
http://tinyurl.com/y7ogz8sq
There are low cost devices with more resolution
available but they mount in rectangular (ugh)
holes. These critters seem a good candidate
for replacement of a round steam gage in a
2-1/4" hole with simple filler plate.
Voltmeters need to READ THE BUS which
means tied onto the fat-wire system at
some handy spot. The fuse block is good.
Bob . . .
| | - The Matronics AeroElectric-List Email Forum - | | | Use the List Feature Navigator to browse the many List utilities available such as the Email Subscriptions page, Archive Search & Download, 7-Day Browse, Chat, FAQ, Photoshare, and much more:
http://www.matronics.com/Navigator?AeroElectric-List |
|
|
|
| Back to top |
|
 |
|
|
You cannot post new topics in this forum You cannot reply to topics in this forum You cannot edit your posts in this forum You cannot delete your posts in this forum You cannot vote in polls in this forum You cannot attach files in this forum You can download files in this forum
|
Powered by phpBB © 2001, 2005 phpBB Group
|