 |
Matronics Email Lists Web Forum Interface to the Matronics Email Lists
|
| View previous topic :: View next topic |
| Author |
Message |
berkut13(at)berkut13.com Guest
|
Posted: Fri Apr 24, 2015 12:44 pm Post subject: Active VOR antenna |
|
|
Bob,
Have you been able to assess the active VOR antenna? We’re about 30 days from first flight and really need a retrofit VOR antenna solution for this bird as we discussed.
Thanks,
James
From: Robert L. Nuckolls, III (nuckolls.bob(at)aeroelectric.com)
Sent: Wednesday, December 03, 2014 11:14 AM
To: aeroelectric-list(at)matronics.com (aeroelectric-list(at)matronics.com)
Subject: Toroid beads VOR antenna vs. Active VOR antenna
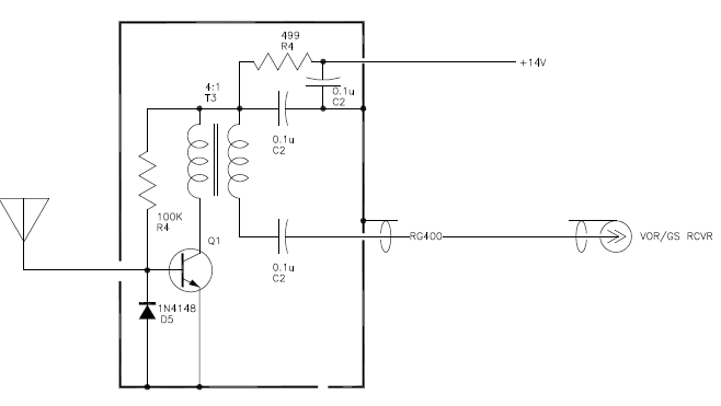
[img]cid:22E5D2A251FF411890F9053FEEDC3653(at)DEFIANT2600[/img]
I may mount one of this things on my roof and
see how it compares with monitor antennas I
have for listening to local city, police and
fire services.
I have one HF active antenna up there already.
http://tinyurl.com/ou2ezdy
The 'antenna' part of this critter is only a
few inches long. I don't have any other HF
optimized antennas up yet to compare it to . . .
but this 'lump' on the end of a piece of coax
hears 'lots of stuff'. Given that the 'stuff'
of which VOR is made (high power, line of sight)
it seems that our little experiment has a high
probability of success for replacing the legacy
dipoles and whiskers so favored by our TC
brothers.
Bob . . .
| | - The Matronics AeroElectric-List Email Forum - | | | Use the List Feature Navigator to browse the many List utilities available such as the Email Subscriptions page, Archive Search & Download, 7-Day Browse, Chat, FAQ, Photoshare, and much more:
http://www.matronics.com/Navigator?AeroElectric-List |
|
| Description: |
|
| Filesize: |
36.84 KB |
| Viewed: |
8905 Time(s) |

|
|
|
| Back to top |
|
 |
nuckolls.bob(at)aeroelect Guest
|
Posted: Fri Apr 24, 2015 12:57 pm Post subject: Active VOR antenna |
|
|
At 15:43 2015-04-24, you wrote:
| Quote: | Bob,
Have you been able to assess the active VOR
antenna? We’re about 30 days from first
flight and really need a retrofit VOR antenna
solution for this bird as we discussed.
Thanks,
James
|
It's in the que. I've got some boards to order
for another project next week, this board can
piggyback onto the 'scrap end' . . . thanks
for rattling my cage. All the parts are on hand.
Bob . . .
| | - The Matronics AeroElectric-List Email Forum - | | | Use the List Feature Navigator to browse the many List utilities available such as the Email Subscriptions page, Archive Search & Download, 7-Day Browse, Chat, FAQ, Photoshare, and much more:
http://www.matronics.com/Navigator?AeroElectric-List |
|
|
|
| Back to top |
|
 |
ronmarks(at)gmail.com Guest
|
Posted: Sat Apr 25, 2015 12:07 am Post subject: Active VOR antenna |
|
|
Bob,
Hope springs eternal....  A wideband RF amp such as this on a tiny antenna, while it may be OK, even great for a rooftop monitor, is not going to be a satisfactory substitute for a tuned VHF nav antenna in an aircraft. Overloading, crosstalk and s/n ratio are some of its inherent deficits. It may seem to be good enough testing in the boonies, but ..
Try it. Play with it. But don't proceed in a way that you can't re-do easily.
Ron
On Fri, Apr 24, 2015 at 1:55 PM, Robert L. Nuckolls, III <nuckolls.bob(at)aeroelectric.com (nuckolls.bob(at)aeroelectric.com)> wrote:
[quote]--> AeroElectric-List message posted by: "Robert L. Nuckolls, III" <nuckolls.bob(at)aeroelectric.com (nuckolls.bob(at)aeroelectric.com)>
At 15:43 2015-04-24, you wrote:
| Quote: | Bob,
Have you been able to assess the active VOR antenna?  We’re about 30 days from first flight and really need a retrofit VOR antenna solution for this bird as we discussed.
Thanks,
James
|
 It's in the que. I've got some boards to order
 for another project next week, this board can
 piggyback onto the 'scrap end' . . . thanks
 for rattling my cage. All the parts are on hand.
 Bob . . .
===========
-
Electric-List" target="_blank">http://www.matronics.com/Navigator?AeroElectric-List
===========
FORUMS -
_blank">http://forums.matronics.com
===========
b Site -
     -Matt Dralle, List Admin.
target="_blank">http://www.matronics.com/contribution
===========
[b]
| | - The Matronics AeroElectric-List Email Forum - | | | Use the List Feature Navigator to browse the many List utilities available such as the Email Subscriptions page, Archive Search & Download, 7-Day Browse, Chat, FAQ, Photoshare, and much more:
http://www.matronics.com/Navigator?AeroElectric-List |
|
|
|
| Back to top |
|
 |
nuckolls.bob(at)aeroelect Guest
|
Posted: Sat Apr 25, 2015 4:38 am Post subject: Active VOR antenna |
|
|
At 03:06 2015-04-25, you wrote:
| Quote: | Bob,
Hope springs eternal....  A wideband RF amp such as this on a tiny antenna, while it may be OK, even great for a rooftop monitor, is not going to be a satisfactory substitute for a tuned VHF nav antenna in an aircraft. Overloading, crosstalk and s/n ratio are some of its inherent deficits. It may seem to be good enough testing in the boonies, but ..
Try it. Play with it. But don't proceed in a way that you can't re-do easily.
Ron |
There's no 'hope' about it . . . performance of such
devices are well known . . . as are their shortcomings.
Nobody is talking about a free lunch here. The goal
is to explore an option for getting a VOR antenna
into a uniquely unfriendly space . . . into a tube
buried in a leading edge.
There are no promises or expectations for equivalency
-OR- resistance to the effects of inter modulation
distortion. The expectation is that it will offer
serviceable VOR performance under SOME conditions
with reservations.
It's a certainty that shortcomings will have to
be evaluated by the user. I've not fired up a
VOR receiver in the last 200-300 hours in the
log. The active antenna is a minimum effort,
low cost way to squeeze a bit more utility out
of a dying technology for this user in one airplane.
No warranty implied - it's a "caveat emptor" of the
first order.
Bob . . . [quote][b]
| | - The Matronics AeroElectric-List Email Forum - | | | Use the List Feature Navigator to browse the many List utilities available such as the Email Subscriptions page, Archive Search & Download, 7-Day Browse, Chat, FAQ, Photoshare, and much more:
http://www.matronics.com/Navigator?AeroElectric-List |
|
|
|
| Back to top |
|
 |
berkut13(at)berkut13.com Guest
|
Posted: Sat Apr 25, 2015 9:57 am Post subject: Active VOR antenna |
|
|
Kewl beans, Bob! Thanks again for the help.
-James
--
| | - The Matronics AeroElectric-List Email Forum - | | | Use the List Feature Navigator to browse the many List utilities available such as the Email Subscriptions page, Archive Search & Download, 7-Day Browse, Chat, FAQ, Photoshare, and much more:
http://www.matronics.com/Navigator?AeroElectric-List |
|
|
|
| Back to top |
|
 |
nuckolls.bob(at)aeroelect Guest
|
Posted: Thu May 07, 2015 3:38 pm Post subject: Active VOR antenna |
|
|
At 15:43 2015-04-24, you wrote:
| Quote: | Bob,
Have you been able to assess the active VOR
antenna? We’re about 30 days from first
flight and really need a retrofit VOR antenna
solution for this bird as we discussed.
|
What is the length of cable from the
end of the antenna to your receiver?
Bob . . .
| | - The Matronics AeroElectric-List Email Forum - | | | Use the List Feature Navigator to browse the many List utilities available such as the Email Subscriptions page, Archive Search & Download, 7-Day Browse, Chat, FAQ, Photoshare, and much more:
http://www.matronics.com/Navigator?AeroElectric-List |
|
|
|
| Back to top |
|
 |
berkut13(at)berkut13.com Guest
|
Posted: Fri May 08, 2015 10:05 am Post subject: Active VOR antenna |
|
|
About a 24-30" run between antenna location and Garmin GTN-650 radio.
I would plan a short pigtail ~4" off the end of the antenna with a female
BNC connector. Similar with the power wire. To allow the canard to be
removed for maintenance and inspection, connectors local to the antenna
installation area are required.
Thanks,
-James
--
| | - The Matronics AeroElectric-List Email Forum - | | | Use the List Feature Navigator to browse the many List utilities available such as the Email Subscriptions page, Archive Search & Download, 7-Day Browse, Chat, FAQ, Photoshare, and much more:
http://www.matronics.com/Navigator?AeroElectric-List |
|
|
|
| Back to top |
|
 |
nuckolls.bob(at)aeroelect Guest
|
Posted: Fri May 08, 2015 1:08 pm Post subject: Active VOR antenna |
|
|
At 15:43 2015-04-24, you wrote:
| Quote: | Bob,
Have you been able to assess the active VOR
antenna? We’re about 30 days from first
flight and really need a retrofit VOR antenna
solution for this bird as we discussed.
Thanks,
James
|
What is the coax cable length from cable end of antenna
to your receiver. Is the receiver connector BNC?
Bob . . .
| | - The Matronics AeroElectric-List Email Forum - | | | Use the List Feature Navigator to browse the many List utilities available such as the Email Subscriptions page, Archive Search & Download, 7-Day Browse, Chat, FAQ, Photoshare, and much more:
http://www.matronics.com/Navigator?AeroElectric-List |
|
|
|
| Back to top |
|
 |
nuckolls.bob(at)aeroelect Guest
|
Posted: Fri May 08, 2015 1:10 pm Post subject: Active VOR antenna |
|
|
At 13:03 2015-05-08, you wrote:
| Quote: |
About a 24-30" run between antenna location and Garmin GTN-650 radio.
I would plan a short pigtail ~4" off the end of the antenna with a
female BNC connector. Similar with the power wire. To allow the
canard to be removed for maintenance and inspection, connectors
local to the antenna installation area are required.
Thanks,
-James
|
Oops . . . missed this. Will do.
Bob . . .
| | - The Matronics AeroElectric-List Email Forum - | | | Use the List Feature Navigator to browse the many List utilities available such as the Email Subscriptions page, Archive Search & Download, 7-Day Browse, Chat, FAQ, Photoshare, and much more:
http://www.matronics.com/Navigator?AeroElectric-List |
|
|
|
| Back to top |
|
 |
highwire
Joined: 29 Apr 2015 Posts: 2
|
Posted: Sat May 09, 2015 10:36 am Post subject: Re: Active VOR antenna |
|
|
| berkut13(at)berkut13.com wrote: | About a 24-30" run between antenna location and Garmin GTN-650 radio.
I would plan a short pigtail ~4" off the end of the antenna with a female
BNC connector. Similar with the power wire. To allow the canard to be
removed for maintenance and inspection, connectors local to the antenna
installation area are required.
Thanks,
-James
Hi James,
What are the physical sizes of the area that you have to install an antenna? I am guessing from what has been posted, that it is a tubular space in each canard accessible from the root. Is the canard glass and the nose of carbon? What is the spread between the canard roots?
I started simulating, modelling and lab testing antennas a few years age for my own plane and my own entertainment. Your application looks like it may be a challenge for a conventional solution, but who knows.
Ron
-- |
| | - The Matronics AeroElectric-List Email Forum - | | | Use the List Feature Navigator to browse the many List utilities available such as the Email Subscriptions page, Archive Search & Download, 7-Day Browse, Chat, FAQ, Photoshare, and much more:
http://www.matronics.com/Navigator?AeroElectric-List |
|
|
|
| Back to top |
|
 |
berkut13(at)berkut13.com Guest
|
Posted: Sat May 09, 2015 11:12 am Post subject: Active VOR antenna |
|
|
A challenge, for sure.
The concept here is to retrofit an active (amplified), end fed, single
element antenna into the LE D-section of an existing canard on one side.
The canard is glass skinned and will be invisible to the antenna. However,
the center spar caps are carbon and the typical retrofit of adding a foil
"V" style antenna to the exterior of the bottom skin is not ideal. A
"dipole on a stick" was the original idea, but there is no space to get the
coax away from the elements.
The canard is solid foam core, in which a conduit was drilled out in the LE
running from the center to one tip. This will be where the antenna will be
inserted. There is a small "access box" (if you can call it that) cut in
the foam at the center of the canard where the antenna can be accessed,
however once installed and the skin in patched, it will require cutting the
fiberglass repair patch off each time. Sounds worse than it really is and
is actually less work than installing the external foil elements and trying
to re-contour the already critical profile of a small airfoil.
Fingers crossed this works!
-James
--
| | - The Matronics AeroElectric-List Email Forum - | | | Use the List Feature Navigator to browse the many List utilities available such as the Email Subscriptions page, Archive Search & Download, 7-Day Browse, Chat, FAQ, Photoshare, and much more:
http://www.matronics.com/Navigator?AeroElectric-List |
|
|
|
| Back to top |
|
 |
|
|
You cannot post new topics in this forum You cannot reply to topics in this forum You cannot edit your posts in this forum You cannot delete your posts in this forum You cannot vote in polls in this forum You cannot attach files in this forum You can download files in this forum
|
Powered by phpBB © 2001, 2005 phpBB Group
|