 |
Matronics Email Lists Web Forum Interface to the Matronics Email Lists
|
| View previous topic :: View next topic |
| Author |
Message |
Ernie
Joined: 11 Jan 2006 Posts: 513
|
Posted: Tue Jul 15, 2014 10:10 am Post subject: Air Digram |
|
|
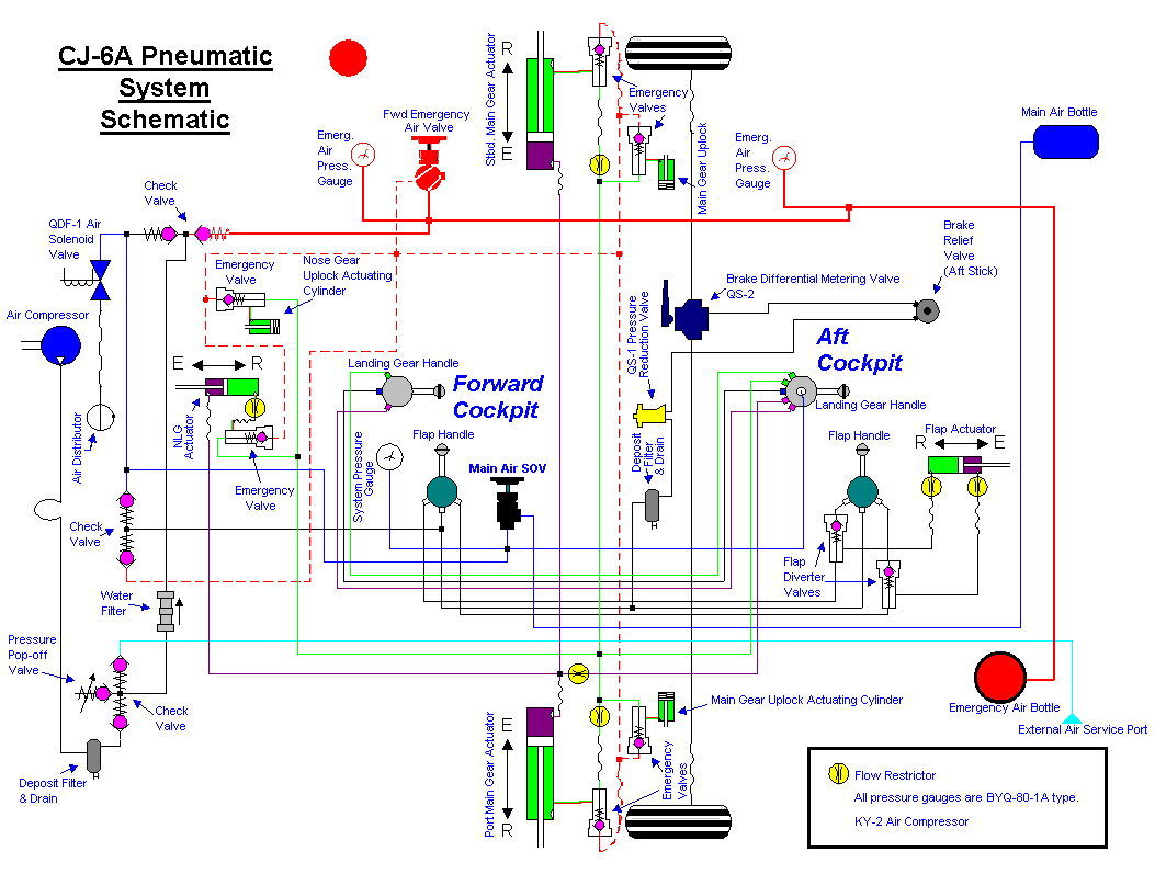
Does anyone have a really good Air Schematic for a CJ that they could forward to me. The one I have is tiny and hard to read. I remember years back someone created a really nice color one, I've searched the archives and see it mentioned but can't find a link to the actual diagram.
Thanks
Ernie
[quote][b]
| | - The Matronics Yak-List Email Forum - | | | Use the List Feature Navigator to browse the many List utilities available such as the Email Subscriptions page, Archive Search & Download, 7-Day Browse, Chat, FAQ, Photoshare, and much more:
http://www.matronics.com/Navigator?Yak-List |
|
|
|
| Back to top |
|
 |
colin mcgeachy
Joined: 25 Sep 2013 Posts: 10 Location: Ottawa, Ontario
|
Posted: Tue Jul 15, 2014 10:20 am Post subject: Air Digram |
|
|
Here you go.
On 15 July 2014 14:10, Ernest Martinez <erniel29(at)gmail.com (erniel29(at)gmail.com)> wrote:
| Quote: | Does anyone have a really good Air Schematic for a CJ that they could forward to me. The one I have is tiny and hard to read. I remember years back someone created a really nice color one, I've searched the archives and see it mentioned but can't find a link to the actual diagram.
Thanks
Ernie
| Quote: |
et="_blank">http://www.matronics.com/Navigator?Yak-List
tp://forums.matronics.com
_blank">http://www.matronics.com/contribution
|
|
| | - The Matronics Yak-List Email Forum - | | | Use the List Feature Navigator to browse the many List utilities available such as the Email Subscriptions page, Archive Search & Download, 7-Day Browse, Chat, FAQ, Photoshare, and much more:
http://www.matronics.com/Navigator?Yak-List |
|
| Description: |
|
 Download |
| Filename: |
CJ_Pneumatic_System_Schematic_Diagram.pdf |
| Filesize: |
29.66 KB |
| Downloaded: |
364 Time(s) |
_________________ Colin (C-FTGZ) |
|
| Back to top |
|
 |
rmhou(at)yahoo.com Guest
|
Posted: Tue Jul 15, 2014 10:28 am Post subject: Air Digram |
|
|
See attached. Not sure if it will come through. If not, please email me.
Robin
On Tuesday, July 15, 2014 11:21 AM, Ernest Martinez <erniel29(at)gmail.com> wrote:
Does anyone have a really good Air Schematic for a CJ that they could forward to me. The one I have is tiny and hard to read. I remember years back someone created a really nice color one, I've searched the archives and see it mentioned but can't find a link to the actual diagram.
Thanks
Ernie
| | - The Matronics Yak-List Email Forum - | | | Use the List Feature Navigator to browse the many List utilities available such as the Email Subscriptions page, Archive Search & Download, 7-Day Browse, Chat, FAQ, Photoshare, and much more:
http://www.matronics.com/Navigator?Yak-List |
|
| Description: |
|
| Filesize: |
411.07 KB |
| Viewed: |
4330 Time(s) |
![4_way_crossover_valve_cj_pneumatic_system_schematic_diagram_835[1].bmp](files/4_way_crossover_valve_cj_pneumatic_system_schematic_diagram_835_1__866.bmp)
|
| Description: |
|
 Download |
| Filename: |
cj_pneumatic_system_sche...pdf |
| Filesize: |
60.86 KB |
| Downloaded: |
366 Time(s) |
|
|
| Back to top |
|
 |
Ernie
Joined: 11 Jan 2006 Posts: 513
|
Posted: Tue Jul 15, 2014 10:53 am Post subject: Air Digram |
|
|
Very nice thanks!
Ernie
On Tue, Jul 15, 2014 at 2:18 PM, Colin McGeachy <colinmcgeachy(at)gmail.com (colinmcgeachy(at)gmail.com)> wrote:
[quote]Here you go.
On 15 July 2014 14:10, Ernest Martinez <erniel29(at)gmail.com (erniel29(at)gmail.com)> wrote:
| Quote: | Does anyone have a really good Air Schematic for a CJ that they could forward to me. The one I have is tiny and hard to read. I remember years back someone created a really nice color one, I've searched the archives and see it mentioned but can't find a link to the actual diagram.
Thanks
Ernie
|
[b]
| | - The Matronics Yak-List Email Forum - | | | Use the List Feature Navigator to browse the many List utilities available such as the Email Subscriptions page, Archive Search & Download, 7-Day Browse, Chat, FAQ, Photoshare, and much more:
http://www.matronics.com/Navigator?Yak-List |
|
|
|
| Back to top |
|
 |
Ernie
Joined: 11 Jan 2006 Posts: 513
|
Posted: Tue Jul 15, 2014 11:32 am Post subject: Air Digram |
|
|
Now I just need something on the diagram interpreted.Â
I assumed that the flap circuit was similar to the gear circuit, but according this this diagram that Collin sent me the flap valves both have their air provided at the center port. The only difference is the diverter valves on the aft cockpit flap valve (according to the drawing, the diverters I'm assuming are near the actuator).
Am I to interpret this as: Air from the aft flap valve has precedence over air from the forward flap valve at the diverter valves?
Ernie
On Tue, Jul 15, 2014 at 2:53 PM, Ernest Martinez <erniel29(at)gmail.com (erniel29(at)gmail.com)> wrote:
[quote] Very nice thanks!
Ernie
On Tue, Jul 15, 2014 at 2:18 PM, Colin McGeachy <colinmcgeachy(at)gmail.com (colinmcgeachy(at)gmail.com)> wrote:
| Quote: | Here you go.
On 15 July 2014 14:10, Ernest Martinez <erniel29(at)gmail.com (erniel29(at)gmail.com)> wrote:
| Quote: | Does anyone have a really good Air Schematic for a CJ that they could forward to me. The one I have is tiny and hard to read. I remember years back someone created a really nice color one, I've searched the archives and see it mentioned but can't find a link to the actual diagram.
Thanks
Ernie
|
|
[b]
| | - The Matronics Yak-List Email Forum - | | | Use the List Feature Navigator to browse the many List utilities available such as the Email Subscriptions page, Archive Search & Download, 7-Day Browse, Chat, FAQ, Photoshare, and much more:
http://www.matronics.com/Navigator?Yak-List |
|
|
|
| Back to top |
|
 |
N13472(at)aol.com Guest
|
Posted: Tue Jul 15, 2014 12:52 pm Post subject: Air Digram |
|
|
You are correct.
Tom Elliott
CJ-6A NX63727
777 Quartz Ave
PMB 7004
Sandy Valley NV
89019
Cell 541-297-5497
N13472(at)AOL.COM
From: owner-yak-list-server(at)matronics.com [mailto:owner-yak-list-server(at)matronics.com] On Behalf Of Ernest Martinez
Sent: Tuesday, July 15, 2014 12:32 PM
To: yak-list
Subject: Re: Air Digram
Now I just need something on the diagram interpreted.
I assumed that the flap circuit was similar to the gear circuit, but according this this diagram that Collin sent me the flap valves both have their air provided at the center port. The only difference is the diverter valves on the aft cockpit flap valve (according to the drawing, the diverters I'm assuming are near the actuator).
Am I to interpret this as: Air from the aft flap valve has precedence over air from the forward flap valve at the diverter valves?
Ernie
On Tue, Jul 15, 2014 at 2:53 PM, Ernest Martinez <erniel29(at)gmail.com (erniel29(at)gmail.com)> wrote:
Very nice thanks!
Ernie
On Tue, Jul 15, 2014 at 2:18 PM, Colin McGeachy <colinmcgeachy(at)gmail.com (colinmcgeachy(at)gmail.com)> wrote:
Here you go.
On 15 July 2014 14:10, Ernest Martinez <erniel29(at)gmail.com (erniel29(at)gmail.com)> wrote:
| Quote: |
Does anyone have a really good Air Schematic for a CJ that they could forward to me. The one I have is tiny and hard to read. I remember years back someone created a really nice color one, I've searched the archives and see it mentioned but can't find a link to the actual diagram.
Thanks
Ernie
|
01234567890123
No virus found in this message.
Checked by AVG - www.avg.com
Version: 2014.0.4716 / 07/15/14
[quote][b]
| | - The Matronics Yak-List Email Forum - | | | Use the List Feature Navigator to browse the many List utilities available such as the Email Subscriptions page, Archive Search & Download, 7-Day Browse, Chat, FAQ, Photoshare, and much more:
http://www.matronics.com/Navigator?Yak-List |
|
|
|
| Back to top |
|
 |
|
|
You cannot post new topics in this forum You cannot reply to topics in this forum You cannot edit your posts in this forum You cannot delete your posts in this forum You cannot vote in polls in this forum You cannot attach files in this forum You can download files in this forum
|
Powered by phpBB © 2001, 2005 phpBB Group
|