 |
Matronics Email Lists Web Forum Interface to the Matronics Email Lists
|
| View previous topic :: View next topic |
| Author |
Message |
flysrv10(at)gmail.com Guest
|
Posted: Sun Dec 08, 2013 4:12 am Post subject: EZ Heat engine block heater |
|
|
couple of pictures of my installation just in case someone is planning the same.
The installation instructions are conceptual and not directly related to IO540. Basically, place the pads where you they fit.
The throttle body and the cable bracket had to come out to accommodate the installation. Of course easiest installation during the building process.
Have not fired it up yet, 24 hrs needed to cure. Costs $185 including shipping from AS.
Do not archive.
| | - The Matronics RV10-List Email Forum - | | | Use the List Feature Navigator to browse the many List utilities available such as the Email Subscriptions page, Archive Search & Download, 7-Day Browse, Chat, FAQ, Photoshare, and much more:
http://www.matronics.com/Navigator?RV10-List |
|
| Description: |
|
| Filesize: |
31.04 KB |
| Viewed: |
4908 Time(s) |

|
| Description: |
|
| Filesize: |
31.76 KB |
| Viewed: |
4908 Time(s) |

|
| Description: |
|
| Filesize: |
27.65 KB |
| Viewed: |
4908 Time(s) |

|
|
|
| Back to top |
|
 |
Tim Olson
Joined: 25 Jan 2007 Posts: 2882
|
Posted: Mon Dec 09, 2013 8:22 am Post subject: EZ Heat engine block heater |
|
|
I'm not sure if this is compatible or not, but, my Reiff preheater works
very well and it
uses a similar sump pad (although it's more of a metal pad?)
But, it adds the addition of cylinder base band-type heaters (like a
long skinny
hose clamp) to the engine. I find those actually work very very well.
I'm not sure if you could potentially add their cylinder band heaters to
your
sump heater, but if you live in a very cold area, it may be worth it.
I find that with my Reiff, I can go fly when it's 10 degrees out and my
cylinders
will still be near 90F. I can't remember for sure, but it seems that even
on the coldest days they're still in the 70's or 80's minimum, and you get
a more even full-engine heat that way. You wouldn't want sludgy oil
in the more external passages.
The only part I don't have is their oil filter heater. I have been
contemplating
adding that one too. For sure, if I were flying today here in Wisconsin I
would prefer it....but I haven't splurged yet.
Tim
On 12/8/2013 6:11 AM, Rob Kermanj wrote:
| Quote: | couple of pictures of my installation just in case someone is planning the same.
The installation instructions are conceptual and not directly related to IO540. Basically, place the pads where you they fit.
The throttle body and the cable bracket had to come out to accommodate the installation. Of course easiest installation during the building process.
Have not fired it up yet, 24 hrs needed to cure. Costs $185 including shipping from AS.
Do not archive.
|
| | - The Matronics RV10-List Email Forum - | | | Use the List Feature Navigator to browse the many List utilities available such as the Email Subscriptions page, Archive Search & Download, 7-Day Browse, Chat, FAQ, Photoshare, and much more:
http://www.matronics.com/Navigator?RV10-List |
|
|
|
| Back to top |
|
 |
flysrv10(at)gmail.com Guest
|
Posted: Mon Dec 09, 2013 10:26 am Post subject: EZ Heat engine block heater |
|
|
I will be testing mine during Xmas at temps about 20. My operation areas do not have the Wisconsin sub zero temps. That's the reason I settled for the pads.
They heat up to 300 but keep the oil temps at 165 with a thermostat.
Will give a report next year. Thanks for the comparison.
Rob Kermanj
Sent from my iPhone
| Quote: | On Dec 9, 2013, at 11:21 AM, Tim Olson <Tim(at)MyRV10.com> wrote:
I'm not sure if this is compatible or not, but, my Reiff preheater works very well and it
uses a similar sump pad (although it's more of a metal pad?)
But, it adds the addition of cylinder base band-type heaters (like a long skinny
hose clamp) to the engine. I find those actually work very very well.
I'm not sure if you could potentially add their cylinder band heaters to your
sump heater, but if you live in a very cold area, it may be worth it.
I find that with my Reiff, I can go fly when it's 10 degrees out and my cylinders
will still be near 90F. I can't remember for sure, but it seems that even
on the coldest days they're still in the 70's or 80's minimum, and you get
a more even full-engine heat that way. You wouldn't want sludgy oil
in the more external passages.
The only part I don't have is their oil filter heater. I have been contemplating
adding that one too. For sure, if I were flying today here in Wisconsin I
would prefer it....but I haven't splurged yet.
Tim
> On 12/8/2013 6:11 AM, Rob Kermanj wrote:
> couple of pictures of my installation just in case someone is planning the same.
>
> The installation instructions are conceptual and not directly related to IO540. Basically, place the pads where you they fit.
>
> The throttle body and the cable bracket had to come out to accommodate the installation. Of course easiest installation during the building process.
>
> Have not fired it up yet, 24 hrs needed to cure. Costs $185 including shipping from AS.
>
> Do not archive.
>
|
| | - The Matronics RV10-List Email Forum - | | | Use the List Feature Navigator to browse the many List utilities available such as the Email Subscriptions page, Archive Search & Download, 7-Day Browse, Chat, FAQ, Photoshare, and much more:
http://www.matronics.com/Navigator?RV10-List |
|
|
|
| Back to top |
|
 |
rleffler

Joined: 05 Nov 2006 Posts: 680
|
Posted: Mon Dec 09, 2013 10:59 am Post subject: EZ Heat engine block heater |
|
|
I have the same Reiff heaters that Tim mentioned. I'm getting similar results. It was in the twenties this weekend and the temps were in the nineties at start. I turned on the heat with my cell about four hours before the flight. A much nicer arrangement that I had with my Cherokee using propane heaters.
| | - The Matronics RV10-List Email Forum - | | | Use the List Feature Navigator to browse the many List utilities available such as the Email Subscriptions page, Archive Search & Download, 7-Day Browse, Chat, FAQ, Photoshare, and much more:
http://www.matronics.com/Navigator?RV10-List |
|
_________________ Bob Leffler
N410BL - Phase I
http://mykitlog.com/rleffler |
|
| Back to top |
|
 |
schmoboy
Joined: 26 Feb 2006 Posts: 130
|
Posted: Mon Dec 09, 2013 12:11 pm Post subject: EZ Heat engine block heater |
|
|
Tell me more about this turning on via cell phone thingy.
-Sean #40303
On 12/9/13, 12:59 PM, Bob Leffler wrote:
| Quote: |
I have the same Reiff heaters that Tim mentioned. I'm getting similar results. It was in the twenties this weekend and the temps were in the nineties at start. I turned on the heat with my cell about four hours before the flight. A much nicer arrangement that I had with my Cherokee using propane heaters.
|
| | - The Matronics RV10-List Email Forum - | | | Use the List Feature Navigator to browse the many List utilities available such as the Email Subscriptions page, Archive Search & Download, 7-Day Browse, Chat, FAQ, Photoshare, and much more:
http://www.matronics.com/Navigator?RV10-List |
|
|
|
| Back to top |
|
 |
rleffler

Joined: 05 Nov 2006 Posts: 680
|
Posted: Mon Dec 09, 2013 12:36 pm Post subject: EZ Heat engine block heater |
|
|
Switchboxcontrol.com
It's got a built in T-Mobile cell phone that can receive and send SMS messages. It's a prepaid device and the minimum you can load is $10. $10 over three months gives you more texts than I'll ever need. You can let it go dormant over the summer.
Works pretty well. I'm sure that you seen Phillips threads on VAF. He also supplies a simple iOS and/or android app for those that don't want to learn the SMS syntax
Sent from my iPhone
On Dec 9, 2013, at 3:11 PM, Sean Stephens <sean(at)stephensville.com> wrote:
Tell me more about this turning on via cell phone thingy.
-Sean #40303
| Quote: | On 12/9/13, 12:59 PM, Bob Leffler wrote:
I have the same Reiff heaters that Tim mentioned. I'm getting similar results. It was in the twenties this weekend and the temps were in the nineties at start. I turned on the heat with my cell about four hours before the flight. A much nicer arrangement that I had with my Cherokee using propane heaters.
|
| | - The Matronics RV10-List Email Forum - | | | Use the List Feature Navigator to browse the many List utilities available such as the Email Subscriptions page, Archive Search & Download, 7-Day Browse, Chat, FAQ, Photoshare, and much more:
http://www.matronics.com/Navigator?RV10-List |
|
_________________ Bob Leffler
N410BL - Phase I
http://mykitlog.com/rleffler |
|
| Back to top |
|
 |
schmoboy
Joined: 26 Feb 2006 Posts: 130
|
Posted: Mon Dec 09, 2013 1:03 pm Post subject: EZ Heat engine block heater |
|
|
That's awesome. Now I need to figure out how to hook it up to my hangar
heater thermostat to get the hangar from 46 to 64 degrees before I
arrive.
On 12/9/13, 2:35 PM, Bob Leffler wrote:
| Quote: |
Switchboxcontrol.com
It's got a built in T-Mobile cell phone that can receive and send SMS messages. It's a prepaid device and the minimum you can load is $10. $10 over three months gives you more texts than I'll ever need. You can let it go dormant over the summer.
Works pretty well. I'm sure that you seen Phillips threads on VAF. He also supplies a simple iOS and/or android app for those that don't want to learn the SMS syntax
Sent from my iPhone
On Dec 9, 2013, at 3:11 PM, Sean Stephens <sean(at)stephensville.com> wrote:
Tell me more about this turning on via cell phone thingy.
-Sean #40303
> On 12/9/13, 12:59 PM, Bob Leffler wrote:
>
>
> I have the same Reiff heaters that Tim mentioned. I'm getting similar results. It was in the twenties this weekend and the temps were in the nineties at start. I turned on the heat with my cell about four hours before the flight. A much nicer arrangement that I had with my Cherokee using propane heaters.
|
| | - The Matronics RV10-List Email Forum - | | | Use the List Feature Navigator to browse the many List utilities available such as the Email Subscriptions page, Archive Search & Download, 7-Day Browse, Chat, FAQ, Photoshare, and much more:
http://www.matronics.com/Navigator?RV10-List |
|
|
|
| Back to top |
|
 |
saolesen(at)sirentel.net Guest
|
Posted: Mon Dec 09, 2013 8:03 pm Post subject: EZ Heat engine block heater |
|
|
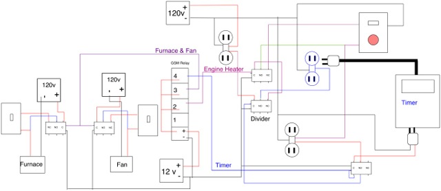
Here is a schematic for those of you in cold areas who would like to preheat your engine or hangar by SMS texts. It uses a Waferstar SMS relay with 7 available relays. It's available through DHGate on the web. The rest of the parts are Radio Shack DPDT 12v switching 110v relays and about 1.5a 12v source. The SMS relay will send a text message to you telling you that the requested action was done. I used an SMA connector to RG-58 coax to make an antenna going out the wall of my metal hangar. I stripped the exterior braid the length of the factory antenna and that yields a signal strength of under 10 out of 32 which seems to be good enough. I use an H2O Wireless card from Best Buy at $10 for 3 months. Texts are $.05 and there will be 4/use.
I use it to turn of the engine heater or the furnace and ceiling fans either together or singly. Any combination of the seven relays is possible. The timer section of the schematic is used when I want to leave early in the AM and don't want to getup the send the message 2-3 hours ahead of time. The timer is preprogrammed for any day with a start time of 3AM and turns off at 9AM. The system is wired so that heater, furnace and fans can all be turned on by hand at the hangar.
There was no electrical inspection done this so I have no clue if it would pass.
I probably got a little carried away with this project but I really like it.
Sheldon Olesen
N475PV 527hrs
On Dec 9, 2013, at 3:03 PM, Sean Stephens <sean(at)stephensville.com> wrote:
| Quote: |
That's awesome. Now I need to figure out how to hook it up to my hangar heater thermostat to get the hangar from 46 to 64 degrees before I arrive.
On 12/9/13, 2:35 PM, Bob Leffler wrote:
>
>
> Switchboxcontrol.com
>
> It's got a built in T-Mobile cell phone that can receive and send SMS messages. It's a prepaid device and the minimum you can load is $10. $10 over three months gives you more texts than I'll ever need. You can let it go dormant over the summer.
>
> Works pretty well. I'm sure that you seen Phillips threads on VAF. He also supplies a simple iOS and/or android app for those that don't want to learn the SMS syntax
>
> Sent from my iPhone
>
> On Dec 9, 2013, at 3:11 PM, Sean Stephens <sean(at)stephensville.com> wrote:
>
>
>
> Tell me more about this turning on via cell phone thingy.
>
> -Sean #40303
>
>> On 12/9/13, 12:59 PM, Bob Leffler wrote:
>>
>>
>> I have the same Reiff heaters that Tim mentioned. I'm getting similar results. It was in the twenties this weekend and the temps were in the nineties at start. I turned on the heat with my cell about four hours before the flight. A much nicer arrangement that I had with my Cherokee using propane heaters.
>
>
>
>
>
>
>
>
>
|
| | - The Matronics RV10-List Email Forum - | | | Use the List Feature Navigator to browse the many List utilities available such as the Email Subscriptions page, Archive Search & Download, 7-Day Browse, Chat, FAQ, Photoshare, and much more:
http://www.matronics.com/Navigator?RV10-List |
|
| Description: |
|
| Filesize: |
36.55 KB |
| Viewed: |
4879 Time(s) |

|
|
|
| Back to top |
|
 |
|
|
You cannot post new topics in this forum You cannot reply to topics in this forum You cannot edit your posts in this forum You cannot delete your posts in this forum You cannot vote in polls in this forum You cannot attach files in this forum You can download files in this forum
|
Powered by phpBB © 2001, 2005 phpBB Group
|