 |
Matronics Email Lists Web Forum Interface to the Matronics Email Lists
|
| View previous topic :: View next topic |
| Author |
Message |
tfarrell839
Joined: 10 Nov 2012 Posts: 27 Location: Watsonville, CA
|
Posted: Fri Nov 22, 2013 6:31 pm Post subject: Garmin G3X Autopliot Auto Trim with Big Trim Motor |
|
|
So here is our current conundrum:
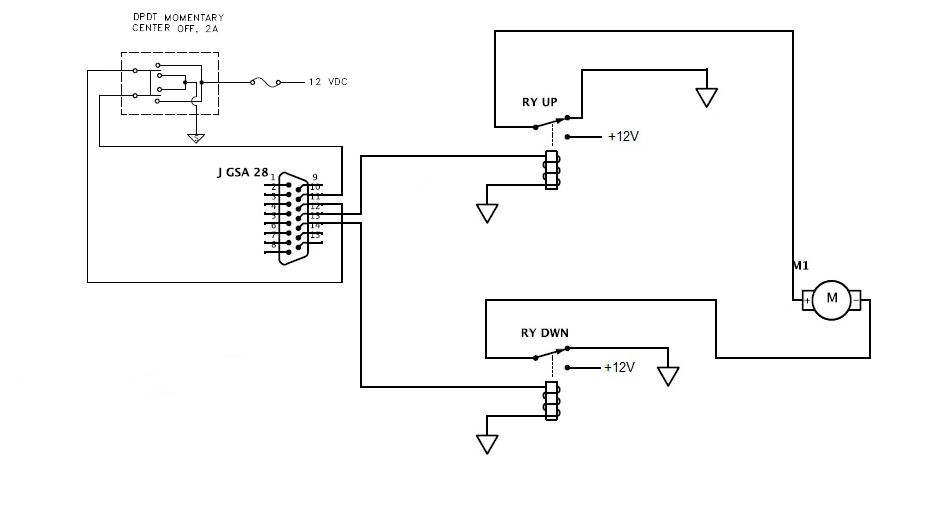
We are installing a new G3X panel in a Glasair II RG. It has the Garmin autopilot. The Garmin autopilot has auto trim included. Garmin drives the trim motors directly with the pitch or roll servo. In this case, we're only interested in the pitch servo. The servo wants to see a 12V signal coming in from a DPDT trim switch: one polarity for up, reversed for down. It then outputs to the trim motor. The output is rated to only 1A. The Glasair uses a rather large trim motor, a linear actuator with a 500 lb rating that draws 3.6A under load. It has this because it has to pull on a pretty hefty cable and spring system. The Garmin also has variable trim speed control, the faster you go, the slower it will drive the trim. Garmin accomplishes this by outputting a pulse width modulated (PWM) signal to vary the speed of the trim motor. Our problem is that we need relays to operate our motor, so it seems we can't get variable speed control and we aren't even sure if we will get any auto control of the trim at all.
So finally, my question: Can we use FETs, an H Bridge (which i don't fully understand) or something else to amplify the current proportionally to the PWM signal?
I should add, we have two sticks, each with trim control. The legacy system that is in there has Bosch type relays that control the trim.
I am including a schematic for a possible recommendation from Garmin. The caveat to this installation is that it seems we would have to run the trim at full speed all the time.
I appreciate any thoughts,
Best,
Tim
| | - The Matronics AeroElectric-List Email Forum - | | | Use the List Feature Navigator to browse the many List utilities available such as the Email Subscriptions page, Archive Search & Download, 7-Day Browse, Chat, FAQ, Photoshare, and much more:
http://www.matronics.com/Navigator?AeroElectric-List |
|
| Description: |
|
| Filesize: |
49.02 KB |
| Viewed: |
8951 Time(s) |

|
_________________ Tim Farrell
Aircrafters
831-722-9141 |
|
| Back to top |
|
 |
jluckey(at)pacbell.net Guest
|
Posted: Fri Nov 22, 2013 9:30 pm Post subject: Garmin G3X Autopliot Auto Trim with Big Trim Motor |
|
|
Tim,
Does the Garmin PWM output change polarity or is there a separate channel for trim direction?
FYI, No attachments came w/ your email.
From: tfarrell839 <tim(at)AirCraftersLLC.com>
To: aeroelectric-list(at)matronics.com
Sent: Friday, November 22, 2013 6:31 PM
Subject: Garmin G3X Autopliot Auto Trim with Big Trim Motor
--> AeroElectric-List message posted by: "tfarrell839" <tim(at)aircraftersllc.com (tim(at)aircraftersllc.com)>
So here is our current conundrum:
We are installing a new G3X panel in a Glasair II RG. It has the Garmin autopilot. The Garmin autopilot has auto trim included. Garmin drives the trim motors directly with the pitch or roll servo. In this case, we're only interested in the pitch servo. The servo wants to see a 12V signal coming in from a DPDT trim switch: one polarity for up, reversed for down. It then outputs to the trim motor. The output is rated to only 1A. The Glasair uses a rather large trim motor, a linear actuator with a 500 lb rating that draws 3.6A under load. It has this because it has to pull on a pretty hefty cable and spring system. The Garmin also has variable trim speed control, the faster you go, the slower it will drive the trim. Garmin accomplishes this by outputting a pulse width modulated (PWM) signal to vary the speed of the trim motor. Our problem is that we need relays to operate our motor, so it seems we can't get variable speed control and we aren't even sure if we will g!
et any auto control of the trim at all.
So finally, my question: Can we use FETs, an H Bridge (which i don't fully understand) or something else to amplify the current proportionally to the PWM signal?
I should add, we have two sticks, each with trim control. The legacy system that is in there has Bosch type relays that control the trim.
I am including a schematic for a possible recommendation from Garmin. The caveat to this installation is that it seems we would have to run the trim at full speed all the time.
I appreciate any thoughts,
Best,
Tim
--------
Tim Farrell
Aircrafters
831-722-9141
Read this topic online here:
http://forums.matronics.com/viewtopic.php?p=413837#413837
Attachments:
http://forums.matronics.com//froElectric www.aget="_blank" nbsp; * HomebuiltHELP www.mypilosp; -Matt Dralle, Lilities -= --> http://www.matronics.com/Navigator?AeroElectric-List
=======================
[quote][b]
| | - The Matronics AeroElectric-List Email Forum - | | | Use the List Feature Navigator to browse the many List utilities available such as the Email Subscriptions page, Archive Search & Download, 7-Day Browse, Chat, FAQ, Photoshare, and much more:
http://www.matronics.com/Navigator?AeroElectric-List |
|
|
|
| Back to top |
|
 |
tfarrell839
Joined: 10 Nov 2012 Posts: 27 Location: Watsonville, CA
|
Posted: Fri Nov 22, 2013 10:16 pm Post subject: Re: Garmin G3X Autopliot Auto Trim with Big Trim Motor |
|
|
As I understand it, yes it changes the polarity in the sense that if it gets positive on pin 11 and negative on 12 then it will output positive on 13 an negative on 14 and vice versa.
I don't know why the attachment didn't come through. I see it here when I m on the list serve. I'll post a link tomorrow.
Thanks,
Tim
| | - The Matronics AeroElectric-List Email Forum - | | | Use the List Feature Navigator to browse the many List utilities available such as the Email Subscriptions page, Archive Search & Download, 7-Day Browse, Chat, FAQ, Photoshare, and much more:
http://www.matronics.com/Navigator?AeroElectric-List |
|
_________________ Tim Farrell
Aircrafters
831-722-9141 |
|
| Back to top |
|
 |
jluckey(at)pacbell.net Guest
|
Posted: Sat Nov 23, 2013 7:51 am Post subject: Garmin G3X Autopliot Auto Trim with Big Trim Motor |
|
|
Tim,
That's not quite the answer I was looking for. But rather than try to figure out what's happening via text in emails, let's start w/ whatever diagrams you have. Then we can drill deeper as necessary.
Standing by until you post the link ...
From: tfarrell839 <tim(at)AirCraftersLLC.com>
To: aeroelectric-list(at)matronics.com
Sent: Friday, November 22, 2013 10:16 PM
Subject: Re: Garmin G3X Autopliot Auto Trim with Big Trim Motor
--> AeroElectric-List message posted by: "tfarrell839" <tim(at)aircraftersllc.com (tim(at)aircraftersllc.com)>
As I understand it, yes it changes the polarity in the sense that if it gets positive on pin 11 and negative on 12 then it will output positive on 13 an negative on 14 and vice versa.
I don't know why the attachment didn't come through. I see it here when I m on the list serve. I'll post a link tomorrow.
Thanks,
Tim
--------
Tim Farrell
Aircrafters
831-722-9141
Read this topic online here:
http://forums.matronicsThe Builder's Bookstore www.homebuilthelnbsp; * Race Consulting
| | - The Matronics AeroElectric-List Email Forum - | | | Use the List Feature Navigator to browse the many List utilities available such as the Email Subscriptions page, Archive Search & Download, 7-Day Browse, Chat, FAQ, Photoshare, and much more:
http://www.matronics.com/Navigator?AeroElectric-List |
|
|
|
| Back to top |
|
 |
tfarrell839
Joined: 10 Nov 2012 Posts: 27 Location: Watsonville, CA
|
|
| Back to top |
|
 |
tfarrell839
Joined: 10 Nov 2012 Posts: 27 Location: Watsonville, CA
|
Posted: Tue Nov 26, 2013 8:44 pm Post subject: Re: Garmin G3X Autopliot Auto Trim with Big Trim Motor |
|
|
Any thoughts on using transistors in this setup instead of relays?
Thanks,
Tim
| | - The Matronics AeroElectric-List Email Forum - | | | Use the List Feature Navigator to browse the many List utilities available such as the Email Subscriptions page, Archive Search & Download, 7-Day Browse, Chat, FAQ, Photoshare, and much more:
http://www.matronics.com/Navigator?AeroElectric-List |
|
_________________ Tim Farrell
Aircrafters
831-722-9141 |
|
| Back to top |
|
 |
|
|
You cannot post new topics in this forum You cannot reply to topics in this forum You cannot edit your posts in this forum You cannot delete your posts in this forum You cannot vote in polls in this forum You cannot attach files in this forum You can download files in this forum
|
Powered by phpBB © 2001, 2005 phpBB Group
|